Запчасти Case 780C (6-190) - TRANSMISSION CONTROL VALVE ASSEMBLY (06) - POWER TRAIN

Схема запчастей Case 780C - (6-190) - TRANSMISSION CONTROL VALVE ASSEMBLY (06) - POWER TRAIN
FIT
1:1
100%

Артикул

Название

Примечание

Количество

REF

INSTRUCTION

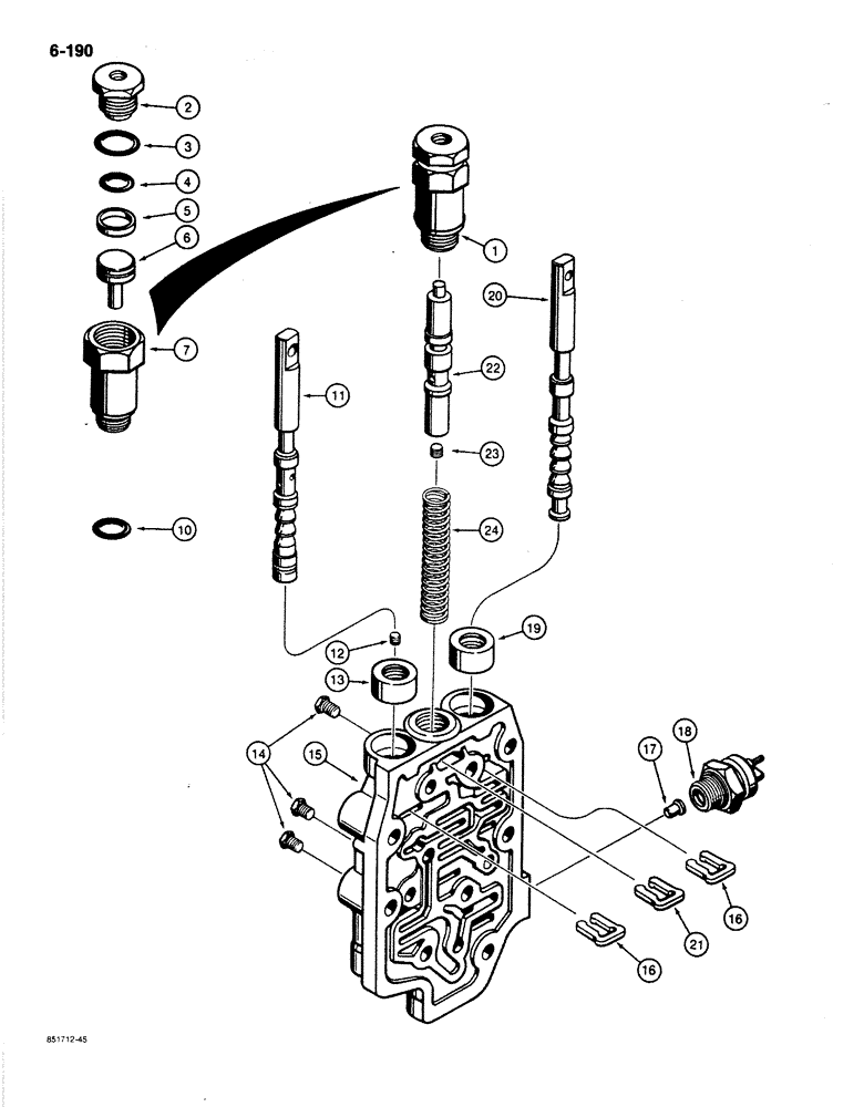
TRANSMISSION ASSEMBLY - forward and reverse, see Figure 6-170 for transmission options, parts list Figures 6-170 - 6-190, Includes: Ref. 1 - 24

1шт.

N8879

LOCK VALVE

ASSEMBLY - transmission control, Includes: Ref. 1 - 24

1шт.

1

N13301

HOUSING

PISTON ASSEMBLY - air, Includes: Ref. 2 - 10

1шт.

2

N13302

PLUG

CAP - piston housing

1шт.

3

27563R1

O-RING,0.103" Thk x 0.862" ID, -118, Cl 8, 90 Duro

O-RING - piston housing cap

1шт.

4

A7982

O-RING,0.103" Thk x 0.612" ID, -114, Cl 5, 75 Duro

piston

1шт.

5

L33575

RING

piston

1шт.

6

L33576

PISTON

air

1шт.

7

S300127

BODY

HOUSING - piston

1шт.

10

F62114

O-RING,0.103" Thk x 0.674" ID, -115, Cl 5, 75 Duro

seal

1шт.

NSS

NOT SOLD SEPARAT

BODY ASSEMBLY - includes spool, transmission control valve, Includes: Ref. 11 - 20

1шт.

11

E114395

SPOOL

range selector, Includes: Ref. 12

1шт.

12

221-850

PLUG,Hex Soc, 1/16"-27

hex socket head, 1/16" NPT, range selector spool

1шт.

13

D63387

OIL SEAL,15.88mm ID x 28.7mm OD x 13.87mm Thk

oil, body

1шт.

14

221-660

PLUG,Hex Hd, 1/16"-27

hex head, 1/16" NPT, magnetic

3шт.

15

NSS

NOT SOLD SEPARAT

BODY - transmission control valve

1шт.

16

E114397

STOP

spool

2шт.

17

E114398

PIN

neutral start switch

1шт.

18

E114399

SWITCH

neutral start, see Figure 4-98 for electrical connections

1шт.

19

D63387

OIL SEAL,15.88mm ID x 28.7mm OD x 13.87mm Thk

oil, body

1шт.

20

N7205

SPOOL

control valve, forward and reverse

1шт.

21

E114397

STOP

spool

1шт.

22

N7204

SPOOL

clutch cutout, Includes: Ref. 23

1шт.

23

221-850

PLUG,Hex Soc, 1/16"-27

hex socket head, 1/16" NPT, spool

1шт.

24

E114402

SPRING

control valve

1шт.

Выбрано товаров: 25