Запчасти Case 780D (6-60) - REAR AXLE DRIVESHAFT (06) - POWER TRAIN

Схема запчастей Case 780D - (6-60) - REAR AXLE DRIVESHAFT (06) - POWER TRAIN
FIT
1:1
100%

Артикул

Название

Примечание

Количество

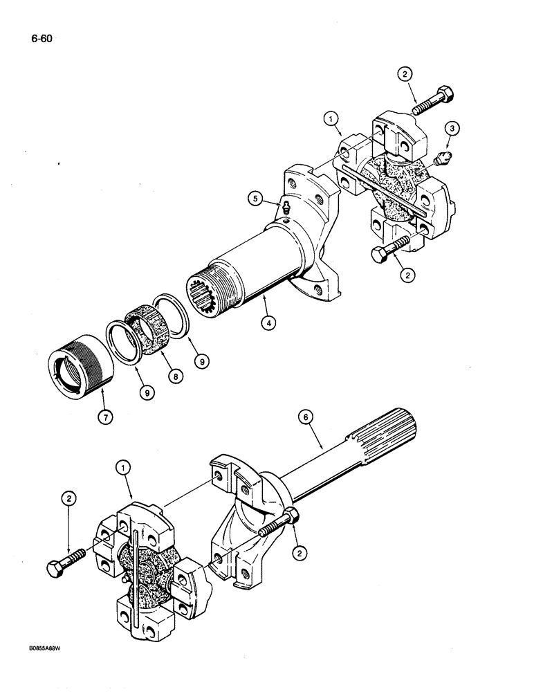
D140085

DRIVE SHAFT

SHAFT ASSEMBLY - drive, rear axle, Includes: Ref. 1 - 9

1шт.

L36151

KIT

JOINT ASSEMBLY - universal, drive shaft, Includes: Ref. 1 and 2

2шт.

1

NSS

NOT SOLD SEPARAT

JOINT - universal, center cross

1шт.

2

328-628

BOLT,Hex, 3/8" - 24 x 1-3/4", Gr 8

- hex, 3/8 NF x 1-3/4 inch, grade 8, phosphate plated

8шт.

3

219-8

LUBE NIPPLE,1/4" - 28 NPTF

NIPPLE, LUBE, , straight, taper 1/4"-28 NPT x .54" lg

2шт.

4

D143432

FORK

YOKE - internal spline

1шт.

5

219-1

LUBE NIPPLE,1/8" - 27 NPTF

FITTING - grease, straight, 1/8" NPT

1шт.

6

D143435

SHAFT

- yoke, external spline

1шт.

7

A19923

CAP

- dust

1шт.

8

D73711

FELT SEAL

- felt

1шт.

9

D73712

WASHER

- backup, steel

2шт.

Выбрано товаров: 11