Запчасти Case 780D (1-14) - PICTORIAL INDEX, EQUIPMENT HYDRAULICS, OIL COOLER TO FILTER & RETURN LINES (00) - PICTORIAL INDEX

Схема запчастей Case 780D - (1-14) - PICTORIAL INDEX, EQUIPMENT HYDRAULICS, OIL COOLER TO FILTER & RETURN LINES (00) - PICTORIAL INDEX
FIT
1:1
100%

Артикул

Название

Примечание

Количество

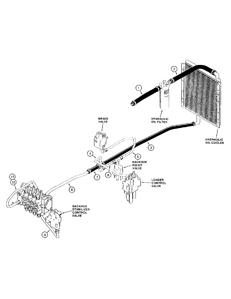
1

Hydraulic oil filter hose to hydraulic reservoir, Page 8-13

1шт.

2

Hose from hydraulic oil cooler to filter, Page 8-13

1шт.

3

Backhoe return hose to hydraulic oil cooler, Page 8-9

1шт.

4

Crossover tube at loader control valve, Page 8-9, 8-11

1шт.

5

Brake valve tube to return line, Page 8-9

1шт.

6

Backhoe relief valve tube to return line, Page 8-9

1шт.

7

Hose at four-way fitting in return line, Page 8-9

1шт.

8

Backhoe return tube at four-way fitting, Page 8-9

1шт.

9

Stabilizer control valve return tube, Page 8-9

1шт.

10

Backhoe control valve return tube used on models without extendable dipper, Page 8-9

1шт.

11

Backhoe control valve return tube used on models with extendable dipper, Page 8-9

1шт.

Выбрано товаров: 11