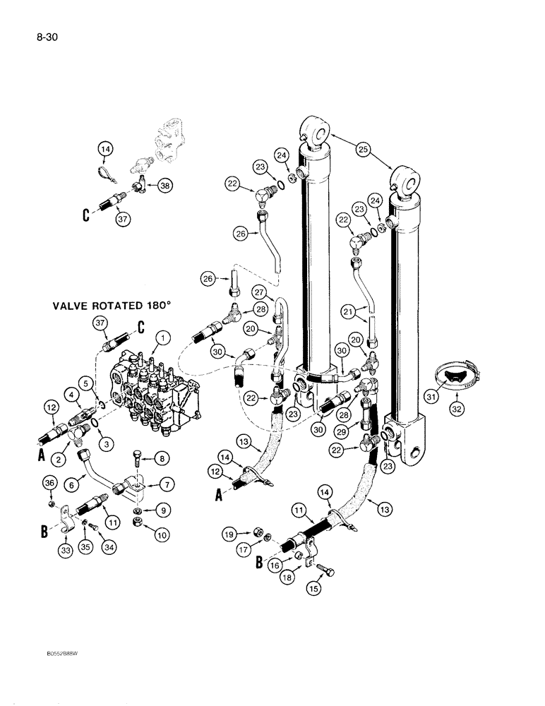
Запчасти Case 780D (8-030) - BACKHOE BOOM CYLINDER HYDRAULIC CIRCUIT, PRIOR TO P.I.N. JJG0071751 (08) - HYDRAULICS

Схема запчастей Case 780D - (8-030) - BACKHOE BOOM CYLINDER HYDRAULIC CIRCUIT, PRIOR TO P.I.N. JJG0071751 (08) - HYDRAULICS
FIT
1:1
100%

Артикул

Название

Примечание

Количество

1

REF

INSTRUCTION

VALVE ASSEMBLY - backhoe control, for correct assembly, components, and mounting hardware see Figure 8-70 or 8-72

1шт.

2

218-5118

ELBOW,90 Degree Elbow, 1-1/16" - 12 Male JIC x 1-5/16" - 12 Male ORB

- 90 degree, adjustable, Includes: Ref. 3

1шт.

3

237-6016

O-RING,0.116" Thk x 1.171" ID, -916, Cl 6, 90 Duro

- elbow

1шт.

4

D143640

TEE

- special, attaches to hose from lower port of flow control valve, Includes: Ref. 5

1шт.

5

237-6016

O-RING,0.116" Thk x 1.171" ID, -916, Cl 6, 90 Duro

- tee

1шт.

6

D141705

TUBE ASSY.

TUBE - backhoe control valve lower port, not used on models with hydraulic boom lock, see Figure 8-46, Ref. 16, for tube used on models with hydraulic boom lock

1шт.

7

D41165

CLAMP,19mm ID, 10.5mm Bolt Hole, J Type

- tube

1шт.

8

113-207

BOLT,Hex, 3/8" - 16 x 1", Gr 5

1шт.

9

192-21

LOCK WASHER,3/8"

WASHER, LOCK, 3/8"

1шт.

10

129-103

NUT,Hex, 3/8" - 16, Gr 5

NUT, 3/8"-16, G5

1шт.

11

D141009

HOSE ASSY.

HOSE - 59-1/16" (1500 mm) long, to right-hand boom cylinder rod end tube, to boom tube at lower port of backhoe control valve

1шт.

12

D141010

HOSE ASSY.

HOSE - 58-1/2" (1485 mm) long, left-hand boom cylinder closed end to backhoe control valve upper port

1шт.

13

D140219

SLEEVE

- hose protection

2шт.

14

L18337

CABLE TIE,9.95"-12.1" lg

STRAP - tie, 15 inch, nylon

4-14шт.

15

413-856

BOLT,Hex, 1/2" - 13 x 3-1/2", Gr 5

- hex, 1/2 NC x 3-1/2 inch

4шт.

16

D56140

BUSHING

SPACER - clamp

4шт.

17

80679

LOCK WASHER,1/20.507 CST ZND

WASHER, LOCK, 1/2"

4шт.

18

S48560

CLAMP

- hose

2шт.

19

425-108

NUT,1/2" - 13, Gr 5

NUT, , Hex 1/2"-13, G5

4шт.

20

218-596

TEE,1 1/16"-12 37 Degree

- male

2шт.

21

D137765

TUBE ASSY.

TUBE - right-hand boom cylinder, rod end

1шт.

22

218-5118

ELBOW,90 Degree Elbow, 1-1/16" - 12 Male JIC x 1-5/16" - 12 Male ORB

- 90 degree, adjustable, Includes: Ref. 23

4шт.

23

237-6016

O-RING,0.116" Thk x 1.171" ID, -916, Cl 6, 90 Duro

- elbow

1шт.

24

L108606

RESTRICTOR

- boom drop

2шт.

25

REF

INSTRUCTION

CYLINDER ASSEMBLY - boom, for correct assembly and components, see Figure 8-110 or 8-112

2шт.

26

D137761

TUBE ASSY.

TUBE - left-hand boom cylinder rod end

1шт.

27

D137759

TUBE ASSY.

TUBE - left-hand boom cylinder closed end

1шт.

28

218-476

ELBOW,90 Degree Elbow, 1-1/16" - 12 Male JIC x 1-1/16" - 12 Male JIC

- 90 degree

2шт.

29

D137763

TUBE ASSY.

TUBE - right-hand boom cylinder, closed end

1шт.

30

D141016

HOSE ASSY.

HOSE - 40-3/16" (1020 mm) long, boom cylinder crossover

2шт.

31

D38648

BLOCK

SPACER - rubber, tube clamp, two on left-hand cylinder

3шт.

32

214-275

HOSE CLAMP,#92, 5.38" - 6.25", Type F Worm

CLAMP - tubes to boom cylinder, two on left-hand cylinder

3шт.

33

D68846

CLAMP

- at swing tower

1шт.

34

413-616

BOLT,Hex, 3/8" - 16 x 1", Gr 5

- hex, 3/8 NC x 1 inch

1шт.

35

492-11038

LOCK WASHER,3/8"

1шт.

36

425-106

NUT,3/8"-16, Cl 5

1шт.

37

L107763

HOSE,0.25" ID x 100.00"

- 100" (2540 mm) long, over center anti-leakoff, lower port of flow control valve to backhoe control valve upper boom port

1шт.

38

L59038

LOCK VALVE

VALVE - check, connects to tee at flow control valve lower port, see Ref. 19 on Figure 5-4 for tee

1шт.

Выбрано товаров: 38