Запчасти Case 780D (8-070) - BACKHOE CONTROL VALVE, WITHOUT EXTENDABLE DIPPER (08) - HYDRAULICS

Схема запчастей Case 780D - (8-070) - BACKHOE CONTROL VALVE, WITHOUT EXTENDABLE DIPPER (08) - HYDRAULICS
FIT
1:1
100%

Артикул

Название

Примечание

Количество

D141069

VALVE

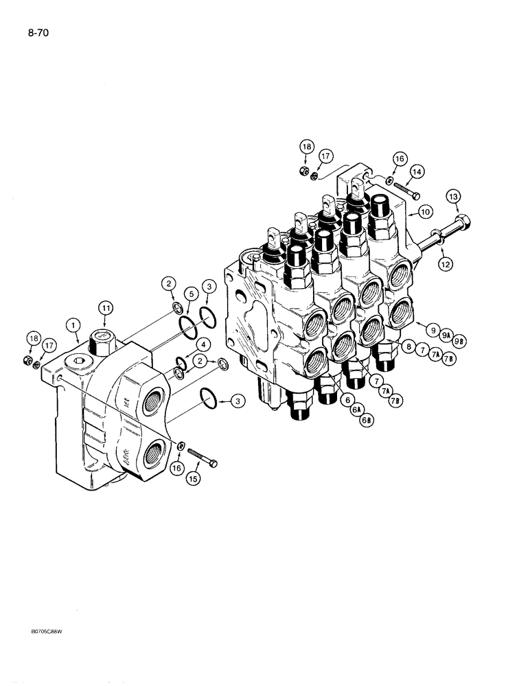
ASSEMBLY - backhoe control, 4 section, without rubber boots, no longer available, order D144973 valve, Includes: Ref. 1 - 13

1шт.

D144973

VALVE

ASSEMBLY - backhoe control, 4 section, with rubber boots, if used, Includes: Ref. 1 - 13

1шт.

Check the valve part number stamped on the valve end cover before ordering parts.

1шт.

D149989

VALVE

ASSEMBLY - backhoe control, 4 section, with rubber boots, if used, Includes: Ref. 1 - 13

1шт.

Check the valve part number stamped on the valve end cover before ordering parts.

1шт.

BOOT rubber, shown at the base of the spool eyes in the illustration

1шт.

1

D142523

KNIFE SECTION

SECTION ASSEMBLY - inlet, parts list Figure 8-74

1шт.

2

D77566

SHIM,.0030" Thk

Control valve .0030" Thk

15шт.

R37003

SEAL KIT

KIT - seal, Includes: Ref. 3 - 5

5шт.

3

NSS

NOT SOLD SEPARAT

O-RING - 1-5/16" (32 mm) O.D.

2шт.

4

NSS

NOT SOLD SEPARAT

O-RING - 1" (25 mm) O.D.

1шт.

5

NSS

NOT SOLD SEPARAT

O-RING - 1-1/2" (37mm) O.D.

1шт.

6

N13295

KNIFE SECTION

SECTION ASSEMBLY - boom, D141069 valve, parts list Figures 8-76 and 8-78

1шт.

6a

D145850

VALVE

SECTION ASSEMBLY - boom, D144973, parts list Figures 8-76 and 8-78

1шт.

6b

D150612

SPOOL

SECTION ASSEMBLY - boom, D149989 valve, parts list Figures 8-76 and 8-78

1шт.

7

N13296

KNIFE SECTION

SECTION ASSEMBLY - dipper and bucket, D141069 valve, parts list Figure 8-80

1-2шт.

7a

D145849

KNIFE SECTION

SECTION ASSEMBLY - dipper and bucket, D144973 valve, parts list Figure 8-80

2шт.

7b

D150613

VALVE

SECTION ASSEMBLY - dipper and bucket, D149989, parts list Figure 8-80

2шт.

8

N13297

VALVE BLOCK

SECTION ASSEMBLY - bucket, D141069, parts list Figures 8-76 and 8-78, no longer available order N13296 section, Ref. 7

1шт.

9

D142522

VALVE

SECTION ASSEMBLY - swing, D141069, parts list Figure 8-82

1шт.

9a

D145848

VALVE

SECTION ASSEMBLY - swing, D144973, parts list Figure 8-82

1шт.

9b

D150614

VALVE

SECTION ASSEMBLY - swing, D149989, parts list Figure 8-84

1шт.

10

D87072

COVER ASSY

., end

1шт.

11

D87075

COVER

CAP - dust

1шт.

12

192-22

LOCK WASHER,7/16"

WASHER, LOCK, 7/16"

3шт.

13

D74375

BOLT

- hex head, 7/16" - 14 NC x 11"

3шт.

14

413-628

BOLT,Hex, 3/8" - 16 x 1-3/4", Gr 5

- hex, 3/8 NC x 1-3/4 inch, Mounting hardware

2шт.

15

413-632

BOLT,Hex, 3/8" - 16 x 2", Gr 5

Mounting hardware Hex, 3/8"-16 x 2", G5

1шт.

16

495-21044

WASHER,3/8"

Mounting hardware 3/8"

3шт.

17

492-11038

LOCK WASHER,3/8"

mounting hardware 3/8"

3шт.

18

425-106

NUT,3/8"-16, Cl 5

Mounting hardware 3/8"-16, G5

3шт.

Выбрано товаров: 31