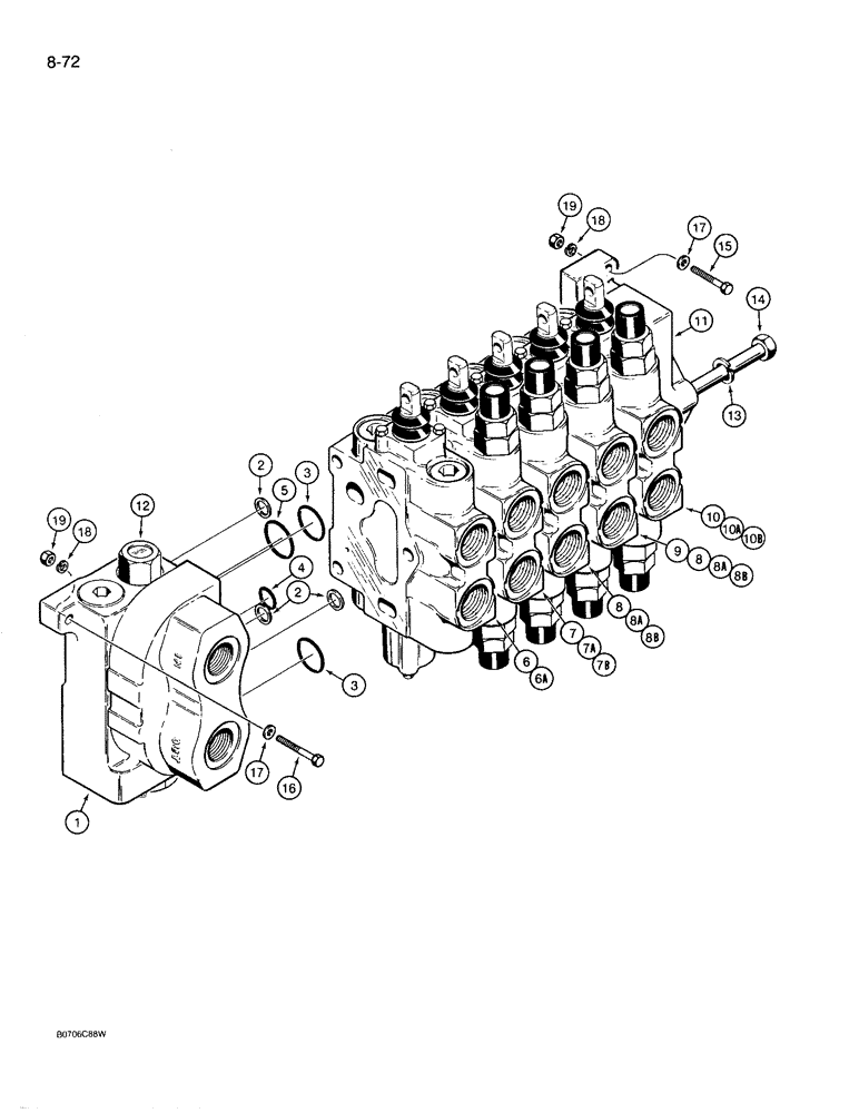
Запчасти Case 780D (8-072) - BACKHOE CONTROL VALVE, WITH EXTENDABLE DIPPER (08) - HYDRAULICS

Схема запчастей Case 780D - (8-072) - BACKHOE CONTROL VALVE, WITH EXTENDABLE DIPPER (08) - HYDRAULICS
FIT
1:1
100%

Артикул

Название

Примечание

Количество

D141070

VALVE

ASSEMBLY - backhoe control, 5 section, without rubber boots, no longer available, order D144974 valve, Includes: Ref. 1 - 14

1шт.

D144974

VALVE

ASSEMBLY - backhoe control, 5 section, with rubber boots, if used, Includes: Ref. 1 - 14

1шт.

Check the valve part number stamped on the valve end cover before ordering parts.

1шт.

D149990

VALVE

ASSEMBLY - backhoe control, 5 section, with rubber boots, if used, Includes: Ref. 1 - 14

1шт.

Check the valve part number stamped on the valve end cover before ordering parts.

1шт.

1

D142523

KNIFE SECTION

SECTION ASSEMBLY - inlet, parts list Figure 8-74

1шт.

2

D77566

SHIM,.0030" Thk

Control valve .0030" Thk

18шт.

R37003

SEAL KIT

KIT - seal, Includes: Ref. 3 - 5

6шт.

3

NSS

NOT SOLD SEPARAT

O-RING - 1-5/16" (32 mm) O.D.

2шт.

4

NSS

NOT SOLD SEPARAT

O-RING - 1" (25 mm) O.D.

1шт.

5

NSS

NOT SOLD SEPARAT

O-RING - 1-1/2" (37 mm) O.D.

1шт.

6

D142524

KNIFE SECTION

SECTION ASSEMBLY - extendable dipper, D141070 valve, parts list Figure 8-86

1шт.

6a

D145847

KNIFE SECTION

SECTION ASSEMBLY - extendable dipper, D144974 valve, parts list Figure 8-86

1шт.

7

N13295

KNIFE SECTION

SECTION ASSEMBLY - boom, D141070 valve, parts list Figures 8-76 and 8-78

1шт.

7a

D145850

VALVE

SECTION ASSEMBLY - boom, D144974, parts list Figures 8-76 and 8-78

1шт.

7b

D150612

SPOOL

SECTION ASSEMBLY - boom, D149990 valve, parts list Figures 8-76 and 8-78

1шт.

8

N13296

KNIFE SECTION

SECTION ASSEMBLY - dipper and bucket, D141070 valve, parts list Figure 8-80

1-2шт.

8a

D145849

KNIFE SECTION

SECTION ASSEMBLY - dipper and bucket, D144974 valve, parts list Figure 8-80

2шт.

8b

D150613

VALVE

SECTION ASSEMBLY - dipper and bucket, D149990, parts list Figure 8-80

2шт.

9

N13297

VALVE BLOCK

SECTION ASSEMBLY - bucket, D141070, parts list Figures 8-76 and 8-78, no longer available, order N13296 section, Ref. 8

1шт.

10

D142522

VALVE

SECTION ASSEMBLY - swing, D141070, parts list Figure 8-82

1шт.

10a

D145848

VALVE

SECTION ASSEMBLY - swing, D144974, parts list Figure 8-82

1шт.

10b

D150614

VALVE

SECTION ASSEMBLY - swing, D149990, parts list Figure 8-84

1шт.

11

D87072

COVER ASSY

., end

1шт.

12

D87075

COVER

CAP - dust

1шт.

13

192-22

LOCK WASHER,7/16"

WASHER, LOCK, 7/16"

3шт.

14

N7497

BOLT

BOLT - hex head, 7/16" - 14 NC x 13"

3шт.

15

113-233

BOLT,Hex, 3/8" - 16 x 1-3/4", Gr 5

Mounting hardware Hex, 3/8"-16 x 1 3/4", G5

2шт.

16

113-219

BOLT,Hex, 3/8" - 16 x 2", Gr 5

Mounting hardware Hex, 3/8"-16 x 2", G5

1шт.

17

195-104

WASHER,3/8"

- flat, , plated, mounting hardware 3/8"

3шт.

18

192-21

LOCK WASHER,3/8"

WASHER, LOCK, , Mounting hardware 3/8"

3шт.

19

129-103

NUT,Hex, 3/8" - 16, Gr 5

NUT, , Mounting hardware 3/8"-16, G5

3шт.

Выбрано товаров: 32