Запчасти Case 780D (9-024) - BACKHOE CONTROLS WITH FOOT SWING, SWING PEDALS AND MOUNTING (09) - CHASSIS/ATTACHMENTS

Схема запчастей Case 780D - (9-024) - BACKHOE CONTROLS WITH FOOT SWING, SWING PEDALS AND MOUNTING (09) - CHASSIS/ATTACHMENTS
FIT
1:1
100%

Артикул

Название

Примечание

Количество

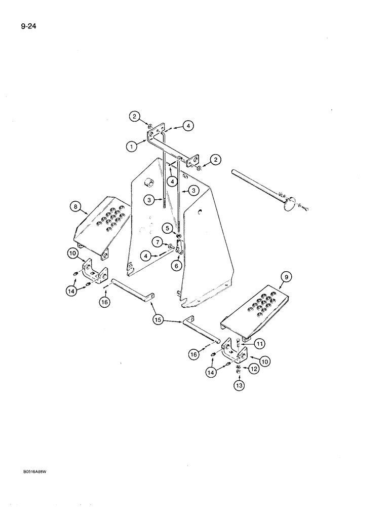
1

D129392

BRACKET

- swing

1шт.

2

195-525

WASHER,3/8", SAE

- flat, 3/8", plated

2шт.

3

D81905

ROD

- swing, Serial Range: pedal-bracket

2шт.

4

132-320

COTTER PIN,3/32" x 3/4"

PIN, SPLIT (COTTER), 3/32" x 3/4"

4шт.

5

86585245

SPECIAL NUT,JAM, 5/8" - 18

- hex, jam, 3/8" - 24 NF, plated

2шт.

6

213-41

ADJUSTABLE CLEVIS,3/8"-24

plated 3/8"-24

2шт.

7

141-54

CLEVIS PIN,3/8" x 1 1/16"

2шт.

8

D87888

PEDAL

- left-hand swing

1шт.

9

D87886

PEDAL

- right-hand swing

1шт.

10

D92817

BRACKET

- swing pedal

2шт.

11

111-319

CARRIAGE BOLT,Short NK, 3/8"-16 x 1 1/4", G2

BOLT, CARRIAGE, Short NK, 3/8"-16 x 1 1/4", G2

4шт.

12

192-21

LOCK WASHER,3/8"

WASHER, LOCK, 3/8"

4шт.

13

129-103

NUT,Hex, 3/8" - 16, Gr 5

NUT, 3/8"-16, G5

4шт.

14

219-17

LUBE NIPPLE,3/16" NPTF

FITTING - grease, straight, 3/16" drive

4шт.

15

D135328

SHAFT

- swing pedal

2шт.

16

138-136

LOCK PIN,1/4" x 1 1/4", Slotted

PIN, 1/4" x 1 1/4", Slotted

2шт.

Выбрано товаров: 16