Запчасти Case 780D (2-04) - RADIATOR, FAN, AND MOUNTING PARTS (CONT) (02) - ENGINE

Схема запчастей Case 780D - (2-04) - RADIATOR, FAN, AND MOUNTING PARTS (CONT) (02) - ENGINE
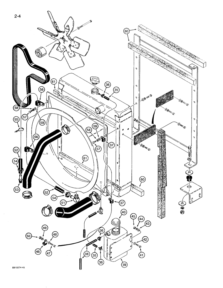
FIT
1:1
100%

Артикул

Название

Примечание

Количество

35

L112140

HOSE,0.31" ID x 70.00", SAE 30R6

- radiator to reservoir 0.31" ID x 70.00", SAE 30R6

1шт.

36

A171099

HOSE CLAMP,13.2mm - 15.4mm

CLAMP - hose

3шт.

37

49768

CLIP

- P-type, uses existing radiator shroud mounting hardware

2шт.

38

A171871

HOSE,7.50 mm ID, 8.30 mm ID x 600.00 mm, SAE J30

- Coolant overflow 7.50 mm ID, 8.30 mm ID x 600.00 mm, SAE J30

1шт.

39

A171773

CONTAINER

RESERVOIR - coolant recovery bottle

1шт.

40

A184079

CAP

- tether, reservoir

1шт.

41

113-104

BOLT,Hex, 5/16" - 18 x 1-1/4", Gr 5

2шт.

42

196-2

WASHER,3/8" x 7/8" x .083", HDN

- flat, 5/16 inch, hardened

2шт.

43

195-103

WASHER,5/16"

- flat, 5/16 inch

2шт.

44

192-20

LOCK WASHER,Helical Spring, 0.318" ID, CST, ZND

WASHER, LOCK, 5/16"

2шт.

45

9635082

NUT,5/16" - 18, Gr 5

2шт.

46

49768

CLIP

- P-type

1шт.

47

113-208

BOLT,Hex, 3/8" - 16 x 1-1/4", Gr 5

1шт.

48

196-5

WASHER,13/32" x 1 1/16" x .095", HDN

- flat, 3/8 inch, hardened

1шт.

49

192-21

LOCK WASHER,3/8"

WASHER, LOCK, 3/8"

1шт.

50

129-103

NUT,Hex, 3/8" - 16, Gr 5

NUT, 3/8"-16, G5

1шт.

51

217-134

ELBOW,90 Degree Elbow, 5/8" Hose Barb x 1/2" Male NPTF

FITTING - stem, 90 degree, 5/8 stem x 1/2 inch NPT

1шт.

52

R40427

HOSE - 5/8" (16 mm) ID x 5-1/2 ft (167.6 cm) long, cut to required length from A42610 hose, Serial Range: engine-radiator

1шт.

53

217-153

FITTING,5/8" Hose Barb x 1/2" Male NPTF

- stem, straight

1шт.

54

214-253

HOSE CLAMP,#10, 0.56" - 1.06", Type F Worm

CLAMP - engine to radiator hose

2шт.

55

L18337

CABLE TIE,9.95"-12.1" lg

STRAP - tie, 15 inch, nylon

1шт.

56

49856

O-RING

CLAMP -, Serial Range: hose-shroud

2шт.

57

814-8025

BOLT,Hex, M8 x 1.25 x 25mm, Cl 8.8, Full Thd

- hex, 8 mm - 1.25 x 25 mm

4шт.

58

892-1108

LOCK WASHER,M8

4шт.

59

895-11008

WASHER,9mm ID x 16mm OD x 1.6mm Thk

4шт.

60

D141799

BAFFLE - 25-5/8" (650 mm) long, cut to required length from D92228 bulk seal, see below

3шт.

61

D144294

SEAL

- radiator to shroud, upper and lower

2шт.

A42610

LARGE HOSE

HOSE - bulk, 5/8" (16 mm) ID x 50 ft (1524 cm) long

1шт.

D92228

BAFFLE

- 35-1/2" (900 mm) x 55-1/8" (1400 mm) x 1-1/2" (38 mm), bulk

1шт.

Выбрано товаров: 29