Запчасти Case 780D (9-056) - CHASSIS, STEPS, AND HYDRAULIC OIL LEVEL GAUGE (09) - CHASSIS/ATTACHMENTS

Схема запчастей Case 780D - (9-056) - CHASSIS, STEPS, AND HYDRAULIC OIL LEVEL GAUGE (09) - CHASSIS/ATTACHMENTS
FIT
1:1
100%

Артикул

Название

Примечание

Количество

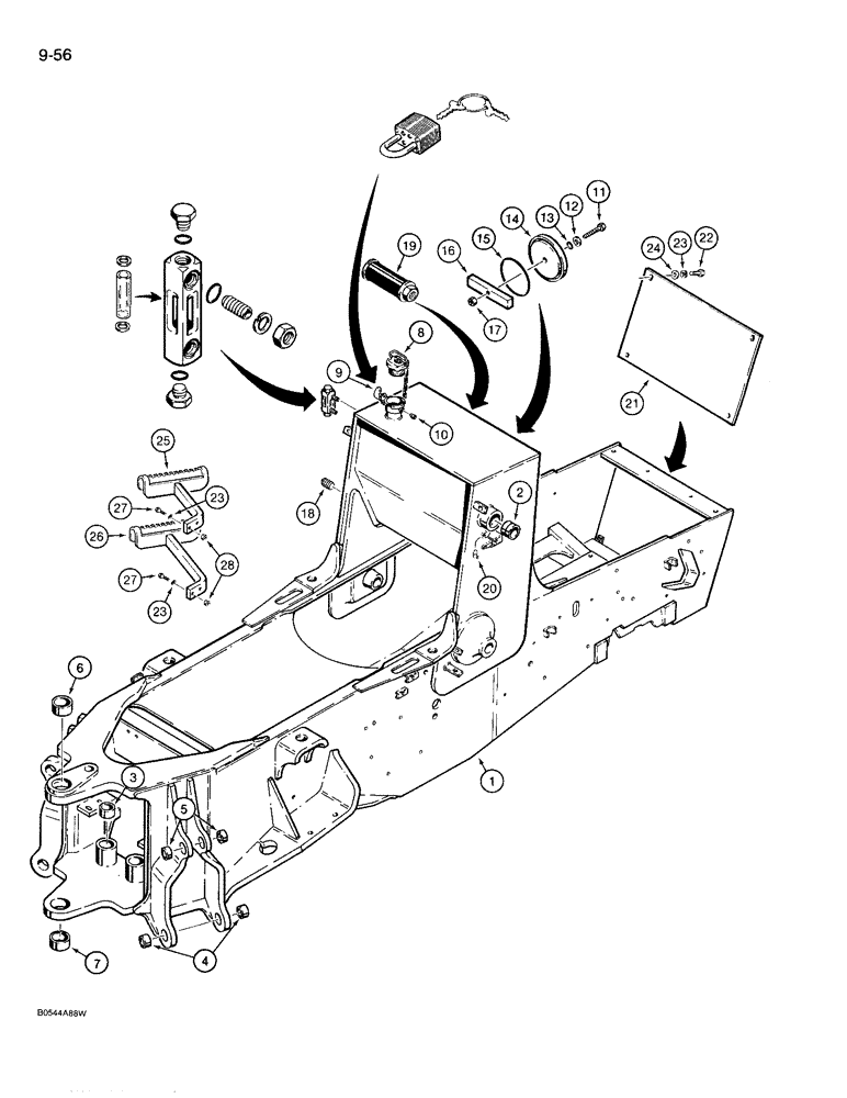
1

D141082

CHASSIS

ASSEMBLY - frame, Includes: Ref. 2 - 18

1шт.

2

L105212

BUSHING,57.35mm ID x 69.98mm OD x 46mm L

- loader lift frame pivot

2шт.

3

D137256

BUSHING

- swing cylinder pivot, lower

2шт.

4

D33024

BUSHING,51.02mm ID x 63.5mm OD x 25.4mm L

- stabilizer, Serial Range: leg-frame

4шт.

5

D34340

BUSHING,44.68mm ID x 53.98mm OD x 25.4mm L

- stabilizer, Serial Range: cylinder-frame

4шт.

6

L102293

BUSHING

- upper, swing tower mounting

1шт.

7

L102294

BUSHING

- lower, swing tower mounting

1шт.

8

D137827

CAP

- filler, hydraulic reservoir, includes rubber gasket

1шт.

9

D137828

NECK FILLER

TUBE - filler neck, includes filter, Includes: Ref. 10

1шт.

10

N8796

PLUG

VENT - filtered, filler tube

1шт.

11

113-409

BOLT,Hex, 1/2" - 13 x 4", Gr 5

- hex, 1/2 NC x 4 inch, special thread length

1шт.

12

L78045

WASHER

- special

1шт.

13

A27410

O-RING,0.487" ID x 0.693" OD x 0.103"

- cover

1шт.

14

L77124

COVER ASSY

COVER - access, hydraulic filter

1шт.

15

L55410

O-RING,0.275" Thk x 7.22" ID, -442, Cl 5, 75 Duro

SEAL - cover, hydraulic reservoir

1шт.

16

L50741

BAR

- cover retainer

1шт.

17

131-510

LOCK NUT,1/2"-13

NUT - hex, self-locking, 1/2" - 13 NC

1шт.

18

221-677

DRAIN PLUG,Sq Hd, 3/4" NPT

PLUG - square head, 3/4" NPT, magnetic, reservoir drain

1шт.

19

D128526

FILTER CARTRIDGE

SCREEN - suction, filter

2шт.

20

219-36

LUBE NIPPLE,45 Degree Elbow, 1/8" - 27 NPTF

FITTING - grease, 45 degree, special short, 1/8" NPT

2шт.

21

D133561

COVER ASSY

COVER - front

1шт.

22

113-410

BOLT,Hex, 1/2" - 13 x 1-1/2", Gr 5, Full Thd

4шт.

23

192-23

LOCK WASHER,1/2"

WASHER, LOCK, 1/2"

8шт.

24

195-106

WASHER,1/2"

- flat, , plated 1/2"

4шт.

25

D141287

STEP

- upper

1шт.

26

L102994

STEP

- lower

1шт.

27

113-421

BOLT,Hex, 1/2" - 13 x 2", Gr 5

4шт.

28

129-105

NUT,Hex, 1/2" - 13, Gr 5

4шт.

Выбрано товаров: 28