Запчасти Case 680E (306) - LOADER CONTROL VALVE, TILT SPOOL (35) - HYDRAULIC SYSTEMS

Схема запчастей Case 680E - (306) - LOADER CONTROL VALVE, TILT SPOOL (35) - HYDRAULIC SYSTEMS
FIT
1:1
100%

Артикул

Название

Примечание

Количество

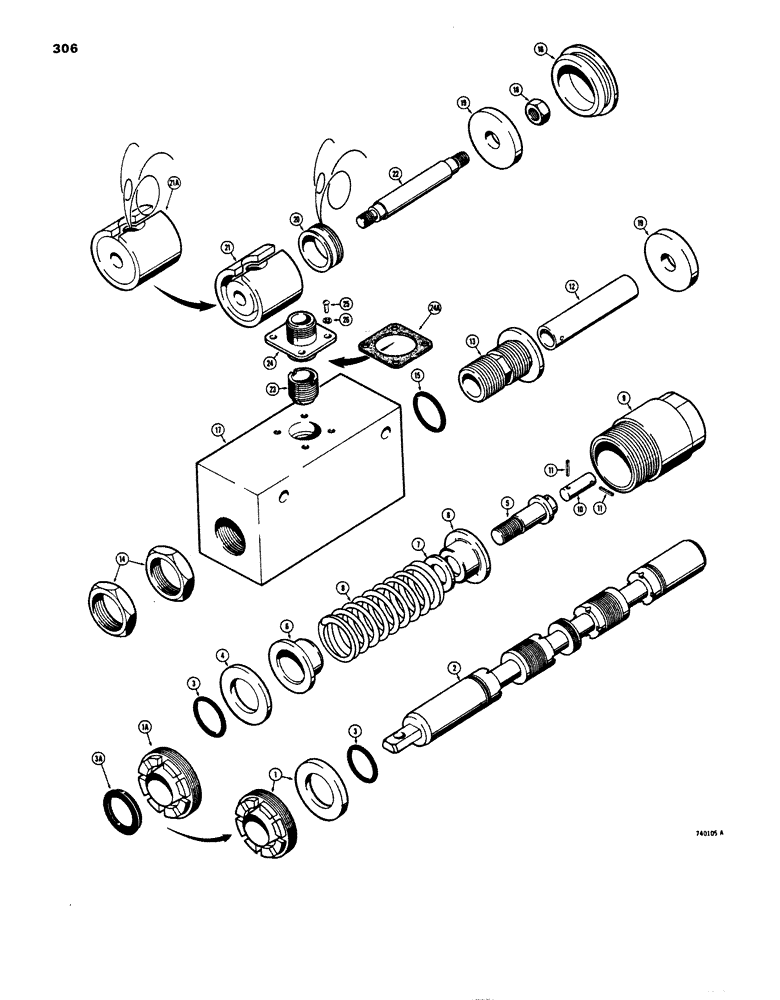
L36036

VALVE

SPOOL ASSEMBLY - loader tilt, Includes: Ref. 1 - 26

1шт.

1

L30744

GLAND

RETAINER AND WIPER - spool, used with Ref. 3

1шт.

1a

D80412

GLAND

RETAINER AND WIPER - spool, used with Ref. 3A

1шт.

2

L36051

SPOOL

- loader tilt

1шт.

3

A27365

O-RING,0.103" Thk x 0.75" ID, -116, Cl 5, 75 Duro

- spool

2шт.

3a

D80411

SEAL

SEAL - wiper, lip type, used with Ref. 1A

1шт.

4

A14535

RETAINER

- spool O-ring

1шт.

5

L36048

PLUG

- spool end

1шт.

6

A14533

BRONZE BUSHING

RETAINER - spring

2шт.

7

A25286

WASHER

- spacer

1шт.

8

A25285

SPRING

- centering

1шт.

9

L36047

CAP

COVER - centering spring

1шт.

10

D33858

LINK

- detent

1шт.

11

138-2012

PIN,1/8" x 1/2", Coiled

Connecting, link to spacer 1/8" x 1/2", Coiled

2шт.

12

L36049

SPACER

- detent

1шт.

13

L36046

CONNECTOR, ELEC

CONNECTOR - detent housing to coil housing

1шт.

14

L36045

NUT

- lock, housing

2шт.

15

F62114

O-RING,0.103" Thk x 0.674" ID, -115, Cl 5, 75 Duro

- connector

1шт.

16

L36039

CAP

- detent housing

1шт.

17

L36040

CAP

HOUSING - detent coil

1шт.

18

25-114

NUT,1/4"-28, G5

- hex., lock, 1/4" - 28 NF

1шт.

19

L36038

CLAMP

CLAPPER - washer

2шт.

20

L36044

COIL

- magnetic, early production, order Ref. 21A

1шт.

21

L36041

SLEEVE

- coil spacer, early production, order Ref. 21A

1шт.

21a

D80409

COIL ASSY.

COIL AND HOLDER - late production, replaces Refs. 20 and 21

1шт.

22

L36050

BUSHING

SPACER - clapper

1шт.

23

L36042

TUBE

- wire

1шт.

24

L36043

CONNECTOR, ELEC

CONNECTOR - electrical, coil

1шт.

24a

D80410

GASKET

- connector to housing, if used

1шт.

25

173-26

SCREW,Sl Rnd Hd, #4 - 40 x 5/16"

- machine, round head, #4 x 5/16"

4шт.

26

192-53

LOCK WASHER,#4

WASHER, LOCK, #4

4шт.

Выбрано товаров: 31