Запчасти Case 680E (390) - BACKHOE CONTROLS WITH FOOT SWING (84) - BOOMS, DIPPERS & BUCKETS

Схема запчастей Case 680E - (390) - BACKHOE CONTROLS WITH FOOT SWING (84) - BOOMS, DIPPERS & BUCKETS
FIT
1:1
100%

Артикул

Название

Примечание

Количество

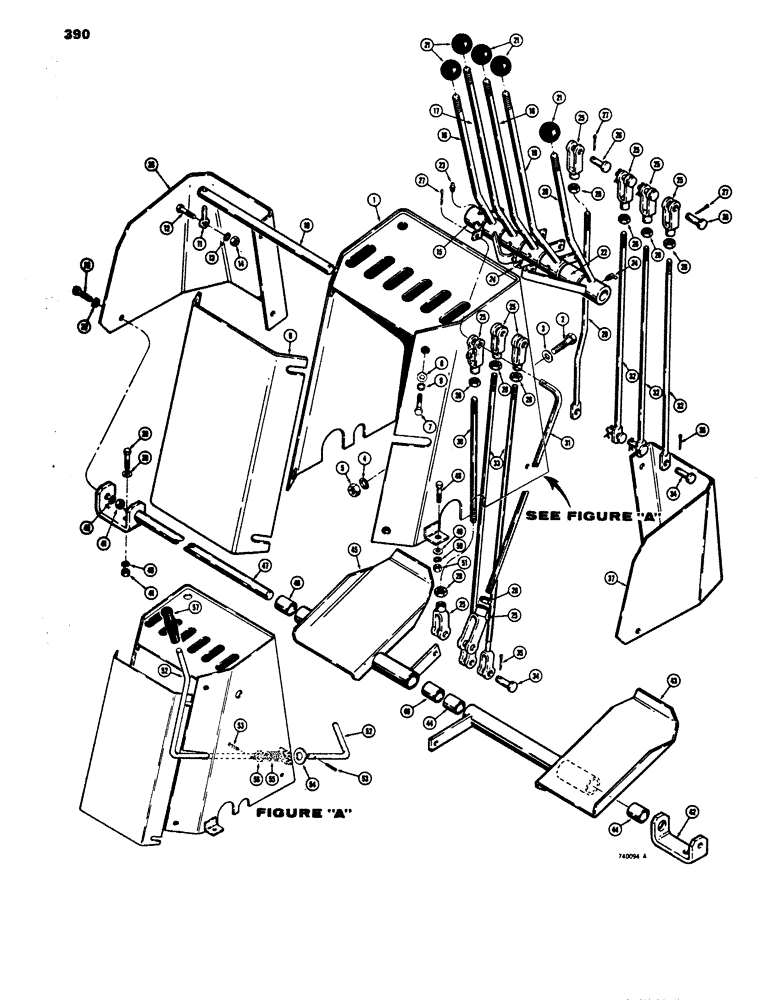
1

L59515

BOOM

CONSOLE - backhoe control

1шт.

2

13-820

BOLT,Hex, 1/2" - 13 x 1-1/4", Gr 5, Full Thd

Console mounting Hex, 1/2"-13 x 1 1/4", G5, Full Thd

2шт.

3

95-8

WASHER,1/2"

flat 1/2"

2шт.

4

92-8

LOCK WASHER,1/2"

2шт.

5

25-108

NUT,1/2"-13, G5

- hex., 1/2" - 13 NC

2шт.

6

L55451

COVER ASSY

COVER - backhoe console

1шт.

7

13-620

BOLT,Hex, 3/8" - 16 x 1-1/4", Gr 5, Full Thd

Cover mounting Hex, 3/8"-16 x 1 1/4", G5, Full Thd

4шт.

8

95-6

WASHER,3/8"

- flat, 3/8"

4шт.

9

92-6

LOCK WASHER,3/8"

4шт.

10

L55445

SHAFT

- control handle

1шт.

11

L55570

END ASSY.

ROD END - control shaft retaining

1шт.

12

13-520

BOLT,Hex, 5/16" - 18 x 1-1/4", Gr 5

HHCS - 5/16" - 18 NC x 1-1/4"

1шт.

13

92-5

LOCK WASHER,5/16"

1шт.

14

9635082

NUT,5/16" - 18, Gr 5

- hex., 5/16" - 18 NC

1шт.

15

L55460

ARM ASSY.

BELLCRANK - foot swing

1шт.

16

L55461

HANDLE

- stablizer, L.H., before tractor sn. 9114317, when stock is exhausted, order L59694 and L59695

1шт.

16

L59694

HANDLED SHAFT

HANDLE - stablizer, L.H., tractor sn. 9114317 and after

1шт.

17

L55456

LEVER ASSY.

HANDLE - bucket

1шт.

18

L55457

HANDLED SHAFT

HANDLE - dipper

1шт.

19

L55458

HANDLE

- boom

1шт.

20

L55462

HANDLED SHAFT

HANDLE - stablizer, R.H., before tractor sn. 9114317, when stock is exhausted, order L59694 and L59695

1шт.

20

L59695

HANDLED SHAFT

HANDLE - stablizer, R.H., tractor sn. 9114317 and after

1шт.

21

L54563

KNOB

- handle

5шт.

22

L55440

TUBE - spacer 1.375" OD x 1.82" L

1шт.

23

219-86

LUBE NIPPLE,1/8" NPTF

FITTING - grease, straight

1шт.

24

219-92

LUBE NIPPLE,90 Degree Elbow, 1/8" NPTF

FITTING - grease, 90 deg.

5шт.

25

213-4

ADJUSTABLE CLEVIS,3/8"-24 x 2 1/2"

CLEVIS - rod end, 3/8"

9шт.

26

141-4

CLEVIS PIN,3/8" x 1.060"

PIN, CLEVIS, 3/8" x 1.060"

8шт.

27

132-26

COTTER PIN

PIN split (Cotter), 3/32" x 3/4"

9шт.

28

25-156

JAM NUT,Jam, 3/8"-24, G5

- lock, 3/8" - 24 NF

9шт.

29

L55454

ROD

- swing control

1шт.

30

L55435

ROD - swing, L.H. foot control

1шт.

31

L55455

ROD

- swing, R.H. foot control

1шт.

32

L55436

ROD

- bucket, dipper and boom control

3шт.

33

L55466

ROD - stabilizer control

2шт.

34

141-3

CLEVIS PIN,5/16" x .940"

PIN, CLEVIS, 5/16" x .940"

6шт.

35

132-26

COTTER PIN

PIN, Split (Cotter), 3/32" x 3/4"

6шт.

36

L55553

SHIELD - L.H. foot petal, not used with cab

1шт.

37

L35554

SEAL

SHIELD - R.H. foot pedal, not used with cab

1шт.

38

13-620

BOLT,Hex, 3/8" - 16 x 1-1/4", Gr 5, Full Thd

Shield mounting Hex, 3/8"-16 x 1 1/4", G5, Full Thd

8шт.

39

95-6

WASHER,3/8"

- flat, 3/8"

8шт.

40

9628503

NUT,3/8"-16, G5

8шт.

42

L70129

LUG

- shield and shaft retaining

2шт.

43

L71078

PEDAL

- swing, R.H., Includes: Ref. 44

1шт.

44

D30706

BUSHING

- swing pedal

2шт.

45

L71077

PEDAL - swing, L.H., Includes: Ref. 46

1шт.

46

D30706

BUSHING

- swing pedal

2шт.

47

L70130

SHAFT - swing pedal mounting

1шт.

48

13-620

BOLT,Hex, 3/8" - 16 x 1-1/4", Gr 5, Full Thd

2шт.

49

95-6

WASHER,3/8"

- flat, 3/8"

2шт.

50

92-6

LOCK WASHER,3/8"

2шт.

51

25-106

NUT,3/8"-16, G5

- hex. 3/8" - 16 NC

2шт.

52

L59332

HANDLE

LEVER - boom lock release

1шт.

53

138-2033

PIN,6.35mm OD x 34.92mm L, Coiled

2шт.

54

D53273

WASHER,23.02mm ID x 57.15mm OD x 1.41mm Thk

- special hardened

1шт.

55

F41514

SPRING

- boom lock

1шт.

56

95-10

WASHER,5/8"

- flat, 5/8"

1шт.

57

L52477

GRIP

- handle, boom lock release

1шт.

Выбрано товаров: 0