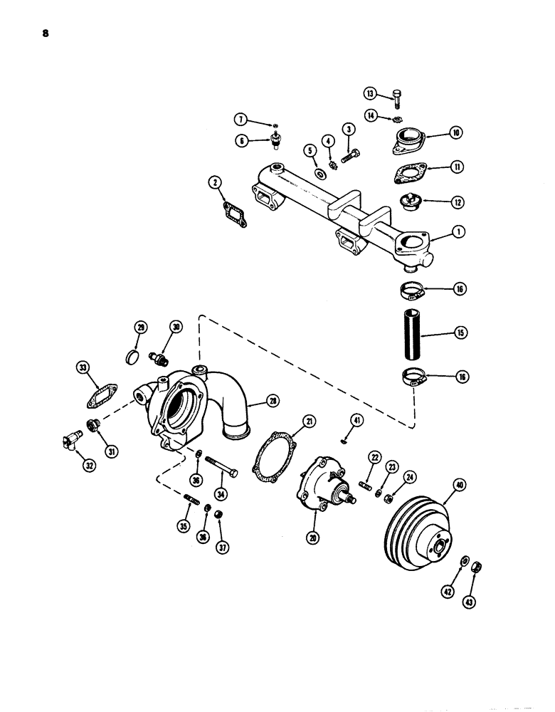
Запчасти Case 680E (008) - WATER MANIFOLD AND THERMOSTAT, 386BD DIESEL ENGINE, WATER (10) - ENGINE

Схема запчастей Case 680E - (008) - WATER MANIFOLD AND THERMOSTAT, 386BD DIESEL ENGINE, WATER (10) - ENGINE
FIT
1:1
100%

Артикул

Название

Примечание

Количество

1

A58735

MANIFOLD

MANIFOLD - water

1шт.

2

A58637

MANIFOLD GASKET

GASKET - water manifold

2шт.

3

13-624

BOLT,Hex, 3/8" - 16 x 1-1/2", Gr 5

BOLT - manifold (3/8 x 1-1/2" N.C. hex.)

2шт.

3

413-632

BOLT,Hex, 3/8" - 16 x 2", Gr 5

BOLT, , Manifold Hex, 3/8"-16 x 2", G5

2шт.

4

193-10

LOCK WASHER,Ext Tooth, 0.391" ID x 0.682" OD, STL, PLN

WASHER, LOCK, Ext Tooth, 3/8"

4шт.

5

195-25

WASHER,3/8"

WASHER - 3/8 x 13/16 x 1/16"

4шт.

6

L56217

UNIT

UNIT - sending, engine temperature

1шт.

7

193-1000

NUT,Keps, w/LW,#10-32

NUT - unit terminal (#10 N.F. hex., brass)

1шт.

10

A58736

HOUSING

HOUSING - thermostat

1шт.

11

G46907

GASKET

GASKET -, Serial Range: housing-manifold

1шт.

12

A57641

THERMOSTAT

THERMOSTAT

1шт.

13

13-614

BOLT,Hex, 3/8" - 16 x 7/8", Gr 5, Full Thd

BOLT, , Housing Hex, 3/8"-16 x 7/8", G5, Full Thd

2шт.

14

193-10

LOCK WASHER,Ext Tooth, 0.391" ID x 0.682" OD, STL, PLN

WASHER, LOCK, Ext Tooth, 3/8"

2шт.

15

A58737

HOSE,30.99mm ID x 134.62mm L, SAE 20R4

HOSE - manifold to pump (1 - 1/4" I.D. x 5")

1шт.

16

214-256

HOSE CLAMP,#20, 0.81" - 1.75", Type F Worm

CLAMP - hose (1 - 3/16" to 1 - 3/4")

2шт.

20

199352A1

PUMP, WATER

PUMP ASSY. - water (Replaces A62974)

1шт.

A157145 - new pump for A336BD/BDT engine with balancer.

1шт.

199352A1 - new pump for A336BD/BDT engine less balancer.

1шт.

1342818C1 - reman pump for A336BD/BDT engine with balancer.

1шт.

1342818C1R - reman pump for A336BD/BDT engine less balancer.

1шт.

A62974 water pump assy - This now subs to 199352A1 pump. The following water pumps are available : A157145 - new pump for A336BD/BDT engine with balancer.

1шт.

20

1342818C1R

REMAN-WATER PUMP

Remanufactured Water Pump

1шт.

20

A48335

CORE-WATER PUMP

Return Part Number, Water Pump

1шт.

21

A58646

GASKET

GASKET - pump to body, water

1шт.

22

A62234

STUD

STUD - pump to body, water (3/8" N.C. x 1 - 5/16")

4шт.

23

193-30

LOCK WASHER,Int Tooth, 3/8"

WASHER, LOCK, , Water pump Int Tooth, 3/8"

4шт.

24

25-146

JAM NUT,Jam, 3/8"-16, G5

NUT - 3/8" N.C. hex., jam, water pump

4шт.

28

A138498

HOUSING

BODY ASSY. - (for 1/2" P.T. connector)(See Ref. 30), water pump, Includes Ref: 29

1шт.

29

A58568

PLUG,Cup, 1 3/8", Stainless

PLUG - (1 - 3/8" cup type), water pump

1шт.

28

A59220

BODY

BODY ASSY. - water pump (for 3/4" P.T. connector)(See Ref. 30), water pump

1шт.

29

A58568

PLUG,Cup, 1 3/8", Stainless

PLUG - (1 - 3/8" cup type), water pump

1шт.

30

217-153

FITTING,5/8" Hose Barb x 1/2" Male NPTF

CONNECTOR - hose (1/2" P.T.)(Used w/A138498 body), water pump

1шт.

30

217-381

FITTING,5/8" Hose Barb x 3/4" Male NPTF

CONNECTOR - hose (3/4" P.T.)(Used w/A59220 body), water pump

1шт.

31

221-1092

REDUCER,Hex, 3/4" x 3/8" NPT

REDUCER, , Bushing, Water pump Hex, 3/4" x 3/8" NPT

1шт.

32

A16764

VALVE

VALVE ASSY. - shut - off, water pump

1шт.

33

A58649

GASKET

GASKET - body to block, water pump

1шт.

34

13-664

BOLT,Hex, 3/8" - 16 x 4", Gr 5

BOLT - body (3/8 x 1 - 1/4" N.C. hex.) (Replaces 13-620), water pump

2шт.

Mntg. Hdw.- Ref. 34 should be 13-664 3/8" x 4" as shown in the 780CK parts book #1248 figure 24

1шт.

35

G11204

STUD

STUD - body(3/8" N.C. x 1-7/16"), water pump

2шт.

36

92-6

LOCK WASHER,3/8"

LOCK WASHER, , water pump 3/8"

4шт.

37

25-106

NUT,3/8"-16, G5

NUT - 3/8" N.C. hex., water pump

2шт.

40

A58650

PULLEY

PULLEY - fan, water pump

1шт.

41

126-116

WOODRUFF KEY,#9, 3/16" x 3/4", HT

WOODRUFF KEY, , Pulley, water pump #9, 3/16" x 3/4", HT

1шт.

42

A58651

WASHER

WASHER - (1/2 x 1 x 3/32"), water pump

1шт.

43

131-1106

LOCK NUT,1/2"-20, GB

NUT, LOCK, , Water pump 1/2"-20, GB

1шт.

Выбрано товаров: 0