Запчасти Case 680E (042) - A64993 INJECTION PUMP, 336BD DIESEL ENGINE, WITH LUBE TUBE ON ENGINE SIDE OF PUMP (10) - ENGINE

Схема запчастей Case 680E - (042) - A64993 INJECTION PUMP, 336BD DIESEL ENGINE, WITH LUBE TUBE ON ENGINE SIDE OF PUMP (10) - ENGINE
FIT
1:1
100%

Артикул

Название

Примечание

Количество

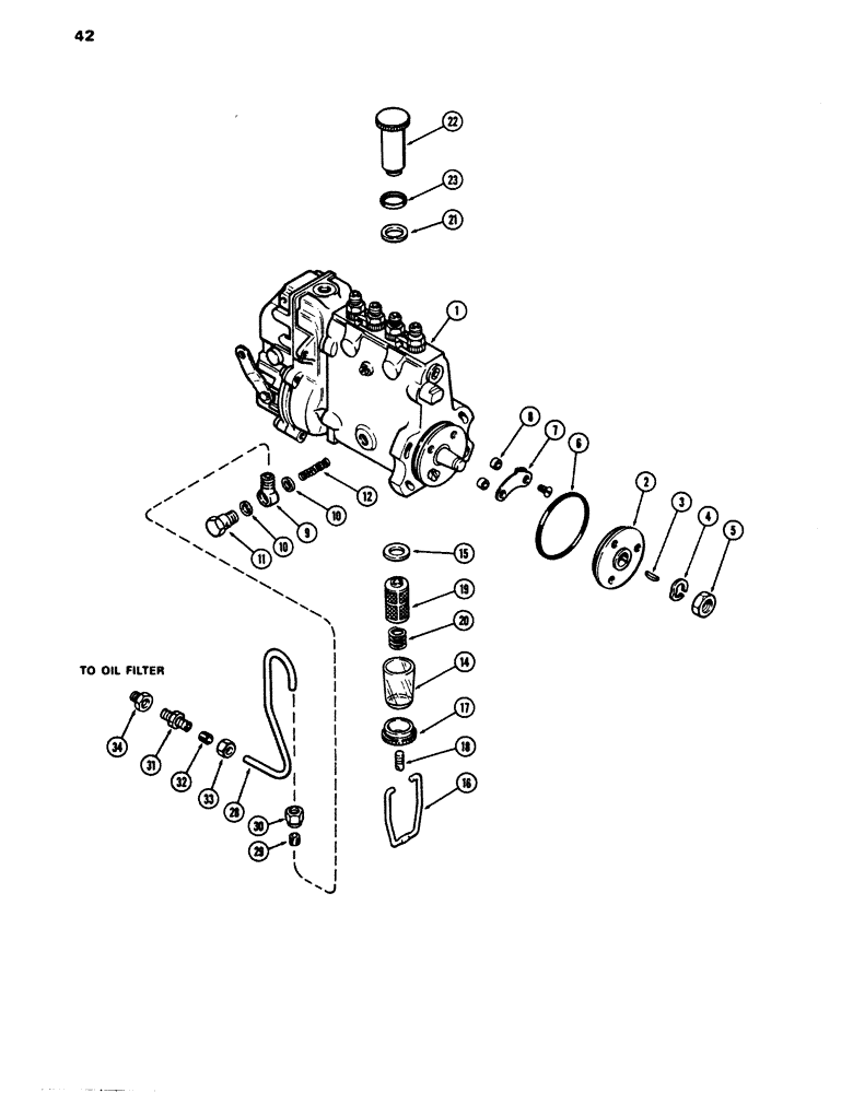
1

A64993

PUMP

ASSY. - fuel injection, Includes: Ref. 2 - 23

1шт.

Prior to Engine Serial No. 2569948 fuel injection pumps did not have a hand primer. Use A64993 fpr repairs.

1шт.

2

A41853

HUB

- pump drive

1шт.

3

A20933

KEY

-, Serial Range: hub-shaft

1шт.

4

A42312

LOCK WASHER

- lock, hub

1шт.

5

A42313

NUT

- hub retaining

1шт.

6

A41856

O-RING,3mm Thk x 75mm ID

- pump sealing (2-15/16 x 3-3/16 x 1/8")

1шт.

7

A41854

INDICATOR

POINTER - hub adjustment

1шт.

8

A41855

BUSHING

SPACER - pointer

5шт.

9

A25192

BANJO BOLT

BOLT - oil tube fitting

1шт.

10

A22381

WASHER

- banjo fitting (copper)

2шт.

11

A25191

FITTING

- banjo, oil tube

1шт.

12

A25190

SPRING

- oil tube fitting

1шт.

14

A43347

BOWL

- filter (glass)

1шт.

15

A43346

GASKET

- bowl

1шт.

16

A43350

CLAMP

BAIL - bowl

1шт.

17

A43348

NUT

BAILNUT - bowl retaining

1шт.

18

A43349

STUD

- bailnut lock

1шт.

19

A43344

FILTER, ELEMENT

ELEMENT - filter

1шт.

20

A43345

SPRING

- element tension

1шт.

21

A43351

SEAL

- port (copper)

1шт.

22

A43343

CARTRIDGE

PRIMER ASSY. - hand pump, Includes: Ref. 23

1шт.

23

A45342

GASKET

- hand primer (Replaces A44761)

1шт.

28

A58775

TUBE

- oil filter to injection pump

1шт.

29

222-102

SLEEVE,1/4" Tube

1шт.

30

87017024

TUBE NUT,1/2"-24

NUT - (for 1/4" tube)

1шт.

31

222-23

FITTING,1/2"-24 x 1/4" NPTF w/Nut

CONNECTOR ASSY. - oil tube (at oil filter base), Includes: Ref. 32 and 33

1шт.

32

222-102

SLEEVE,1/4" Tube

1шт.

33

87017024

TUBE NUT,1/2"-24

NUT - (for 1/4" tube)

1шт.

34

221-86

REDUCER,Hex, 3/8" x 1/4" NPT

BUSHING - reducer (3/8" P.T. to 1/4" P.T.)

1шт.

Выбрано товаров: 30