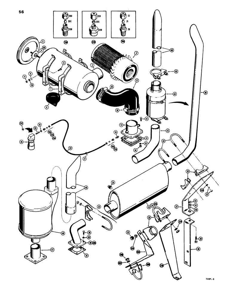
Запчасти Case 680E (056) - AIR CLEANER AND MUFFLER (10) - ENGINE

Схема запчастей Case 680E - (056) - AIR CLEANER AND MUFFLER (10) - ENGINE
FIT
1:1
100%

Артикул

Название

Примечание

Количество

1

L55408

CLEANER

AIR CLEANER - dry type, not illustrated assembled, Includes: Ref. 2 - 6

1шт.

2

NSS

NOT SOLD SEPARAT

BODY - air cleaner

1шт.

3

L35975

AIR CLEANER

ELEMENT - air cleaner

1шт.

4

E73655

BOLT

- retainer, element

1шт.

E73655 retainer bolt - This bolt includes a NSS wing nut.

1шт.

4a

L36187

WASHER

- sealing, retainer bolt

1шт.

L36187 sealing washer - This is a

1шт.

Metal backed sealing washer to be used for service in place of original plastic washer on wing nut assy. (refer to CE Service Bulletin 12-78)

1шт.

5

L35976

COVER

- air cleaner element

1шт.

6

D71455

LOCK VALVE

VALVE - vacuater

1шт.

7

70973

BRACKET

BAND - mounting, air cleaner

2шт.

8

13-512

BOLT,Hex, 5/16" - 18 x 3/4", Gr 5

4шт.

9

95-5

WASHER,3/8" x 7/8" x .083"

- flat, 5/16"

4шт.

10

92-5

LOCK WASHER,5/16"

4шт.

11

9635082

NUT,5/16" - 18, Gr 5

- hex, 5/16" - 18 NC

4шт.

12

L55258

ADAPTER - air cleaner to manifold, used before tractor sn. 9121647

1шт.

12

L73780

ADAPTER - air cleaner to manifold, used on tractor sn. 9121647 and after

1шт.

13

A58910

GASKET

-, Serial Range: adapter-manifold

2шт.

14

13-628

BOLT,Hex, 3/8" - 16 x 1-3/4", Gr 5

4шт.

15

92-6

LOCK WASHER,3/8"

4шт.

16

25-106

NUT,3/8"-16, G5

- hex, 3/8" - 16 NC

4шт.

17

L55254

HOSE ASSY.

HOSE - air cleaner

1-2шт.

On tractors with extra parts added for noise reduction, two L55254 hoses are used. One is used as illustrated, and the other is used to extend the air intake opening on the air cleaner.

1шт.

18

214-264

HOSE CLAMP,#52, 2.81" - 3.75", Type F Worm

CLAMP - hose

2-3шт.

19

D36264

FITTING

- special, filter type

1шт.

19a

222-681

FITTING,5/16"-24 x 1/8" NPT Fem, Comp

ASSEMBLY - tube, for service order 222-5131 connector

2шт.

20

NSS

NOT SOLD SEPARAT

FITTING - body

1шт.

21

222-650

SLEEVE,1/8" Tube, Comp

1шт.

22a

222-5131

COUPLING, BREAK AWAY

FITTING ASSEMBLY - tube, Includes: Ref. 22B, 22C, 22D

1-2шт.

22b

NSS

NOT SOLD SEPARAT

FITTING - body, order 222-5131

1шт.

22c

NSS

NOT SOLD SEPARAT

SLEEVE - compression, order 222-5131

1шт.

22d

NSS

NOT SOLD SEPARAT

NUT - tube, order 222-5131

1шт.

23

D36961

TUBE

- gauge to air intake tube

1шт.

D36961 tube - This is a 42" tube which is no longer available as service. Order A138483 (99" and cut to length), L60539X (14' roll sold by ft. and cut to length) or S118583X (25' roll sold by ft. and cut to length).

1шт.

24

L13268

LOCK NUT

- lock, nipple retaining, used before tractor sn. 9122224

1шт.

25

L13267

NIPPLE - gauge to coupling, used before tractor sn. 9122224

1шт.

25a

222-600

FITTING,5/16"-24 x 1/8 NPT, Comp

ASSEMBLY - at gauge, used on tractor sn. 9122224, Includes: Ref. 25B, 25C, 25D

1шт.

25b

NSS

NOT SOLD SEPARAT

FITTING - body

1шт.

25c

222-650

SLEEVE,1/8" Tube, Comp

1шт.

25d

222-660

FLANGE NUT,5/16"-24, 45 Degree Fl, Comp

1шт.

25e

195-26

WASHER

WASHER - used with 222-600 fitting only

1шт.

26

A17652

ELECTRICAL GAUGE

GAUGE - air cleaner restriction

1шт.

27

515-2363

CLAMP,M6.3, Insul, 3/8" Bolt

- to hood bracket, if used

1шт.

28

13-616

BOLT,Hex, 3/8" - 16 x 1", Gr 5, Full Thd

4шт.

29

92-6

LOCK WASHER,3/8"

4шт.

30

L57839

ADAPTER

- muffler to manifold, used before tractor sn. 9127796

1шт.

30a

L78911

ADAPTER

- muffler to manifold, used on tractor sn. 9127796 and after

1шт.

31

L14218

MANIFOLD GASKET

- muffler, Serial Range: adapter-manifold

1шт.

32

A13240

CLAMP,2-5/8" ID

- muffler to exhaust pipe and adapter

3шт.

33

L55720

MUFFLER

- exhaust, early production, 23-3/16" (588.9 mm) long, if used

1шт.

34

L58969

MUFFLER - exhaust, spark arresting type, early production, 23-3/16" (588.9 mm) long, if used, Includes: Ref. 35

1шт.

Part nbr no longer available. Order part nbr D45256.

1шт.

35

NH772441

PLUG,Sq Hd, 3/8" NPTF, Brass

- pipe, brass, 1/2" NPT

1шт.

35a

L73117

MUFFLER

- exhaust, late production, 22-11/16" (576.2 mm) long

1шт.

36

L57841

PIPE CLAMP

PIPE - exhaust, standard

1шт.

37

L58994

PLATE - support, muffler, use before tractor sn. 9127796

1шт.

37a

L78909

STRAP - exhaust pipe, used on tractor sn. 9127796

1шт.

38

L58993

STRAP - exhaust pipe, use before tractor sn. 9127796

1шт.

38a

L78889

BRACKET - exhaust support, used on tractor 9127796 and after

1шт.

38b

A56092

CLAMP

- L78889 bracket to manifold, includes nuts

1шт.

38c

92-6

LOCK WASHER,3/8"

2шт.

39

13-824

BOLT,Hex, 1/2" - 13 x 1-1/2", Gr 5, Full Thd

1шт.

40

95-8

WASHER,1/2"

flat 1/2"

1шт.

41

92-8

LOCK WASHER,1/2"

1шт.

42

25-108

NUT,1/2"-13, G5

- hex, 1/2" - 13 NC

1шт.

43

L70064

PIPE

- exhaust, lower, used with vertical spark arrester

1шт.

44

D45256

MUFFLER,W/ Spark Arrester

ARRESTER - spark, included one clamp, used with vertical

1шт.

45

A13240

CLAMP,2-5/8" ID

- arrester to pipe, used with vertical spark

1шт.

46

L70063

PIPE

- exhaust, upper, used with vertical spark arrester

1шт.

47

L72680

TUBE NUT

ADAPTER - muffler to manifold, used with noise control

1шт.

48

L70100

MUFFLER

- increased noise control, used with

1шт.

49

L70511

PIPE CLAMP

PIPE - exhaust, used with L70100 muffler, noise control

1шт.

Выбрано товаров: 72