Запчасти Case 680E (138) - TRANSMISSION AND RELATED PARTS (21) - TRANSMISSION

Схема запчастей Case 680E - (138) - TRANSMISSION AND RELATED PARTS (21) - TRANSMISSION
FIT
1:1
100%

Артикул

Название

Примечание

Количество

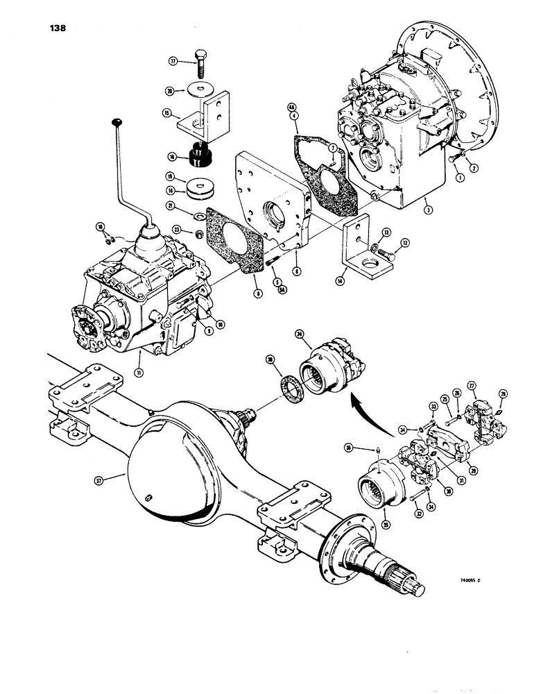
1

13-616

BOLT,Hex, 3/8" - 16 x 1", Gr 5, Full Thd

Transmission to flywheel housing Hex, 3/8"-16 x 1", G5, Full Thd

12шт.

2

92-6

LOCK WASHER,3/8"

12шт.

3

REF

INSTRUCTION

TRANSMISSION ASSEMBLY - forward and reverse, parts list figures 142 thru 162

1шт.

4

L47759

GASKET

- forward-reverse transmission to adapter plate, before transmission sn. 75001

1шт.

4a

D72754

GASKET

- forward - reverse transmission to adapter plate, transmission sn. 75001 and after

1шт.

5

CASL35545

CAPSCREW

SCREW - sealing, special, before trans. sn. 75001

9шт.

5a

165-168

HEX SOC SCREW,Prev Torque, 5/16" - 18 x 1 1/2"

SCREW - hex., socket head, 5/16" - 18 NC x 1-1/2", trans. sn. 75001 and after

9шт.

165-168 screws - Refer to CE Service Bulletin 4-80 of 12/19/80 for solution to part nbr 165-168 bolts working loose and/or breaking. Also change description on Ref. 5A to "allan head" screw.

1шт.

6

D78400

ADAPTER

PLATE - adapter, forward-reverse to four speed transmission

1шт.

D78400 transmission adapter plate

1шт.

Part nbr L36189 stop block kit (now subs to primes) was released to correct failure of adapter plate when subjected to heavy shock loads. (Refer to CE Service Bulletin 83-78 of 11/28/78 and Service Bulletin U40-78).

1шт.

This stop block was adopted in production as part nbr L100079 with SN 9128271 and after.

1шт.

7

138-127

LOCK PIN,1/4" x 1/2", Slotted

PIN, , If used 1/4" x 1/2", Slotted

1шт.

8

D71460

GASKET,2.31mm Thk

- adapter plate to four speed transmission

1шт.

9

13-924

BOLT,Hex, 9/16" - 12 x 1-1/2", Gr 5

HHCS - 9/16" - 12 NC x 1-1/2"

1шт.

9

13-928

BOLT,Hex, 9/16" - 12 x 1-3/4", Gr 5

HHCS - 9/16" - 12 NC x 1-3/4"

3шт.

10

92-9

BEARING WASHER,9/16"

4шт.

11

L54268

TRANSMISSION

ASSEMBLY - four speed, figure 166 thru 172

1шт.

12

26-1036

BOLT,Hex, 5/8" - 11 x 2-1/4", Gr 8

HHCS - 5/8" - 11 NC x 2-1/4", grade 8

4шт.

13

NLS

NO LONGER SERVICED

- hardened, 5/8"

4шт.

14

L55862

BRACKET

- mounting, adapter plate to chassis R.H.

1шт.

15

L55863

BRACKET

- mounting, adapter plate to chassis L.H.

1шт.

16

S93392

MOUNTING PARTS

CUSHION - rubber, transmission

2шт.

17

13-1264

BOLT,Hex, 3/4" - 10 x 4", Gr 5

2шт.

18

L50197

SHIM

- 16 gauge

1шт.

19

L50194

SHIM

- 12 gauge

1шт.

20

A19068

WASHER

- special, rubber mount

2шт.

21

95-12

WASHER,3/4"

- flat, 3/4"

2шт.

23

131-1205

LOCK NUT,3/4"-10, GC

NUT, LOCK, 3/4"-10, GC

2шт.

24

L59905

SHAFT

DRIVE SHAFT ASSEMBLY - four speed transmission to rear axle, includes Refs 25 thru 36

1шт.

25

L31781

BOLT

BOLT - special, front spider and bearing to four speed transmission, 3/8" - 24 NF x 1-7/8"

4шт.

26

192-161

LOCK WASHER,3/8"

WASHER, LOCK, 3/8"

4шт.

L32423

KIT

SPIDER AND BEARING ASSEMBLY - front

1шт.

27

NSS

NOT SOLD SEPARAT

SPIDER AND BEARING - front

1шт.

28

219-1

LUBE NIPPLE,1/8" - 27 NPTF

FITTING - grease, straight, 1/8" NPT

1шт.

29

L48345

PLATE

COUPLING - center, spider and bearing

1шт.

L31776

SPIDER

SPIDER AND BEARING ASSEMBLY - rear, Includes: Ref. 30 and 31

1шт.

30

NSS

NOT SOLD SEPARAT

SPIDER AND BEARING - rear

1шт.

31

219-1

LUBE NIPPLE,1/8" - 27 NPTF

FITTING - grease, straight, 1/8" NPT

1шт.

32

28-648

BOLT,Hex, 3/8" - 24 x 3", Gr 8

- special, rear spider and bearing assemblies to center coupling, 3/8" - 24 NF x 3"

4шт.

33

L33426

SCREW

BOLT - special, rear spider and bearing splined to yoke, 3/8" - 24NF x 1-2/4"

4шт.

34

192-161

LOCK WASHER,3/8"

WASHER, LOCK, 3/8"

8шт.

35

D65185

YOKE

- splined, to rear axle

1шт.

35a

41-51

PLUG,Exp, 3 3/16"

- expansion, not shown

1шт.

A42653 key - If this key does not work, use D83205 key.

1шт.

For service use L109871 solenoid and A31060 ground wire for starting circuit, cab circuit uses S219533 solenoid.

1шт.

36

219-1

LUBE NIPPLE,1/8" - 27 NPTF

FITTING - grease, straight, 1/8" NPT

1шт.

37

REF

INSTRUCTION

AXLE ASSEMBLY - rear drive, parts list figures 176 thru 218

1шт.

38

L48498

SEAL

- drive shaft, at splined yoke

1шт.

Выбрано товаров: 49