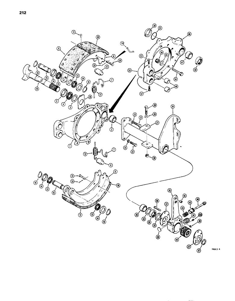
Запчасти Case 680E (212) - L72035 AND L74029 REAR AXLE, REAR BRAKES AND ADJUSTERS, FIND (27) - REAR AXLE SYSTEM

Схема запчастей Case 680E - (212) - L72035 AND L74029 REAR AXLE, REAR BRAKES AND ADJUSTERS, FIND (27) - REAR AXLE SYSTEM
FIT
1:1
100%

Артикул

Название

Примечание

Количество

L72035

AXLE ASSEMBLY - complete, rear, PR65-PX-11/17.44-1, Includes: Ref. 1 - 34

1шт.

L74029

AXLE ASSEMBLY - complete, rear, PR65-PX-13/17.44-1, Includes: Ref. 1 - 34

1шт.

L35561

DIFF. SPIDER

SPIDER ASSEMBLY - brake mounting, order L76714 kit or its components for service, see Refs. 46 thru 56, Includes: Ref. 1 - 5

2шт.

1

NSS

NOT SOLD SEPARAT

SPIDER - brake

1шт.

2

L35560

BUSHING

- cam

1шт.

3

L35559

RETAINER

- seal

1шт.

4

L31689

FELT

SEAL - oil

1шт.

5

L31690

RETAINER

- seal

1шт.

L35563

SHOE (ASSY)

SHOE AND LINING ASSEMBLY - brake, Includes: Ref. 6 - 11

4шт.

6

NSS

NOT SOLD SEPARAT

SHOE - brake

1шт.

7

L35589

RETAINER

- roller

1шт.

8

L35590

ROLLER

- shoe, cam follower

1шт.

9

NSS

NOT SOLD SEPARAT

LINING - shoe, anchor end

1шт.

10

NSS

NOT SOLD SEPARAT

LINING - shoe, cam end

1шт.

11

L35591

RIVET

- brake lining

16шт.

This is part nbr L35588 anchor pin and is an alternate to Ref. 31, if used.

1шт.

12

L35564

VALVE SPRING

SPRING - return, brake shoe L72035 axle only

4шт.

12a

D73640

VALVE SPRING

SPRING - return, brake shoe, L74029 axle only, not shown

2шт.

13

L35566

FELT

- anchor pin

8шт.

14

L35567

CAP

RETAINER - felt

8шт.

15

L35565

AXLE PIN

PIN - anchor, brake shoe

4шт.

16

L35960

VALVE SPRING

RETAINER - spring type

8шт.

18

L35961

SHAFT

CAM AND SHAFT - L.H. brake adjustment, not shown

1шт.

19

L35962

SHAFT

CAM AND SHAFT - R.H. brake adjustment

1шт.

20

L35706

WASHER

- flat, cam head

2шт.

21

R13338

SNAP RING,#150, Ext

RING - lock, cam groove

2шт.

22

26-824

BOLT,Hex, 1/2" - 13 x 1-1/2", Gr 8

8шт.

23

92-8

LOCK WASHER,1/2"

8шт.

L35958

BRACKET ASSEMBLY - mounting L.H. brake chamber, not shown, Includes: Ref. 24 - 26

1шт.

P35959

BUSHING

BRACKET ASSEMBLY - mounting, R.H. brake chamber, Includes: Ref. 24 - 26

1шт.

24

NSS

NOT SOLD SEPARAT

BRACKET - mounting, brake chamber, R.H. or L.H.

1шт.

25

D71280

SEAL ASSY.

SEAL - oil

1шт.

26

L35560

BUSHING

- cam and shaft

1шт.

27

L35577

PLATE ASSY.

LUG - mounting, chamber bracket, welded to axle housing

2шт.

28

26-928

BOLT,Hex, 9/16" - 12 x 1-3/4", Gr 8

HHCS - 9/16" - 12 NC x 1-3/4", grade 8

2шт.

29

L35578

WASHER

- special

2шт.

30

25-109

NUT,9/16"-12, G5

- hex., 9/16" - 12 NC

2шт.

31

L35705

AXLE PIN

PIN - anchor

4шт.

32

L35573

WASHER

- flat

4шт.

33

132-28

COTTER PIN,3/32" x 1"

Pin, Split (Cotter), 3/32" x 1"

4шт.

34

S89827

GASKET

- bracket, not shown

2шт.

D66415

BRAKE LINE

KIT - brake linings and rivets, for two wheels

1шт.

L72035

AXLE ASSEMBLY - complete, rear, PR65-PX-11/17.44-1, Includes: Ref. 35 - 45

1шт.

L74029

AXLE ASSEMBLY - complete, rear, PR65-PX-13/17.44-1, Includes: Ref. 35 - 45

1шт.

L35572

ADJUSTER

- slack, brake shoe

2шт.

L35572 adjuster - Only the zerk and bushing

1шт.

May be serviced on the welded version.

1шт.

35

NSS

NOT SOLD SEPARAT

BODY - adjuster

1шт.

36

L35598

RIVET

- adjuster body

10шт.

34

L35600

COVER ASSY

COVER - adjuster gear

2шт.

38

41-10

PLUG

- welch, body

1шт.

39

L35597

AXLE PIN

PIN - lock

1шт.

40

L35594

SHAFT

- drive, worm gear

1шт.

41

35595

DRIVING SPROCKET

GEAR - drive, worm

1шт.

42

L35593

LOCK ASSY

LOCK - worm gear shaft

1шт.

43

L35592

VALVE SPRING

SPRING - lock, worm

1шт.

44

L35601

GEAR WHEEL

GEAR - worm, splined, driven

1шт.

45

L35602

BUSHING

- adjuster body

2шт.

45a

219-1

LUBE NIPPLE,1/8" - 27 NPTF

FITTING - grease, straight, 1/8" NPT

4шт.

L76714

BRAKE

KIT - repair, brake spider, Includes: Ref. 46 - 51

1шт.

D77556

U-JOINT SPIDER

SPIDER ASSEMBLY - brake mounting, Replaces L77556, Includes: Ref. 46 - 51

2шт.

46

NSS

NOT SOLD SEPARAT

SPIDER - brake

1шт.

47

L35560

BUSHING

- cam

1шт.

48

D77629

BUSHING

- brake pin

2шт.

49

D71280

SEAL ASSY.

SEAL - oil

1шт.

50

D77627

RETAINER

- oil seal

1шт.

51

D77626

O-RING

1шт.

52

A15983

BOLT,M10 x 1.25 x 40mm, Cl 10.9

SCREW - lock, anchor pin

4шт.

53

391-751

ELECTRICAL WIRE

WIRE - lock, anchor pin lock screw

2шт.

54

D77557

BOLT

- 9/16" - 18 NC x 2", grade 9

20шт.

D77557 bolt - Should be fine thread.

1шт.

55

L35223

HUB CAP

WASHER - flat, 9/16", special

20шт.

56

D77558

NUT

- hex. lock, 9/16" - 18 NC, grade 9

20шт.

Выбрано товаров: 73