Запчасти Case 680E (276) - EQUIPMENT HYDRAULIC CIRCUIT, RETURN LINES, TRACTOR SN (35) - HYDRAULIC SYSTEMS

Схема запчастей Case 680E - (276) - EQUIPMENT HYDRAULIC CIRCUIT, RETURN LINES, TRACTOR SN (35) - HYDRAULIC SYSTEMS
FIT
1:1
100%

Артикул

Название

Примечание

Количество

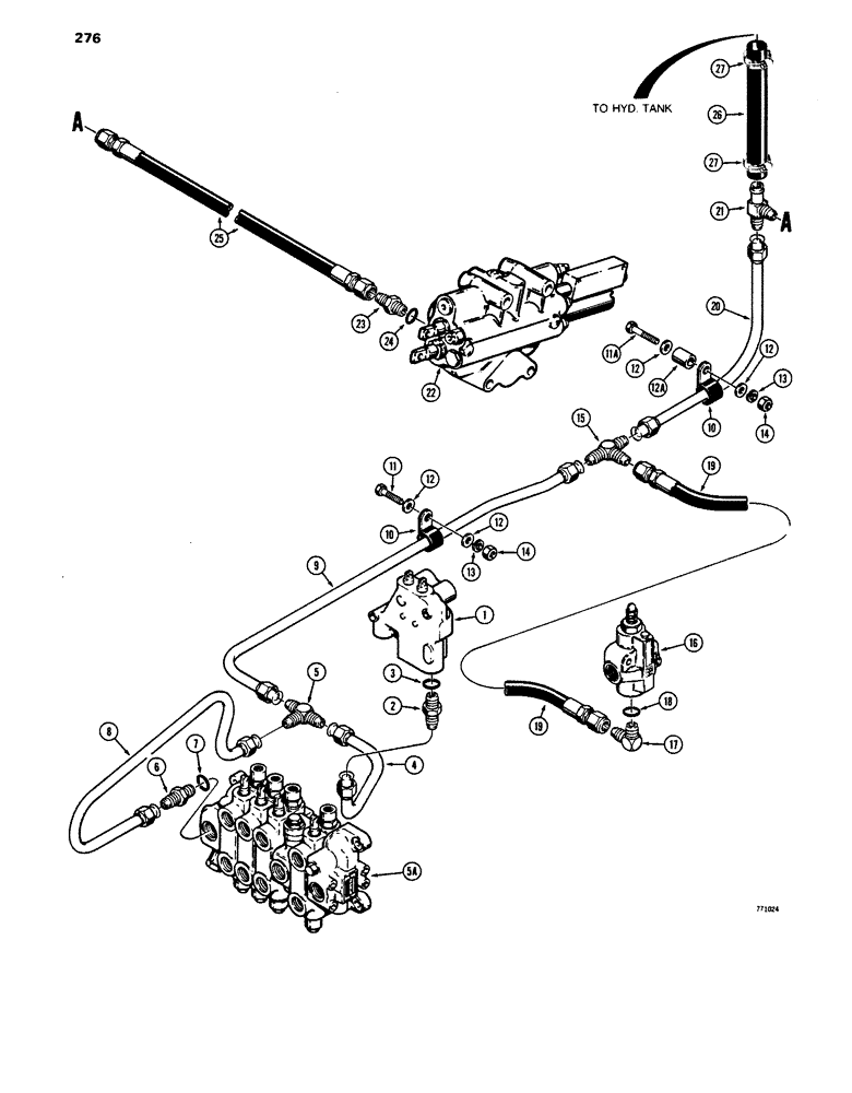
1

D62348

VALVE

- control, stabilizer, figure 312

1шт.

2

218-5068

FITTING - straight, male, Includes: Ref. 3

1шт.

3

218-5008

O-RING,0.116" Thk x 0.924" ID, -912, Cl 6, 90 Duro

- fitting

1шт.

4

L77532

TUBE,0.75" OD

- return, from stabilizer valve

1шт.

5

218-1576

TEE,37 Degree, 1 5/8"-12 x 1 1/16"-12, Run

FITTING - valve, return, 3-way

1шт.

5a

REF

INSTRUCTION

VALVE - backhoe control, see page 301

1шт.

6

218-5069

HYD CONNECTOR,1-5/16" - 12 Male JIC x 1-5/16" - 12 Male ORB

CONNECTOR, HYD., , Male, Straight, Incl. Ref. 7 1 5/16"-12, 37º x 1 5/16"-12, O-Ring

1шт.

7

218-5010

O-RING,0.116" Thk x 1.171" ID, -916, Cl 6, 90 Duro

- fitting

1шт.

8

L77541

TUBE,1" OD

- return, from backhoe valve

1шт.

9

L77082

TUBE,1.25" OD x 35.97, 6.14" L

- return, from backhoe and stabilizer valves

1шт.

10

R17416

CLAMP

- tube

2шт.

11

13-824

BOLT,Hex, 1/2" - 13 x 1-1/2", Gr 5, Full Thd

Rear clamp only Hex, 1/2"-13 x 1 1/2", G5, Full Thd

1шт.

11a

13-836

BOLT,Hex, 1/2" - 13 x 2-1/4", Gr 5

HHCS - 1/2" - 13 NC x 2-1/4" front clamp only

1шт.

12

95-8

WASHER,1/2"

flat 1/2"

4шт.

12a

D37548

SLEEVE

SPACER - front clamp only

1шт.

13

92-8

LOCK WASHER,1/2"

2шт.

14

25-108

NUT,1/2"-13, G5

- hex., 1/2" - 13 NC

2шт.

15

218-1577

TEE,37 Degree, 1 5/8"-12 x 1 1/16"-12, Br

FITTING - tee

1шт.

16

REF

INSTRUCTION

VALVE - relief, see figure 332 for proper valve

1шт.

17

218-5108

ELBOW,90 Degree Elbow, 1-1/16" - 12 Male JIC x 1-1/16" - 12 Male ORB

FITTING - 90 deg., relief valve outlet, Incl. Ref. 18

1шт.

18

218-5008

O-RING,0.116" Thk x 0.924" ID, -912, Cl 6, 90 Duro

- fitting

1шт.

19

L77088

HOSE ASSY.

HOSE - return, from relief valve, 34" (864 mm) long

1шт.

20

L77091

TUBE,1.25" OD x 13.33, 10.97" L

- to reservoir

1шт.

21

L77083

BLOCK

- junction, return lines

1шт.

22

REF

INSTRUCTION

VALVE - loader control, see figures 298 and 300 for proper valve

1шт.

23

218-5064

HYD CONNECTOR,1-1/16" - 12 Male JIC x 1-1/16" - 12 Male ORB

FITTING - straight, male, Incl. Ref. 24

1шт.

24

218-5008

O-RING,0.116" Thk x 0.924" ID, -912, Cl 6, 90 Duro

- fitting

1шт.

25

L77087

HOSE

- return, loader valve, 20"

1шт.

26

L77084

HOSE ASSY.

HOSE - at tank, 1-1/4" (32 mm) I.D. x 11-1/2" (292 mm)

1шт.

27

214-257

HOSE CLAMP,#24, 1.06" - 2", Type F Worm

2шт.

Выбрано товаров: 30