Запчасти Case 580F (20) - AXIAL BACKHOE - BOOM LOCK HYDRAULICS STARTING FROM NO. 3.826.344

Схема запчастей Case 580F - (20) - AXIAL BACKHOE - BOOM LOCK HYDRAULICS STARTING FROM NO. 3.826.344
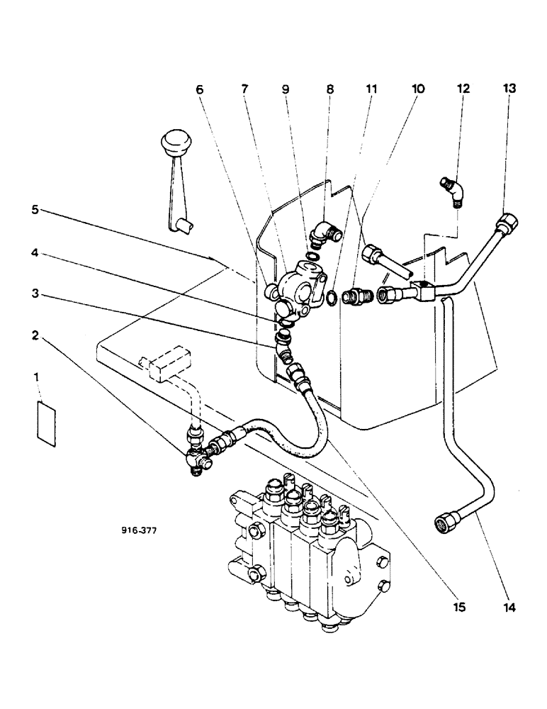
4
7
1
10
14
15
5
8
9
11
12
13
2
3
6
FIT
1:1
100%

Артикул

Название

Примечание

Количество

1

321-3616

DECAL French

1шт.

2

D69651

TEE

1шт.

3

218-5145

ELBOW,45 Degree Elbow, 7/8" - 14 Male JIC x 3/4" - 16 Male ORB

1шт.

5

13-648

BOLT,Hex, 3/8" - 16 x 3", Gr 5

2шт.

92-6

LOCK WASHER,3/8"

2шт.

25-106

NUT,3/8"-16, G5

2шт.

6

D67696

BUSHING

1шт.

7

D56102

VALVE

1шт.

8

218-5108

ELBOW,90 Degree Elbow, 1-1/16" - 12 Male JIC x 1-1/16" - 12 Male ORB

1шт.

9

218-5008

O-RING,0.116" Thk x 0.924" ID, -912, Cl 6, 90 Duro

1шт.

10

218-5064

HYD CONNECTOR,1-1/16" - 12 Male JIC x 1-1/16" - 12 Male ORB

1шт.

11

218-5008

O-RING,0.116" Thk x 0.924" ID, -912, Cl 6, 90 Duro

1шт.

12

218-533

ELBOW,45 Degree, 9/16-18" 37 Degree x 1/4"-18, NPTF

1шт.

13

E42068

TUBE

1шт.

14

E40240

TUBE

1шт.

15

D69650

HOSE

1шт.

4

218-5006

O-RING,0.087" Thk x 0.644" ID, -908, Cl 6, 90 Duro

1шт.

Выбрано товаров: 17