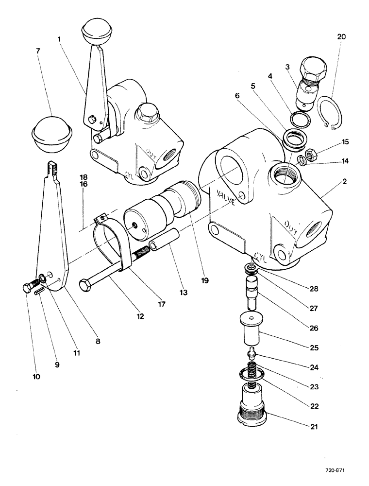
Запчасти Case 580F (230) - BOOM LOCKOUT VALVE (35) - HYDRAULIC SYSTEMS

Схема запчастей Case 580F - (230) - BOOM LOCKOUT VALVE (35) - HYDRAULIC SYSTEMS
5
3
21
23
28
16
12
1
26
19
7
9
18
2
15
11
4
20
6
25
22
13
14
27
17
24
10
8
FIT
1:1
100%

Артикул

Название

Примечание

Количество

1

D56102

VALVE

Cessna, Includes: Ref. 2-28

1шт.

2

NSS

NOT SOLD SEPARAT

BODY

1шт.

3

D56470

VALVE

Includes: Ref. 4

1шт.

4

F9857

O-RING,0.103" Thk x 1.049" ID, -121, Cl 5, 75 Duro

1шт.

5

D56469

BACK-UP RING

1шт.

6

A7464

O-RING,0.103" Thk x 1.11" ID, -122, Cl 5, 75 Duro

1шт.

7

D56472

KNOB

1шт.

8

D56458

HANDLE

1шт.

9

D56881

PIN

1шт.

10

13-510

BOLT,Hex, 5/16" - 18 x 5/8", Gr 5, Full Thd

1шт.

11

92-5

LOCK WASHER,5/16"

1шт.

12

13-558

BOLT,Hex, 5/16" - 18 x 3-5/8", Gr 5

1шт.

13

D56460

BUSHING

1шт.

14

92-5

LOCK WASHER,5/16"

1шт.

15

25-145

JAM NUT,Jam, 5/16"-18, G5

1шт.

16

182-48

SCREW,Sl Pan Hd, #6 - 32 x 3/4"

1шт.

17

D56467

CLAMP

1шт.

18

131-150

LOCK NUT,#6-32, GA

1шт.

19

D56465

SHAFT

1шт.

20

F62020

SNAP RING,#125, Ext

#125, Ext

1шт.

21

D56461

PLUG

1шт.

22

A35104

O-RING,0.103" Thk x 0.862" ID, -118, Cl 5, 75 Duro

1шт.

23

D56462

SPRING

1шт.

24

D56464

PLUNGER

SPARE PART VALVE

1шт.

25

D56463

PLUNGER

SEAT

1шт.

26

D56466

PLUNGER

SPARE PART

1шт.

27

A30825

O-RING,0.364" ID x 0.504" OD x 0.07"

1шт.

28

L31330

BACK-UP RING,109mm ID x 128.81mm OD x 12mm Thk

1шт.

Выбрано товаров: 28