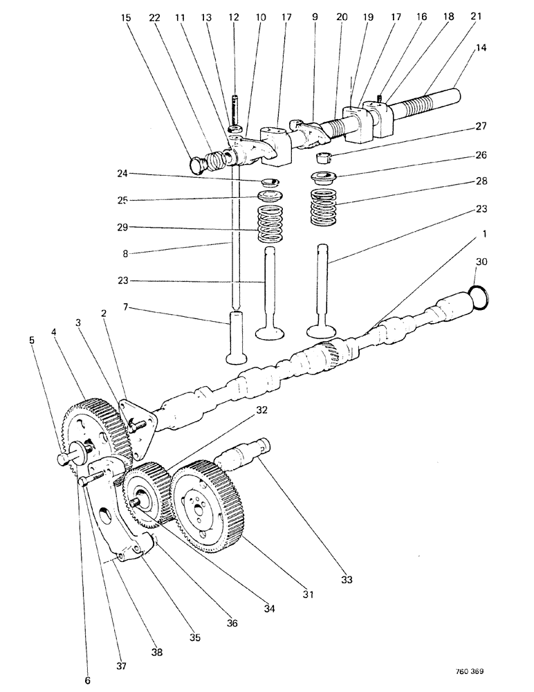
Запчасти Case 580F (008) - ENGINE, VALVE AND TIMING GEARS (10) - ENGINE

Схема запчастей Case 580F - (008) - ENGINE, VALVE AND TIMING GEARS (10) - ENGINE
1
30
14
9
19
8
18
24
28
35
16
20
6
38
4
21
3
2
37
27
12
23
22
32
15
25
26
13
7
23
17
11
5
29
36
34
33
17
31
10
FIT
1:1
100%

Артикул

Название

Примечание

Количество

1

K921769

CAMSHAFT

1шт.

2

K902015

PLATE

locating

1шт.

3

K602885

HARDWARE

SETSCREW

3шт.

192-20

LOCK WASHER,Helical Spring, 0.318" ID, CST, ZND

3шт.

4

K945097

GEAR

68 teeth

1шт.

126-15

WOODRUFF KEY,#8, 5/32" x 3/4"

1шт.

5

K600700

BOLT

1шт.

6

K66382

WASHER

1шт.

7

K901137

TAPPET

TAPPET

8шт.

8

K902035

ROD

push

8шт.

9

K961052

ROCKER

valve, R.H.

4шт.

K11060

BUSHING

2шт.

10

K961053

ROCKER

valve, L.H.

4шт.

11

K11060

BUSHING

2шт.

12

K900413

ADJUSTMENT SCREW,3/8" - 16 x 1 1/8"

8шт.

13

25-146

JAM NUT,Jam, 3/8"-16, G5

Lock

8шт.

14

K909622

SHAFT

1шт.

15

K19590

PLUG

2шт.

16

K606051

SET SCREW,5/16" - 18 x 1/2"

locating

1шт.

17

K921431

BRACKET

3шт.

18

K921432

BRACKET

1шт.

19

13-742

BOLT,Hex, 7/16" - 14 x 2-5/8", Gr 5

4шт.

92-7

LOCK WASHER,7/16"

4шт.

K19473

WASHER

4шт.

20

K11017

SPRING

locating

2шт.

21

K11034

SPRING

locating

1шт.

22

K11018

SPRING

locating

2шт.

23

K928622

STD INLET VALVE

STD ENGINE INLET VALVE

8шт.

23

K928986

VALVE

+ .10"

8шт.

23

K928987

VALVE

+ .20"

8шт.

24

K928623

COLLAR

CUP, inner

4шт.

25

K928624

COLLAR

CUP, outer

4шт.

26

K921437

COLLAR

VALVE CUP, inlet

4шт.

27

K943439

LOCKING DEVICE

VALVE CONE

16шт.

28

K921435

SPRING

inlet

4шт.

29

K921436

VALVE SPRING

exhaust

4шт.

30

K623523

O-RING,1.802" OD x 0.143" Width

1шт.

31

K949822

GEAR

drive, 68 teeth

1шт.

32

K946144

GEAR

47 teeth

1шт.

33

K944136

GEAR SHAFT

1шт.

34

176-511

SET SCREW,5/16"-18 x 5/16", Slotted

PLUG

2шт.

35

K904073

SUPPORT

1шт.

36

K902113

SHIM,.003" Thk

1шт.

K902114

SHIM,.010" Thk

1шт.

K908713

SHIM,.020" Thk

1шт.

37

26-532

BOLT,Hex, 5/16" - 18 x 2", Gr 8

2шт.

38

113-120

BOLT,Hex, 5/16" - 18 x 1-3/4", Gr 5

2шт.

192-20

LOCK WASHER,Helical Spring, 0.318" ID, CST, ZND

4шт.

Выбрано товаров: 48