Запчасти Case 580F (356) - CAB, HEATER AND DEFROSTER (90) - PLATFORM, CAB, BODYWORK AND DECALS

Схема запчастей Case 580F - (356) - CAB, HEATER AND DEFROSTER (90) - PLATFORM, CAB, BODYWORK AND DECALS
15
10
25
41
35
35
19
45
19
3
9
29
14
30
6
34
32
24
44
7
34
20
8
35
13
7
1
8
14
26
7
46
20
18
39
38
2
4
11
34
27
22
36
42
47
7
12
17
33
19
44
12
28
21
16
12
20
40
23
43
31
21
18
48
37
5
14
11
FIT
1:1
100%

Артикул

Название

Примечание

Количество

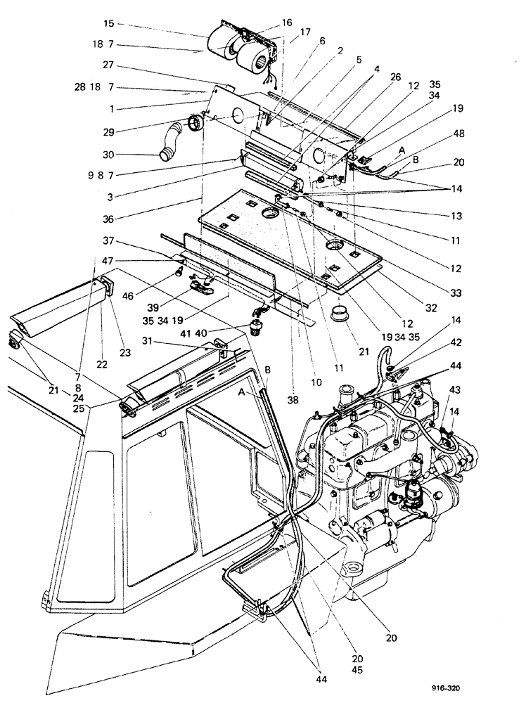
1

E41111

BRACKET

WRAPPER

1шт.

2

E41142

MOLDING

SPARE PART

2шт.

3

E41192

RADIATOR

1шт.

4

E41132

LINING

SPARE PART foam

2шт.

5

113-3

BOLT,Hex, 1/4" - 20 x 3/4", Gr 5

5шт.

6

113-28

BOLT,Hex, 1/4" - 20 x 3", Gr 5

1шт.

7

195-518

WASHER,1/4", SAE

16шт.

8

192-19

LOCK WASHER,Helical Spring, 0.256" ID, CST, ZND

4шт.

9

7770

NUT,Hex, 1/4 - 20, Cl 5

2шт.

10

E41143

LARGE HOSE

SPARE PART

1шт.

11

E41135

ADAPTER

SPARE PART

2шт.

12

D64797

GROMMET

3шт.

13

E41144

LARGE HOSE

SPARE PART

1шт.

14

214-253

HOSE CLAMP,#10, 0.56" - 1.06", Type F Worm

8шт.

15

E41193

FAN

air

1шт.

16

E41140

HARNESS

SPARE PART

1шт.

17

E38063

CLAMP

1шт.

18

131-48

LOCK NUT,1/4"-20, GB

8шт.

19

D77757

HOLDER

RECEPTACLE

7шт.

20

E40061

LARGE HOSE

HOSE,LARGE

1шт.

quantity is 1 or 2

1шт.

21

E41194

DIFFUSER

SPARE PART

1шт.

quantity is 3 or 4

1шт.

22

E41126

DUCT

SPARE PART

2шт.

23

E41133

LINING

SPARE PART foam

2шт.

24

129-409

WING NUT,1/4"-20

2шт.

25

113-112

SCREW,Hex, 5/16"-18 x 6", Stainless

2шт.

26

E41131

MOLDING

SPARE PART rubber

1шт.

27

E41141

SPARE PART

RUBBER

2шт.

28

113-4

BOLT,Hex, 1/4" - 20 x 1", Gr 5

4шт.

29

E41134

LINING

SPARE PART foam

2шт.

30

E40169

LARGE HOSE

SPARE PART

2шт.

31

E41163

GUARD

1шт.

32

E41137

LARGE PLATE

PLATE, LARGE sheet

1шт.

33

E41089

LINING

SPARE PART foam

1шт.

34

D77754

GROMMET

7шт.

35

D77755

CLAMP

STUD

7шт.

36

E41158

CABLE

SPARE PART GROUND

1шт.

37

E41138

GUARD

HEAD

1шт.

38

E41139

FOAM

SPARE PART

1шт.

39

K952776

INTERIOR LIGHT

dome, Includes: BULB

1шт.

39

K913579

BULB

shuttle

1шт.

40

E41195

SWITCH

Includes: Ref. 41

1шт.

41

E41196

KNOB

SPARE PART

1шт.

42

E40063

VALVE

1шт.

43

E40062

CONNECTOR, ELEC

CONNECTOR

1шт.

44

L18331

CABLE TIE,375.9mm L, Nylon, Black

CABLE STRAP

4шт.

45

REF

INSTRUCTION

HOSE, see Ref. 7 Figure 358

1шт.

46

E40628

OUTLET

1шт.

47

E32184

ELECTRICAL WIRE

WIRE

1шт.

48

REF

INSTRUCTION

HOSE, see Ref.5 Figure 358

1шт.

Выбрано товаров: 51