Запчасти Case 580F (358) - CAB, REMOTE CONTROL HEATER VALVE (90) - PLATFORM, CAB, BODYWORK AND DECALS

Схема запчастей Case 580F - (358) - CAB, REMOTE CONTROL HEATER VALVE (90) - PLATFORM, CAB, BODYWORK AND DECALS
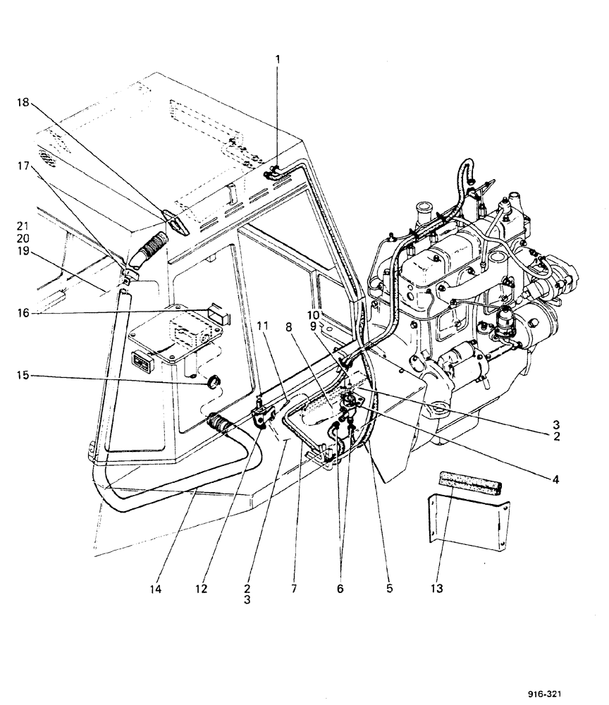
8
3
16
13
2
14
20
6
12
15
21
9
3
4
2
10
5
1
11
17
18
19
7
FIT
1:1
100%

Артикул

Название

Примечание

Количество

1

214-253

HOSE CLAMP,#10, 0.56" - 1.06", Type F Worm

2шт.

2

K603910

SCREW

2шт.

3

K952104

TRUNNION

PIN link

2шт.

4

K952100

VALVE

water metering

1шт.

5

E41912

LARGE HOSE

HOSE,LARGE

1шт.

6

214-253

HOSE CLAMP,#10, 0.56" - 1.06", Type F Worm

2шт.

7

E41913

LARGE HOSE

HOSE,LARGE

1шт.

8

182-528

SCREW,Sl Pan Hd, #10 - 32 x 1/2"

2шт.

9

193-6

LOCK WASHER,Ext Tooth, #10

2шт.

10

129-37

NUT,#10-32

2шт.

11

K952103

CABLE

flexible

1шт.

12

K952101

VALVE, CONTROL

water, Includes: KNOB

1шт.

K952783

KNOB

SPARE PART

1шт.

13

E41101

PLATE

seal

1шт.

14

E41787

HOSE

1шт.

15

214-260

HOSE CLAMP,#36, 1.81" - 2.75", Type F Worm

1шт.

16

E41789

DEFLECTOR

DIFFUSER

2шт.

17

E41788

CLAMP

3шт.

18

E41786

FOAM

1шт.

19

113-118

BOLT,Hex, 5/16" - 18 x 5/8", Gr 5

3шт.

20

192-20

LOCK WASHER,Helical Spring, 0.318" ID, CST, ZND

3шт.

21

9635082

NUT,5/16" - 18, Gr 5

3шт.

Выбрано товаров: 22