Запчасти Case 580F (048) - FUEL TANK AND FUEL LINES (10) - ENGINE

Схема запчастей Case 580F - (048) - FUEL TANK AND FUEL LINES (10) - ENGINE
16
2
7
8
1
5
3
15
18
4
12
14
11
17
10
6
7
FIT
1:1
100%

Артикул

Название

Примечание

Количество

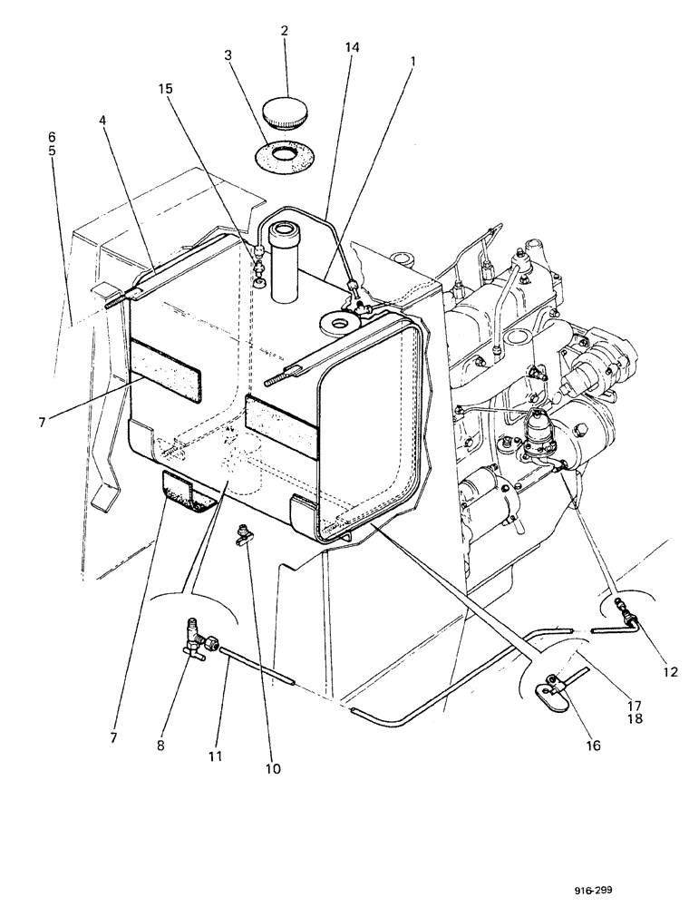
1

D75422

FUEL TANK

1шт.

2

A51390

CAP

CAP fuel tank

1шт.

3

R14780

GROMMET

1шт.

4

D68888

STRIP

2шт.

5

195-25

WASHER,3/8"

4шт.

6

25-106

NUT,3/8"-16, G5

8шт.

7

D64999

FOAM

MOUNT rubber

4шт.

8

D68887

COCK

VALVE

1шт.

10

217-81

VALVE

FITTING

1шт.

11

D68706

TUBE

1шт.

12

222-503

TUBE NUT,1/2"-20

FITTING ASSY.

1шт.

14

K950957

PIPE

1шт.

15

D73844

FITTING

1шт.

without thermostat

1шт.

16

515-2295

CLAMP,3/8", Insul, 5/16" Bolt

1шт.

17

195-18

WASHER,1/4"

1шт.

18

13-48

BOLT,Hex, 1/4" - 20 x 1/2", Gr 5

1шт.

Выбрано товаров: 17