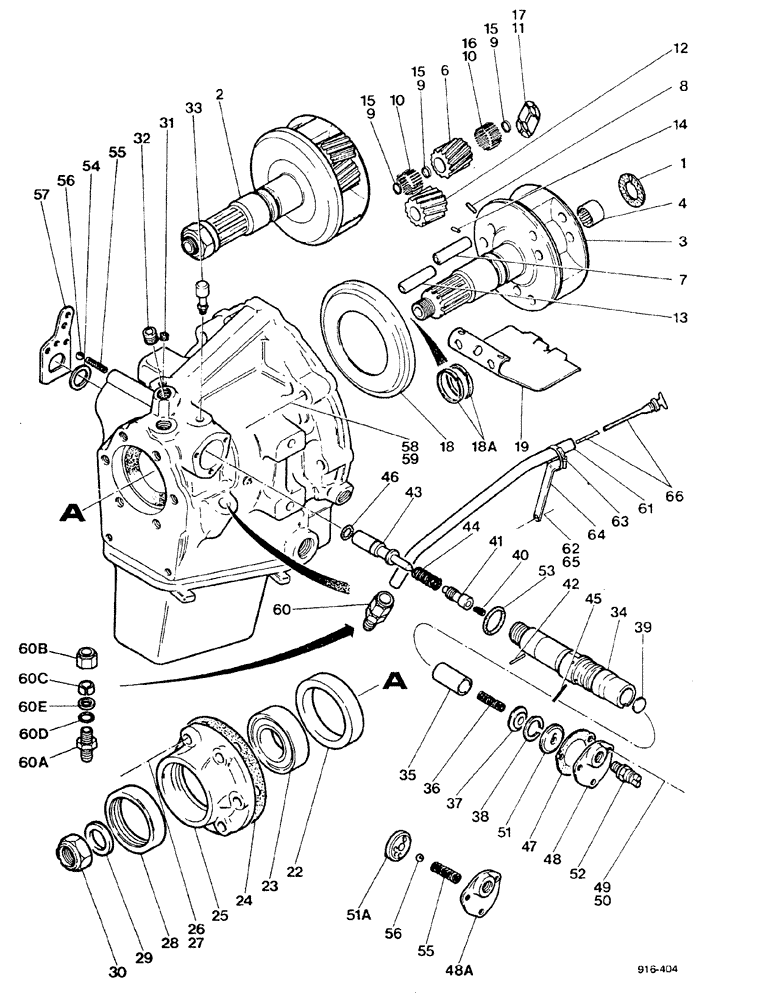
Запчасти Case 580F (054) - TRANSMISSION, POWER SHUTTLE, COMPLETE (21) - TRANSMISSION

Схема запчастей Case 580F - (054) - TRANSMISSION, POWER SHUTTLE, COMPLETE (21) - TRANSMISSION
1
42
31
63
18
66
60b
59
58
9
26
53
33
23
10
48a
49
27
56
48
34
15
6
10
24
12
25
18a
55
57
62
51a
2
51
56
60e
17
11
40
15
16
7
9
54
32
30
45
44
41
55
3
43
37
35
36
52
47
60a
15
22
28
46
14
4
13
19
64
60c
61
38
60
8
65
9
60d
29
39
50
FIT
1:1
100%

Артикул

Название

Примечание

Количество

E41563

GEARBOX ASSY

SHUTTLE, complete, Includes: Ref. 1-57, see Figures, Serial Range: 054-062

1шт.

1

D50055

WASHER, THRUST,22.38mm ID x 44.45mm OD x 1.6mm Thk

1шт.

2

D70665

GEAR

PINION CAGE AND SHAFT, Inlcudes: Ref. 3-18

1шт.

3

NSS

NOT SOLD SEPARAT

CAGE AND SHAFT

1шт.

4

H747964

NEEDLE BEARING,Needle, 20.64mm ID x 26.99mm OD x 22.23mm W

needle

1шт.

D50030

GEAR

PINION complete, Inlcudes: Ref. 6-11

3шт.

6

NSS

NOT SOLD SEPARAT

PINION GEAR

1шт.

7

NSS

NOT SOLD SEPARAT

SHAFT

1шт.

8

NSS

NOT SOLD SEPARAT

PIN

1шт.

9

NSS

NOT SOLD SEPARAT

SPACER

3шт.

10

NSS

NOT SOLD SEPARAT

ROLLER

48шт.

11

NSS

NOT SOLD SEPARAT

PLATE

2шт.

D50031

KIT

PINION, complete, Inlcudes: Ref. 12-17

3шт.

12

NSS

NOT SOLD SEPARAT

PINION GEAR

1шт.

13

NSS

NOT SOLD SEPARAT

SHAFT

1шт.

14

NSS

NOT SOLD SEPARAT

PIN

1шт.

15

NSS

NOT SOLD SEPARAT

SPACER

3шт.

16

NSS

NOT SOLD SEPARAT

ROLLER

48шт.

17

NSS

NOT SOLD SEPARAT

PLATE

2шт.

18

D50087

RING

COVER

1шт.

18a

D50080

RING,40.25mm ID x 44.36mm OD x 2.38mm Thk

seal

2шт.

19

D50056

GUARD

BAFFLE PLATE

1шт.

22

D50057

SLEEVE

1шт.

23

ST291

BEARING, BALL,35mm ID x 80mm OD x 21mm W

1шт.

24

D50058

GASKET

1шт.

25

D50059

BEARING HOUSING

1шт.

26

92-7

LOCK WASHER,7/16"

6шт.

27

13-718

SCREW,Hex, 7/16" - 14 x 1 1/8", Gr 5

6шт.

28

D50060

SEAL,53.98mm ID x 77.93mm OD x 13.11mm Thk

1шт.

29

D73180

WASHER

1шт.

30

131-37

LOCK NUT,3/4"-16

1шт.

31

221-849

PLUG,Hex Soc, 1/8"-27

1/8"

3шт.

32

221-843

PLUG,Hex Soc, 3/8"-18

1шт.

33

D50062

BREATHER

1шт.

D77473

VALVE

ASSY., Inlcudes: Ref. 34-46

1шт.

34

NSS

NOT SOLD SEPARAT

BODY

1шт.

35

D50089

VALVE

1шт.

36

D50090

SPRING

1шт.

37

D50091

RETAINER,9.53mm ID x 28.42mm OD x 1.34mm Thk

1шт.

38

D50092

RING

snap

1шт.

39

41-12

PLUG,Exp, 3/4"

1шт.

40

D77476

SPRING

1шт.

41

D77474

SPOOL

1шт.

42

138-28

LOCK PIN,5/64" x 1", Slotted

Use 135-198 in place of 138-28, if used

1шт.

42

135-198

GROOVED PIN,5/64" x 1", Type B

Use 135-198 in place of 138-28, if used

1шт.

43

D75488

PLUNGER

1шт.

Part of P/N D74590 Valve plunger and seal

1шт.

44

D77475

SPRING

1шт.

45

138-59

LOCK PIN,1/8" x 7/8", Slotted

Use 135-229 in place of 138-59

1шт.

Part of P/N D74590 Valve plunger and seal

1шт.

45

135-229

GROOVED PIN,1/8" x 7/8", Type B

Use 135-229 in place of 138-59

1шт.

46

D77581

KIT

SEAL

1шт.

Part of P/N D74590 Valve plunger and seal

1шт.

47

D50066

GASKET,0.41mm Thk

1шт.

Part of P/N D74590 Valve plunger and seal

1шт.

48

D72822

COVER

with external ball detent

1шт.

48a

D86488

COVER

with internal ball detent

1шт.

49

92-4

LOCK WASHER,1/4"

3шт.

50

13-414

BOLT,Hex, 1/4" - 20 x 7/8", Gr 5, Full Thd

3шт.

51

D70660

CAM

with external ball detent

1шт.

51a

D86489

CAM

with internal ball detent

1шт.

52

S113435

SWITCH

1шт.

218-5005

O-RING,0.078" Thk x 0.468" ID, -906, Cl 6, 90 Duro

Seal

1шт.

53

D37156

O-RING,0.07" Thk x 1.051" ID, -23, Cl 5, 75 Duro

1шт.

54

A75171

SNAP RING,#112, 1.060", Ext

1шт.

55

S47892

SPRING

1шт.

56

211-9

BALL,5/16" Dia

1шт.

Part of P/N D74590 Valve plunger and seal

1шт.

57

D77621

LEVER

1шт.

58

13-752

BOLT,Hex, 7/16" - 14 x 3-1/4", Gr 5

6шт.

59

92-7

LOCK WASHER,7/16"

6шт.

60

222-3006

FITTING,1 1/2"-12 x 3/4" NPT

Inlcudes: Ref. 60A-60E

1шт.

60a

NSS

NOT SOLD SEPARAT

BODY

1шт.

60b

222-3111

TUBE NUT,1"-12

1шт.

60c

222-3105

SLEEVE,1" Tube

1шт.

60d

A7623

O-RING,0.139" Thk x 0.984" ID, -214, Cl 5, 75 Duro

1шт.

60e

D54295

RING

back up

1шт.

61

D72029

TUBE

1шт.

62

13-616

BOLT,Hex, 3/8" - 16 x 1", Gr 5, Full Thd

1шт.

63

214-255

HOSE CLAMP,#16, 0.81" - 1.5", Type F Worm

1шт.

64

D72032

BRACKET

STRAP

1шт.

65

92-6

LOCK WASHER,3/8"

1шт.

66

D78855

DIPSTICK,653.8mm L

1шт.

D75490

PLUNGER

VALVE AND SEAL, Includes: Ref. 43, 45, 46, 47 and 56

1шт.

Выбрано товаров: 84