Запчасти Case 580F (058) - TRANSMISSION, POWER SHUTTLE (21) - TRANSMISSION

Схема запчастей Case 580F - (058) - TRANSMISSION, POWER SHUTTLE (21) - TRANSMISSION
8
2
5
1
10
9
3
7
4
6
11
FIT
1:1
100%

Артикул

Название

Примечание

Количество

REF

INSTRUCTION

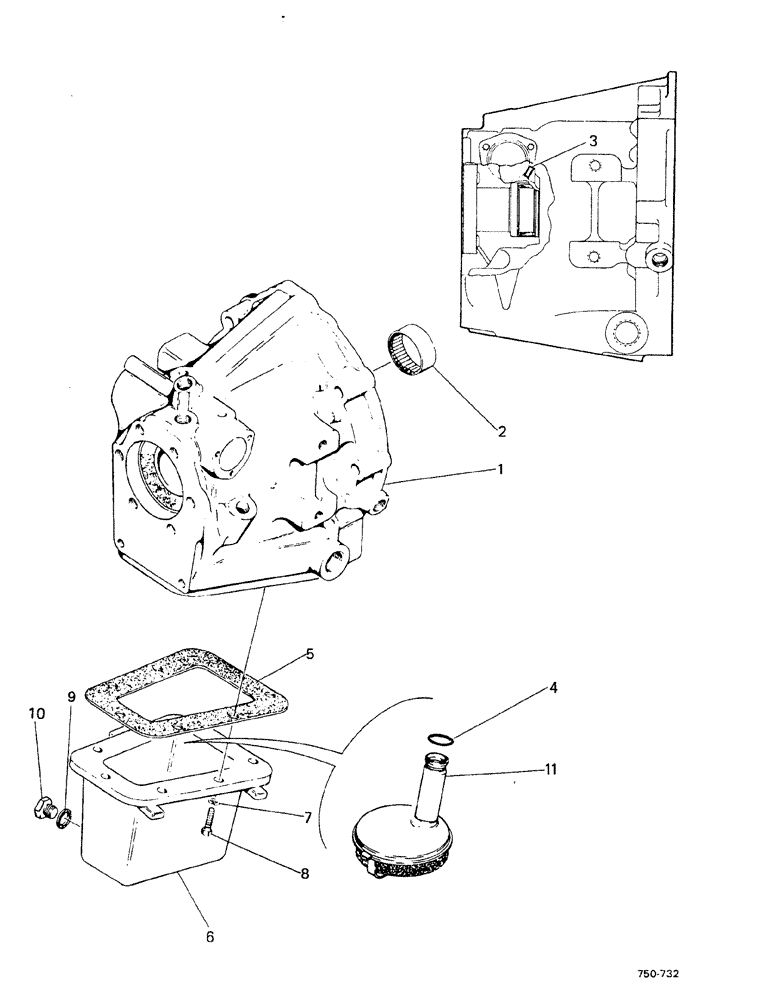
SHUTTLE, complete, Includes: Ref. 1-11, see Figures, Serial Range: 054-062

1шт.

D70650

HOUSING

complete, Includes: Ref. 1 and 2

1шт.

1

NSS

NOT SOLD SEPARAT

CASE

1шт.

2

R21491

NEEDLE BEARING,1.75" ID x 2.125" OD x 0.75"

1шт.

3

41-1007

PLUG,Cup, 7/16"

1шт.

4

R29797

O-RING,0.07" Thk x 0.739" ID

1шт.

5

R29956

GASKET,0.76mm Thk

1шт.

6

R29902

PAN

1шт.

7

92-6

LOCK WASHER,3/8"

7шт.

8

13-616

BOLT,Hex, 3/8" - 16 x 1", Gr 5, Full Thd

7шт.

D73701

PLUG

ASSY., Includes: Ref. 9 and 10

1шт.

9

NSS

NOT SOLD SEPARAT

GASKET

1шт.

10

NSS

NOT SOLD SEPARAT

PLUG

1шт.

11

D66455

FILTER SCREEN

1шт.

Выбрано товаров: 14