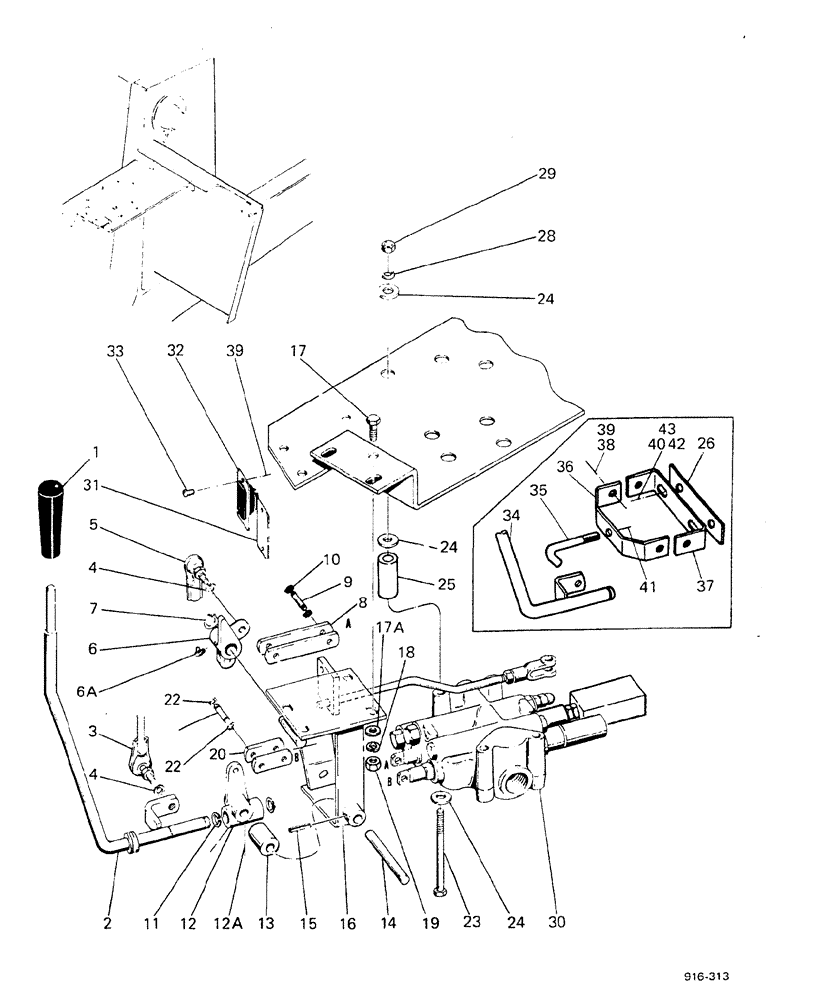
Запчасти Case 580F (172) - LOADER CONTROL LEVERS, 2 SPOOL (35) - HYDRAULIC SYSTEMS

Схема запчастей Case 580F - (172) - LOADER CONTROL LEVERS, 2 SPOOL (35) - HYDRAULIC SYSTEMS
31
17a
34
12
19
39
30
43
29
7
23
6
15
41
16
20
9
11
12a
14
2
13
17
39
6a
3
4
1
36
32
42
28
22
24
40
37
10
22
18
38
24
8
24
25
4
35
26
5
33
FIT
1:1
100%

Артикул

Название

Примечание

Количество

1

A37247

KNOB

1шт.

2

D72547

LEVER

SPARE PART

1шт.

3

D64789

JOINT

1шт.

4

92-6

LOCK WASHER,3/8"

2шт.

5

D64925

JOINT

1шт.

6

D72557

LEVER

SPARE PART BELLCRANK

1шт.

6a

219-57

LUBE NIPPLE,90 Degree Elbow, 1/4" - 28 NPTF

1шт.

7

D95096

SNAP RING,M15.88 x 1.27mm Thk

1шт.

8

D66856

LINK

2шт.

9

D95632

PIN,7.9mm OD x 22.99mm L

2шт.

10

D95092

RING

4шт.

11

D95096

SNAP RING,M15.88 x 1.27mm Thk

2шт.

12

D64777

PITMAN

BLOCK

1шт.

12a

219-36

LUBE NIPPLE,45 Degree Elbow, 1/8" - 27 NPTF

1шт.

13

D66995

SPACER

1шт.

14

D66863

SHAFT

SPARE PART

1шт.

15

138-61

LOCK PIN,1/8" x 1", Slotted

1шт.

16

D68034

BRACKET

LEVER mounting

1шт.

17

13-616

BOLT,Hex, 3/8" - 16 x 1", Gr 5, Full Thd

4шт.

17a

95-6

WASHER,3/8"

4шт.

18

92-6

LOCK WASHER,3/8"

4шт.

19

25-106

NUT,3/8"-16, G5

4шт.

20

CASD66981

CONNECTING LINK

2шт.

21

D95632

PIN,7.9mm OD x 22.99mm L

2шт.

Not illustrated

1шт.

22

D95092

RING

4шт.

23

13-696

BOLT,Hex, 3/8" - 16 x 6", Gr 5

4шт.

24

95-6

WASHER,3/8"

12шт.

25

E37546

BUSHING

4шт.

26

E41585

PLATE

1шт.

28

92-6

LOCK WASHER,3/8"

4шт.

29

25-106

NUT,3/8"-16, G5

4шт.

30

REF

INSTRUCTION

VALVE, see Figure 178

1шт.

31

D74302

PLATE

1шт.

32

D72302

BOOT

CLOSURE

1шт.

33

182-516

SCREW,Sl Pan Hd, #10 - 24 x 1/2"

4шт.

34

E34597

LEVER, for Germany only

1шт.

35

E34596

SAFETY NUT

HOOK, for Germany only

1шт.

36

E35262

STIRRUP, for Germany only

1шт.

37

E35269

BRACKET, for Germany only

1шт.

38

73-516

SCREW,Slotted Flat Hd, 5/16"-18 x 1"

for Germany only

2шт.

39

131-861

SPRING NUT,Tinn, U, #10-24

4шт.

39

131-651

NUT,5/16"-18, GB

NUT, for Germany only

2шт.

40

113-103

BOLT,Hex, 5/16" - 18 x 1", Gr 5

For Germany only

2шт.

41

86585245

SPECIAL NUT,JAM, 5/8" - 18

for Germany only

1шт.

42

192-20

LOCK WASHER,Helical Spring, 0.318" ID, CST, ZND

for Germany only

2шт.

43

195-521

WASHER,5/16", SAE

For Germany only

2шт.

Выбрано товаров: 47