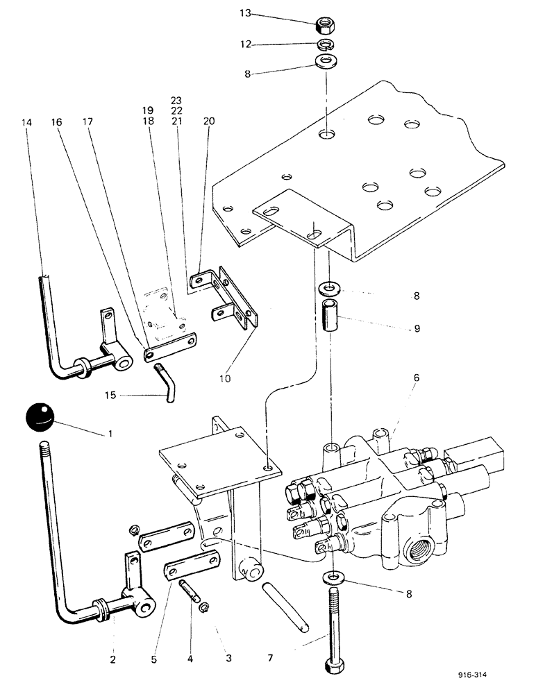
Запчасти Case 580F (174) - LOADER CONTROL LEVERS, 3 SPOOL (35) - HYDRAULIC SYSTEMS

Схема запчастей Case 580F - (174) - LOADER CONTROL LEVERS, 3 SPOOL (35) - HYDRAULIC SYSTEMS
22
13
10
21
9
8
8
1
20
14
12
4
15
3
7
16
23
18
17
19
6
8
5
2
FIT
1:1
100%

Артикул

Название

Примечание

Количество

1

D59912

KNOB

1шт.

2

D72264

LEVER

SPARE PART

1шт.

3

D95092

RING

4шт.

4

D95632

PIN,7.9mm OD x 22.99mm L

2шт.

5

D72266

LINK

2шт.

6

REF

INSTRUCTION

VALVE, see Figure 180

1шт.

7

13-696

BOLT,Hex, 3/8" - 16 x 6", Gr 5

4шт.

8

95-6

WASHER,3/8"

12шт.

9

E37546

BUSHING

4шт.

10

E41585

PLATE

1шт.

12

92-6

LOCK WASHER,3/8"

4шт.

13

25-106

NUT,3/8"-16, G5

4шт.

14

E35263

LEVER

for Germany only

1шт.

15

E35265

HOOK

for Germany only

1шт.

16

25-104

NUT,1/4"-20, G5

For Germany only

1шт.

17

E41587

PLATE, for germany only

1шт.

18

73-516

SCREW,Slotted Flat Hd, 5/16"-18 x 1"

for Germany only

2шт.

19

131-651

NUT,5/16"-18, GB

NUT, for Germany only

2шт.

20

E35259

SPARE PART

BRACKET, for Germany only

1шт.

21

113-103

BOLT,Hex, 5/16" - 18 x 1", Gr 5

For Germany only

2шт.

22

192-20

LOCK WASHER,Helical Spring, 0.318" ID, CST, ZND

for Germany only

2шт.

23

195-521

WASHER,5/16", SAE

For Germany only

2шт.

Выбрано товаров: 22