Запчасти Case 580F (338) - WARNING FLASHER, UP TO NO 3.736.447 (55) - ELECTRICAL SYSTEMS

Схема запчастей Case 580F - (338) - WARNING FLASHER, UP TO NO 3.736.447 (55) - ELECTRICAL SYSTEMS
8
4
7
2
6
9
1
5
10
3
FIT
1:1
100%

Артикул

Название

Примечание

Количество

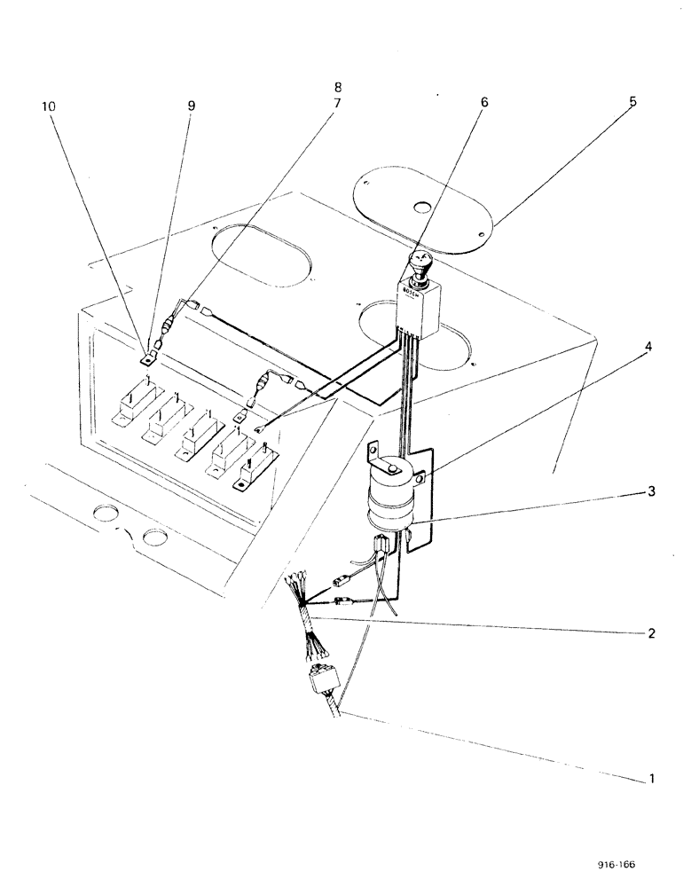
1

REF

INSTRUCTION

HARNESS, see Figure 040, torque converter

1шт.

1

REF

INSTRUCTION

HARNESS, see Figure 040, dry clutch

1шт.

2

E34669

HARNESS

1шт.

3

E33291

FLASHER UNIT

turn signal control

1шт.

4

A34868

CLAMP

1шт.

5

E34847

COVER

1шт.

6

E33226

SWITCH

emergency flasher, order E38582

1шт.

6

E38582

SWITCH

emergency flasher

1шт.

7

E37772

FUSE

HOLDER

2шт.

8

E37773

FUSE

10 amp

1шт.

9

129-37

NUT,#10-32

2шт.

9

193-6

LOCK WASHER,Ext Tooth, #10

2шт.

10

E34668

PLUG

TAB

2шт.

Выбрано товаров: 13