Запчасти Case 580F (354) - WINDSHIELD WIPER MOTORS (55) - ELECTRICAL SYSTEMS

Схема запчастей Case 580F - (354) - WINDSHIELD WIPER MOTORS (55) - ELECTRICAL SYSTEMS
5
14
11
16
2
15
21
16
17
12
13
2a
18
3
20
9
23
22
7
1
10
19
4
6
2b
15
8
FIT
1:1
100%

Артикул

Название

Примечание

Количество

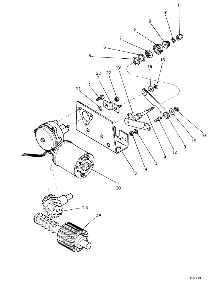
F93602

MOTOR, ELECTRIC

FRONT ASSEMBLY

1шт.

1

F96637

MOTOR, ELECTRIC

REAR ASSEMBLY, see Ref. 21, 22, for Germany only, order F96637 + A36091

1шт.

D71411

WASHER

1шт.

F44452

LOCK NUT

1шт.

2

F64210

LEVER

ARM

1шт.

2a

N6028

ARMATURE

1шт.

2b

N6029

GEAR

drive

1шт.

3

D71427

LINK,85.85mm L

1шт.

D72848

SHAFT

ASSEMBLY

1шт.

4

NSS

NOT SOLD SEPARAT

SHAFT

1шт.

5

D71417

SPECIAL WASHER

1шт.

6

D71418

WASHER

1шт.

7

D71419

NUT

1шт.

8

D71420

CAP

1шт.

9

D71421

TOOL

DRIVER

1шт.

10

193-9

LOCK WASHER,Ext Tooth, 5/16"

1шт.

11

D71422

NUT

1шт.

12

D73642

PIN

1шт.

13

193-60

LOCK WASHER,Int Tooth, 1/4"

1шт.

14

425-154

JAM NUT,Jam, 1/4"-28, G5

1шт.

15

A22431

WASHER

2шт.

16

D71414

CLIP

2шт.

17

D72849

SCREW

WASHER

3шт.

18

D72850

BRACKET

SUPPORT

1шт.

19

NSS

NOT SOLD SEPARAT

SCREW AND WASHER

2шт.

182-528

SCREW,Sl Pan Hd, #10 - 32 x 1/2"

1шт.

192-18

LOCK WASHER,Helical Spring, #10, 0.196" ID, CST, ZND

1шт.

20

REF

INSTRUCTION

MOTOR ASSEMBLY rear, see Ref. 1

1шт.

21

D71411

WASHER

1шт.

22

F44452

LOCK NUT

1шт.

23

A36091

ARM

for Germany only

1шт.

Выбрано товаров: 0