Запчасти Case 580F (034) - RADIATOR AND PARTS (10) - ENGINE

Схема запчастей Case 580F - (034) - RADIATOR AND PARTS (10) - ENGINE
13
18
1
19
18
20
9
7
17
16
8
5
10
15
12a
24
23
3
6
14
11
9
21
12
4
22
2
8
14
23
FIT
1:1
100%

Артикул

Название

Примечание

Количество

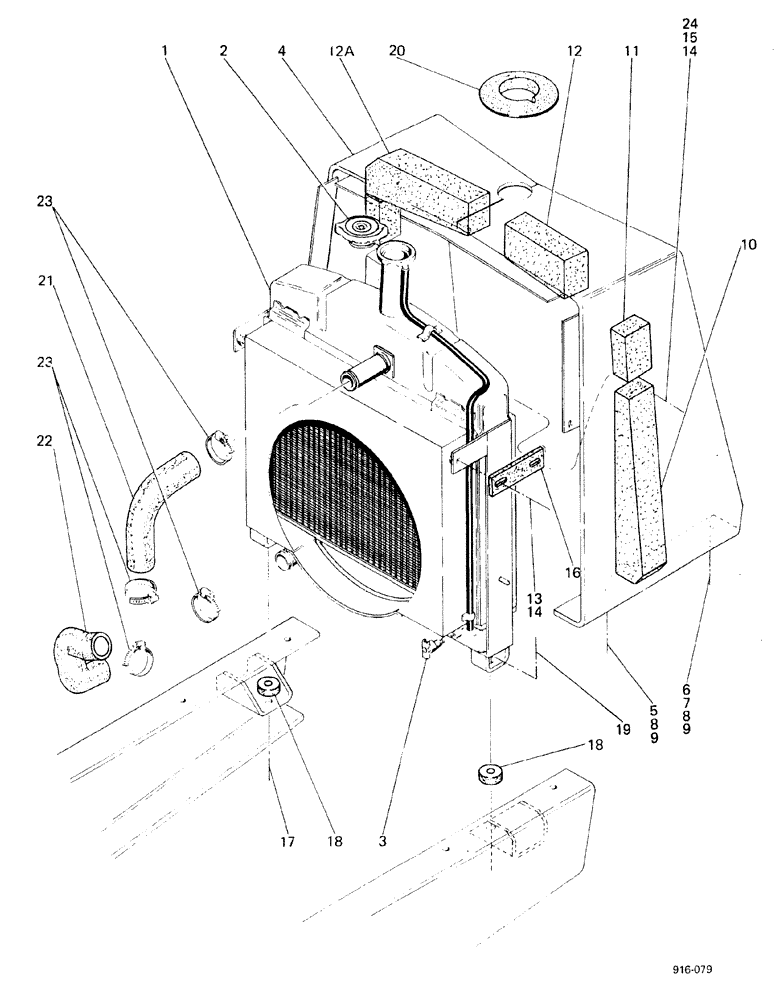
1

D67585

RADIATOR, order D76564, DC + D76309, DC, order D76564 TC + D 76309 TC + D76365, TC

1шт.

UP TO NO. 3.702.041, DRY CLUTCH/NO. 3.733.217, TORQUE CONVERTER

1шт.

1

D76564

RADIATOR

1шт.

STARTING WTIH NO. 3.702.042, DRY CLUTCH/NO. 3.733.218, TORQUE CONVERTER

1шт.

2

L32853

CAP

1шт.

3

217-103

COCK, DRAIN

VALVE

1шт.

4

D65714

GUARD

1шт.

5

13-828

BOLT,Hex, 1/2" - 13 x 1-3/4", Gr 5

2шт.

6

13-832

BOLT,Hex, 1/2" - 13 x 2", Gr 5

2шт.

7

195-33

WASHER,1/2"

4шт.

8

92-8

LOCK WASHER,1/2"

4шт.

9

25-108

NUT,1/2"-13, G5

4шт.

10

D69671

INSULATOR

2шт.

11

D69672

INSULATOR

2шт.

12

D69673

INSULATOR

1шт.

12a

D69674

INSULATOR

1шт.

13

E16710

BOLT

CAPSCREW, if used

4шт.

13

13-616

BOLT,Hex, 3/8" - 16 x 1", Gr 5, Full Thd

2шт.

14

195-28

WASHER,3/8"

4шт.

15

131-652

LOCK NUT,3/8"-16, GB

2шт.

16

D72246

STRAP

2шт.

17

13-624

BOLT,Hex, 3/8" - 16 x 1-1/2", Gr 5

2шт.

18

D23003

SHOCK ABSORBER

MOUNT

2шт.

19

131-652

LOCK NUT,3/8"-16, GB

2шт.

20

D69037

GROMMET

1шт.

21

D67275

LARGE HOSE

HOSE,LARGE

1шт.

UP TO NO. 3.701.926, DRY CLUTCH/NO. 3.732.464, TORQUE CONVERTER

1шт.

21

D76745

RADIATOR HOSE,38.00 mm ID x 157.00 mm, SAE 20R4 CLASS R GRADE 1A

1шт.

STARTING WITH NO. 3.701.927, DRY CLUTCH/NO. 3.732.465, TORQUE CONVERTER

1шт.

22

D72377

LARGE HOSE

HOSE,LARGE

1шт.

UP TO NO. 3.702.041, DRY CLUTCH/NO. 3.733.217, TORQUE CONVERTER

1шт.

22

D76309

RADIATOR HOSE,39.70 mm ID x 200.00 mm, SAE 20R4 CLASS R GRADE 1A

1шт.

STARTING WTIH NO. 3.702.042, DRY CLUTCH/NO. 3.733.218, TORQUE CONVERTER

1шт.

23

214-258

HOSE CLAMP,#28, 1.31" - 2.25", Type F Worm

4шт.

24

13-620

BOLT,Hex, 3/8" - 16 x 1-1/4", Gr 5, Full Thd

2шт.

Выбрано товаров: 35