Запчасти Case 580F (053C) - AIR CLEANER AND MUFFLER, STARTING WITH NO 3.738.056 (10) - ENGINE

Схема запчастей Case 580F - (053C) - AIR CLEANER AND MUFFLER, STARTING WITH NO 3.738.056 (10) - ENGINE
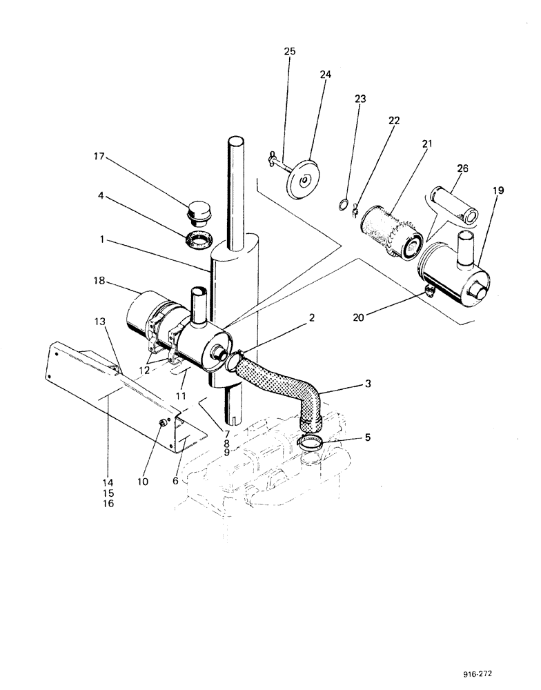
1
19
11
22
24
12
14
13
15
8
20
17
16
26
6
23
2
7
25
18
9
21
10
5
3
4
FIT
1:1
100%

Артикул

Название

Примечание

Количество

1

D69365

MUFFLER

for Suedish and Denmark only

1шт.

1

K202702

X

MUFFLER

1шт.

2

214-261

HOSE CLAMP,#40, 2.06" - 3", Type F Worm

1шт.

3

D69356

LARGE HOSE

HOSE,LARGE

1шт.

4

R14780

GROMMET

SEAL

1шт.

5

214-261

HOSE CLAMP,#40, 2.06" - 3", Type F Worm

1шт.

6

131-651

NUT,5/16"-18, GB

NUT

2шт.

7

13-624

BOLT,Hex, 3/8" - 16 x 1-1/2", Gr 5

2шт.

8

92-6

LOCK WASHER,3/8"

2шт.

9

195-25

WASHER,3/8"

2шт.

10

D71879

SPACER

SPARE PART

4шт.

11

13-612

BOLT,Hex, 3/8" - 16 x 3/4", Gr 5, Full Thd

Cap

4шт.

12

L11247

BAND

CLAMP, Donaldson

2шт.

E41303

CLAMP, Sofiltra

2шт.

13

E41499

PLATE

1шт.

14

195-25

WASHER,3/8"

4шт.

15

92-6

LOCK WASHER,3/8"

4шт.

16

25-106

NUT,3/8"-16, G5

4шт.

17

A61276

AIR CLEANER

CAP, Donaldson

1шт.

E35756

CAP

Sofiltra

1шт.

18

E41924

FILTER ASSY

CLEANER air

1шт.

19

NSS

NOT SOLD SEPARAT

BODY

1шт.

20

E41740

CAP

VALVE, Scavenging

1шт.

21

E41687

FILTER, ELEMENT

ELEMENT, FILTER

1шт.

E42196

NUT

ASSEMBLY

1шт.

22

NSS

NOT SOLD SEPARAT

NUT

1шт.

23

E37271

WASHER

SEAL

1шт.

24

E41737

COVER

1шт.

25

E41739

BOLT

CAP

1шт.

26

E41535

AIR CLEANER

ELEMENT safety

1шт.

Выбрано товаров: 30