Запчасти Case 680G (014) - AIR CLEANER (02) - ENGINE

Схема запчастей Case 680G - (014) - AIR CLEANER (02) - ENGINE
FIT
1:1
100%

Артикул

Название

Примечание

Количество

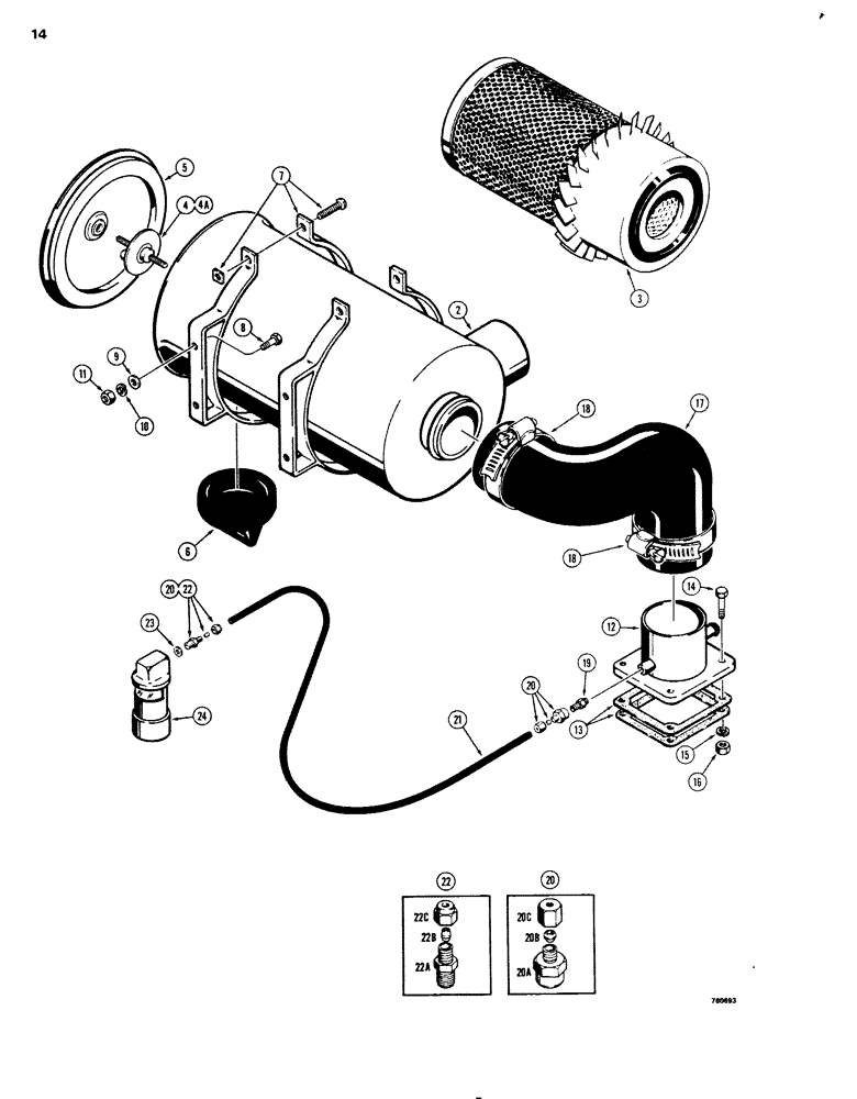
1

L55408

CLEANER

AIR CLEANER - dry type, not illustrated assembled, Includes: Ref. 2 - 6

1шт.

2

NSS

NOT SOLD SEPARAT

BODY - air cleaner

1шт.

3

L35975

AIR CLEANER

ELEMENT - air cleaner

1шт.

4

E73655

BOLT

- retainer, element

1шт.

This bolt includes the wing nut, which is NSS.

1шт.

4a

L36187

WASHER

- sealing, retainer bolt

1шт.

5

L35976

COVER

- air cleaner element

1шт.

6

D71455

LOCK VALVE

VALVE - dust

1шт.

7

70973

BRACKET

BAND - mounting, air cleaner, includes hardware

2шт.

8

13-512

BOLT,Hex, 5/16" - 18 x 3/4", Gr 5

4шт.

9

95-5

WASHER,3/8" x 7/8" x .083"

- flat, 5/16"

4шт.

10

92-5

LOCK WASHER,5/16"

4шт.

11

9635082

NUT,5/16" - 18, Gr 5

- hex, 5/16" - 18 NC

4шт.

12

L73780

ADAPTER - air, Serial Range: cleaner-manifold

1шт.

13

A58910

GASKET

-, Serial Range: adapter-manifold

2шт.

14

13-628

BOLT,Hex, 3/8" - 16 x 1-3/4", Gr 5

4шт.

15

92-6

LOCK WASHER,3/8"

4шт.

16

25-106

NUT,3/8"-16, G5

- hex, 3/8" - 16 NC

4шт.

17

L79901

HOSE

- air cleaner

1-2шт.

18

214-264

HOSE CLAMP,#52, 2.81" - 3.75", Type F Worm

CLAMP - hose

2-3шт.

19

D36264

FITTING

- special, filter type

1шт.

20

222-5131

COUPLING, BREAK AWAY

FITTING ASSEMBLY - tube, Includes: Ref. 20A - 20C

1-2шт.

20a

NSS

NOT SOLD SEPARAT

FITTING - body, order 222-5131

1шт.

20b

NSS

NOT SOLD SEPARAT

SLEEVE - compression, order 222-5131

1шт.

20c

NSS

NOT SOLD SEPARAT

NUT - tube, order 222-5131

1шт.

21

L16689

TUBE,0.075" ID x 0.125" OD x 45" L

- gauge to air intake tube

1шт.

22

222-600

FITTING,5/16"-24 x 1/8 NPT, Comp

ASSEMBLY - at gauge, Includes: Ref. 22A - 22C

1шт.

22a

NSS

NOT SOLD SEPARAT

FITTING - body

1шт.

22b

222-650

SLEEVE,1/8" Tube, Comp

1шт.

22c

222-660

FLANGE NUT,5/16"-24, 45 Degree Fl, Comp

1шт.

23

195-26

WASHER

WASHER - flat

1шт.

24

A17652

ELECTRICAL GAUGE

GAUGE - air cleaner restriction indicator

1шт.

Выбрано товаров: 32