Запчасти Case 680G (274) - BACKHOE CONTROL VALVE, DIPPER AND BUCKET SECTIONS (08) - HYDRAULICS

Схема запчастей Case 680G - (274) - BACKHOE CONTROL VALVE, DIPPER AND BUCKET SECTIONS (08) - HYDRAULICS
FIT
1:1
100%

Артикул

Название

Примечание

Количество

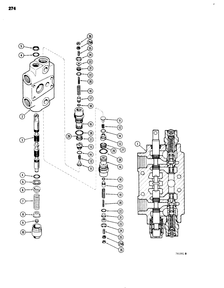
1

G100195

LOCK VALVE

SECTION ASSEMBLY - dipper and bucket, Includes: Ref. 2 - 29

2шт.

2

NSS

NOT SOLD SEPARAT

BODY - section

1шт.

3

NSS

NOT SOLD SEPARAT

SPOOL - section

1шт.

4

A27365

O-RING,0.103" Thk x 0.75" ID, -116, Cl 5, 75 Duro

- body

2шт.

5

A32309

SEAL,18.8mm ID x 25.5mm OD x 3.1mm Thk

- valve spool

1шт.

6

G33803

RETAINER

- body O-ring

1шт.

7

G34463

SPRING

- spool centering

1шт.

8

G33075

RETAINER,12.2mm ID, 27.9mm OD

RETAINING - centering spring

2шт.

9

G33077

SNAP RING,#47, Ext

Ring, Snap, , retainer #47, Ext

1шт.

10

P0033080G

SCREW

- centering spring

1шт.

11

G33081

VALVE POPPET

POPPET - load check

2шт.

12

G33573

SPRING

- load check

2шт.

13

G33084

PLUG

- load check

2шт.

14

G33686

O-RING,0.07" Thk x 0.61" ID

- plug

2шт.

G34672

VALVE

ASSEMBLY - relief, order G34862, Includes: Ref. 16 - 29

2шт.

16

NSS

NOT SOLD SEPARAT

BODY - relief valve

1шт.

17

NSS

NOT SOLD SEPARAT

POPPET - relief valve

1шт.

18

G102844

O-RING

- poppet

1шт.

19

G33090

SPRING

- relief valve, outer

1шт.

20

G34659

SPRING

- relief valve, inner

1шт.

21

G33091

PISTON

- relief valve

1шт.

22

G102845

O-RING,0.07" Thk x 0.489" ID, -14, Cl 6, 90 Duro

- piston

1шт.

23

G33092

RETAINER

- relief valve

1шт.

24

G46150

SNAP RING,0.75", Int, #75

Ring, Snap, 0.75", Int, #75

1шт.

25

G102782

SET SCREW,1/4" - 20 x 1"

- set, piston adjusting, 1/4" - 20 NC x 3/4"

1шт.

25a

G102781

WASHER

- special

1шт.

26

25-144

JAM NUT,Jam, 1/4"-20, G5

- lock, 1/4" - 20 NC

1шт.

27

218-5008

O-RING,0.116" Thk x 0.924" ID, -912, Cl 6, 90 Duro

- valve body, large

1шт.

28

G100959

O-RING,0.744" ID x 0.879" OD

- valve body, small

1шт.

29

G35540

BACK-UP RING,19.43mm ID x 22.23mm OD x 1.32mm Thk

- backup, if used

1шт.

G34862

VALVE

KIT - service, relief valve, this kit will service the complete relief valve and includes Ref. 16 - 28

2шт.

Выбрано товаров: 31