Запчасти Case 680G (301A) - G102790 BACKHOE SWING CYLINDER (08) - HYDRAULICS

Схема запчастей Case 680G - (301A) - G102790 BACKHOE SWING CYLINDER (08) - HYDRAULICS
FIT
1:1
100%

Артикул

Название

Примечание

Количество

1

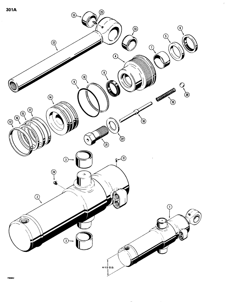
G102790

CYLINDER

ASSEMBLY - swing, 4" (101 mm) ID x 11-1/2" (285 mm) stroke, used on tractor S/N 9131930 and after, Includes: Ref. 2 - 24

1шт.

The cylinder assembly part number is stamped on some cylinder glands or tubes.

1шт.

Larger OD swing cylinders are used on tractors with serial number 9131930 and after, except on tractors with earlier serial numbers listed below, which also incorporate the larger OD cylinder. 9131761, 9131767, 9131768, 9131769, 9131777 thru 9131789, 9131791, 9131793, 9131794, 9131796, 9131800 thru 9131804, 9131808, 9131853, 9131864, 9131866, 9138168, 9131872 thru 9131875, 9131879, 9131880, 9131885, 9131886, 9131893, 9131895, 9131897, 9131899 thru 913903, 9131908 thru 9131911, 9131928.

1шт.

See Figure 304 for swing cylinder relief valve.

1шт.

2

G102576

TUBE,469.89 mm L

ASSEMBLY - cylinder

1шт.

3

G34875

BUSHING,50.67mm ID x 60.25mm OD x 33.53mm L

GLAND ASSEMBLY - cylinder

1шт.

G35221

GASKET

GLAND ASSEMBLY - cylinder, Includes: Ref. 4 - 9

1шт.

4

NSS

NOT SOLD SEPARAT

GLAND - cylinder

1шт.

5

NSS

NOT SOLD SEPARAT

RING - retaining

1шт.

6

D95144

WIPER SEAL,50.77mm ID x 63.52mm OD x 7.92mm Thk

Wiper - piston rod

1шт.

Part of seal kit G102401

1шт.

7

G101533

WEAR RING,Split, 50.8mm ID x 53.87mm OD x 25.15mm Thk

BEARING - center, Includes: Ref. 8

1шт.

Part of seal kit G102401

1шт.

8

D36971

RING

SEAL - piston rod

1шт.

Part of seal kit G102401

1шт.

9

A27507

O-RING,0.139" Thk x 3.984" ID, -242, Cl 5, 75 Duro

- gland

1шт.

Part of seal kit G102401

1шт.

10

G32176

BACK-UP RING,101.22mm ID x 107.32mm OD x 1.4mm Thk

1шт.

Part of seal kit G102401

1шт.

11

187-1031

SELF-TAP SCREW,Pan, 0.164"-32 x 1/4"

SCREW - self-tapping, No. 8 - 32 NC x 1/4"

2шт.

12

G34775

ROD ASSY.

ROD ASSEMBLY - piston, 2" (51 mm) OD, Includes: Ref. 13

1шт.

13

G34854

BUSHING,44.58mm ID x 53.98mm OD x 22.35mm L

- piston rod

2шт.

14

G101309

PISTON

- cylinder

1шт.

15

G102285

SEAL,Locking, 98.55mm ID x 102.97mm OD x 6.96mm Thk

- piston

1шт.

Part of seal kit G102401

1шт.

16

G100440

RING,Square, 5.28mm Thk x 88.01mm ID

- backup

1шт.

Part of seal kit G102401

1шт.

17

G100448

RING,101.6mm OD, Ext

- wear

2шт.

Part of seal kit G102401

1шт.

18

G102245

AXLE PIN

PIN - cushion relief

1шт.

19

D38683

SPRING

- cushion relief

1шт.

20

211-14

BALL,9/16" Dia

- cushion relief spring

1шт.

21

G34885

BOLT

BOLT - piston and cushion relief

1шт.

22

G32351

WASHER

- hardened

1шт.

23

219-1

LUBE NIPPLE,1/8" - 27 NPTF

FITTING - grease, straight, 1/8" NPT

1шт.

24

219-55

LUBE NIPPLE,90 Degree Elbow, 1/8" - 27 NPTF

NIPPLE, LUBE, 90º, 1/8" NPT x .84" lg

1шт.

G102401

SEAL

KIT - seal, Includes: Ref. 6 - 10, 15 - 17

1шт.

G100778

SEAL

- piston rod, service option - extreme heat or cold, Includes: Ref. 8

1шт.

Выбрано товаров: 38