Запчасти Case 680G (320) - 4-IN-1 BUCKET (09) - CHASSIS/ATTACHMENTS

Схема запчастей Case 680G - (320) - 4-IN-1 BUCKET (09) - CHASSIS/ATTACHMENTS
FIT
1:1
100%

Артикул

Название

Примечание

Количество

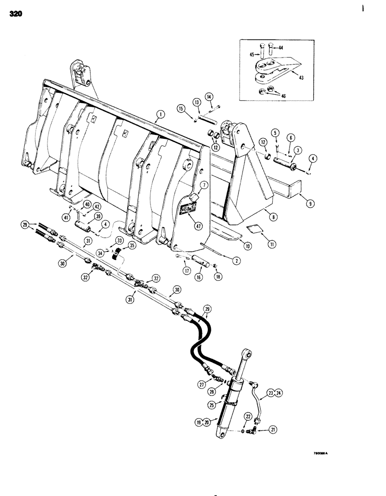
L76489

BUCKET

ASSEMBLY - without teeth, machinery item, see Figure 2 for ordering, Includes: L76490 and Ref. 1 - 12

1шт.

L76490

BLADE

ASSEMBLY - bucket, Includes: Ref. 1, 2

1шт.

1

NSS

NOT SOLD SEPARAT

BLADE - bucket

1шт.

2

D95182

EDGE, CUTTING

EDGE - blade cutting

1шт.

3

D46917

PIN

-, Serial Range: blade-clam

2шт.

4

219-1

LUBE NIPPLE,1/8" - 27 NPTF

GREASE FITTING - straight, 1/8" NPT

6шт.

5

D46973

PIN

CLEVIS PIN

2шт.

6

132-48

COTTER PIN,1/8" x 1"

Pin, Split (Cotter), 1/8" x 1"

2шт.

7

D46913

PLATE

BLOCK - stop

2шт.

D49616

CLAW

CLAM ASSEMBLY - bucket, Includes: Ref. 8 - 12

1шт.

8

NSS

NOT SOLD SEPARAT

CLAM - bucket

1шт.

9

D49617

EDGE

- cutting

1шт.

10

D49618

PLATE

- wear

1шт.

11

D46914

PLATE

HOOK - grab

2шт.

12

D31140

BUSHING,38.33mm ID x 47.63mm OD x 25.4mm L

- hinge

6шт.

13

D39311

PIN

- upper, Serial Range: cylinder-clam

2шт.

14

13-668

BOLT,Hex, 3/8" - 16 x 4-1/4", Gr 5

- hex head, 3/8" - 16 NC x 4-1/4"

2шт.

15

131-206

NUT,3/8"-16

NUT - hex, self-lock, 3/8" - 16 NC

2шт.

16

S203049

PIN

- lower, Serial Range: cylinder-blade

2шт.

17

13-644

BOLT,Hex, 3/8" - 16 x 2-3/4", Gr 5

- hex head, 3/8" - 16 NC x 2-3/4"

2шт.

18

131-206

NUT,3/8"-16

NUT - hex, self lock, 3/8" - 16 NC

2шт.

19

REF

INSTRUCTION

CYLINDER - clam, right-hand, see Figure 296

1шт.

20

REF

INSTRUCTION

CYLINDER - clam, left-hand,see Figure 296

1шт.

21

218-5107

90 ELBOW,90 Degree Elbow, 7/8" - 14 Male JIC x 7/8" - 14 Male ORB

FITTING - 90 degree, Incl. Ref. 22

2шт.

22

237-6010

O-RING,0.097" Thk x 0.755" ID, -910, Cl 6, 90 Duro

- fitting

1шт.

23

D46957

TUBE

- closed end cylinder, right-hand

1шт.

24

D46955

TUBE

- closed end cylinder, left-hand

1шт.

25

214-267

HOSE CLAMP,#64, 3.56" - 4.5", Type F Worm

CLAMP - tube

2шт.

27

218-5137

ELBOW,45 Degree Elbow, 7/8" - 14 Male JIC x 7/8" - 14 Male ORB

FITTING - 45 degree, Incl. Ref 28

2шт.

28

237-6010

O-RING,0.097" Thk x 0.755" ID, -910, Cl 6, 90 Duro

- fitting

1шт.

29

36547

HOSE

- tube to cylinder, 19" (482 mm) long

4шт.

30

L53589

TUBE,0.625" OD x 14.8, 1.5" L

- tee to cylinder, 15-1/2" (394 mm) long

2шт.

31

L53591

TUBE,0.625" OD x 34.8, 1.5" L

- tee to cylinder, 35-1/2" (902 mm) long

2шт.

32

218-595

TEE,7/8"-14, 37 Degree

FITTING - swivel tee

2шт.

33

13-624

BOLT,Hex, 3/8" - 16 x 1-1/2", Gr 5

- hex head, 3/8" - 16 NC -1-1/2"

3шт.

34

92-6

LOCK WASHER,3/8"

3шт.

35

D40236

CLAMP

- tube

3шт.

39

L79796

AXLE PIN

PIN - mounting, bucket

4шт.

40

R17756

ROD,12.7mm OD x 109.54mm L

- retaining, mounting pin

4шт.

41

13-828

BOLT,Hex, 1/2" - 13 x 1-3/4", Gr 5

- hex head, 1/2" - 13 NC x 1-3/4"

4шт.

42

131-10

NUT,1/2"-13, GB

NUT, LOCK, 1/2"-13, GB

4шт.

43

D46885

TOOTH

- bucket

7шт.

44

13-832

BOLT,Hex, 1/2" - 13 x 2", Gr 5

7шт.

45

13-836

BOLT,Hex, 1/2" - 13 x 2-1/4", Gr 5

- hex head, 1/2" - 13 NC x 2-1/4"

7шт.

46

25-108

NUT,1/2"-13, G5

- hex, 1/2" - 13 NC

14шт.

Выбрано товаров: 45