Запчасти Case 680G (342) - BACKHOE MOUNTING FRAME AND STABILIZERS (09) - CHASSIS/ATTACHMENTS

Схема запчастей Case 680G - (342) - BACKHOE MOUNTING FRAME AND STABILIZERS (09) - CHASSIS/ATTACHMENTS
FIT
1:1
100%

Артикул

Название

Примечание

Количество

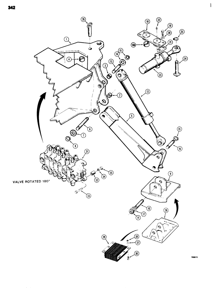
1

REF

INSTRUCTION

FRAME ASSEMBLY - tractor and backhoe, see Figure 362, Includes: Ref. 2 - 4

1шт.

2

D33024

BUSHING,51.02mm ID x 63.5mm OD x 25.4mm L

- stabilizer, Serial Range: leg-frame

4шт.

3

D34340

BUSHING,44.68mm ID x 53.98mm OD x 25.4mm L

- stabilizer cylinder to frame

1шт.

4

D60159

BUSHING,60.55mm ID x 69.85mm OD x 38.1mm L

- swing cylinder

2шт.

5

L104805

STABILIZER

LEG - stabilizer

2шт.

6

D42911

PIN

-, Serial Range: stabilizer-chassis

2шт.

7

195-2155

WASHER,2 1/16" x 3" x .109"

- spacer

4шт.

8

D26919

SNAP RING,#200, Ext

Ring, Snap, #200, Ext

1шт.

9

L79606

PAD

PLATE - stabilizer, standard

2шт.

10

L71043

AXLE PIN

PIN -, Serial Range: stabilizer-plate

2шт.

11

D25279

SNAP RING,M35, Int

RING - retaining

4шт.

12

REF

INSTRUCTION

CYLINDER - stabilizer, see Figure 298

2шт.

13

D25079

AXLE PIN,44.45mm OD x 157.2mm L

PIN - stabilizer, Serial Range: cylinder-chassis

2шт.

14

195-2152

WASHER,1 13/16" x 2 1/2" x .109"

- spacer

1шт.

15

D25280

SNAP RING,#175, Ext

Ring, Snap, #175, Ext

8шт.

16

D25079

AXLE PIN,44.45mm OD x 157.2mm L

PIN - stabilizer, Serial Range: cylinder-stabilizer

2шт.

17

195-2142

WASHER,1 17/32" x 2 1/16" x .109"

- spacer

1шт.

18

L57106

PLATE - swing cyl. mounting, used before tractor S/N 9131875

1шт.

18

L101199

PLATE

- swing cylinder mounting, uses grease zerk, used on tractor S/N 9131875 and after, Includes: Ref. 18A

1шт.

18

L104211

PLATE ASSY.

PLATE - swing cylinder mounting, used without grease zerk, used on tractor S/N 9131875 and after, Includes: Ref. 18A

1шт.

18a

D60159

BUSHING,60.55mm ID x 69.85mm OD x 38.1mm L

- plate, used with L57106, L101199 or L104211 plates

2шт.

19

13-1644

BOLT,Hex, 1" - 8 x 2-3/4", Gr 5

- 1" - 8 NC x 2-3/4", swing plate to chassis

4шт.

20

D30196

WASHER

- special hardened

4шт.

21

L54782

BLOCK

- bolt retaining

2шт.

22

219-36

LUBE NIPPLE,45 Degree Elbow, 1/8" - 27 NPTF

GREASE FITTING - 45 degree, 1/8" NPT

2шт.

23

REF

INSTRUCTION

CYLINDER - swing, see Figure 300

2шт.

24

L77588

AXLE PIN

PIN - swing, Serial Range: cylinder-tower

2шт.

25

D25280

SNAP RING,#175, Ext

Ring, Snap, , pin #175, Ext

2шт.

26

L70598

AXLE PIN

PIN - swing lock

1шт.

28

L78070

PLATE ASSY.

FOOT - cemetery and street

2шт.

29

D61368

PAD

Rubber, bolt on

2шт.

31

REF

INSTRUCTION

VALVE - backhoe control, see Figure 346

1шт.

32

L55306

SPACER

- backhoe valve mounting

3шт.

33

13-848

BOLT,Hex, 1/2" - 13 x 3", Gr 5

- hex head, 1/2" - 13 NC x 3"

3шт.

34

92-8

LOCK WASHER,1/2"

3шт.

35

25-108

NUT,1/2"-13, G5

- hex, 1/2" - 13 NC

3шт.

36

11-1028

BOLT (SPREADER)

BOLT - hex head, 5/8" - 11 NC x 1-3/4", if used

12шт.

37

95-10

WASHER,5/8"

- flat, , if used 5/8"

12шт.

38

25-1010

NUT,5/8"-11, G5

If used 5/8"-11, G5

12шт.

Выбрано товаров: 39