Запчасти Case 580G (192) - BRAKES - PEDALS (07) - BRAKES

Схема запчастей Case 580G - (192) - BRAKES - PEDALS (07) - BRAKES
45
14
44
9
12
34
32
25
8
a
18
1
15
43
15
16
35
21
3
28
40
26
11
4
7
18
29
38
41
20
20
14
19
16
a
17
42
10
39
8
6
25
23
30
2
13
22
31
27
33
36
5
9
28
24
37
FIT
1:1
100%

Артикул

Название

Примечание

Количество

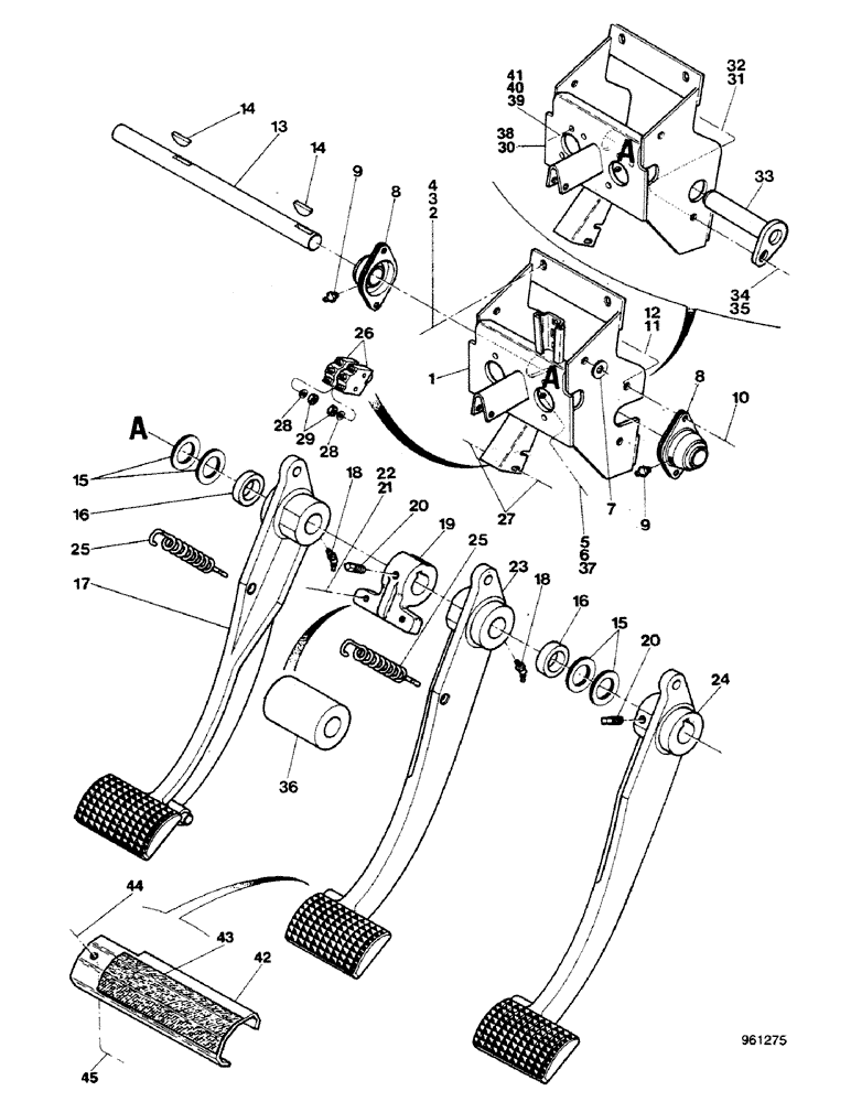
1

D120937

BRACKET

For 3 pedals system, Serial Range: -3.931.036

1шт.

1

E44210

BRACKET

SPARE PART For 3 pedals system, Start Serial: 3.931.037

1шт.

2

13-616

BOLT,Hex, 3/8" - 16 x 1", Gr 5, Full Thd

4шт.

3

92-6

LOCK WASHER,3/8"

4шт.

4

195-25

WASHER,3/8"

4шт.

5

113-242

BOLT

For 3 pedals system

1шт.

6

87016560

JAM NUT,Jam, 3/8"-16, G5

1шт.

7

95-6

WASHER,3/8"

For 3 pedals system

1шт.

8

D77731

FLANGED BEARING

For 3 pedals system

2шт.

9

219-1

LUBE NIPPLE,1/8" - 27 NPTF

For 3 pedals system

2шт.

10

13-614

BOLT,Hex, 3/8" - 16 x 7/8", Gr 5, Full Thd

For 3 pedals system

4шт.

11

926

TOOL KIT

WASHER lock, For 3 pedals system

4шт.

12

25-106

NUT,3/8"-16, G5

For 3 pedals system

4шт.

13

D93128

SHAFT

For 3 pedals system

1шт.

14

126-33

WOODRUFF KEY,#D, 5/16" x 1 1/4"

For 3 pedals system

2шт.

15

195-2125

WASHER,1 5/16" x 2" x .109"

flat

1шт.

16

D69721

SPACER

2шт.

17

D120410

PEDAL

1шт.

18

219-31

LUBE NIPPLE,30 Degree Elbow, 1/8" - 27 NPTF

grease

2шт.

19

D68123

STOP

For 3 pedals system

1шт.

20

85-612

SET SCREW,Sq Hd, 3/8"-16 x 3/4"

set, For 3 pedals system

2шт.

21

113-242

BOLT

For 3 pedals system

2шт.

22

87016560

JAM NUT,Jam, 3/8"-16, G5

For 3 pedals system

2шт.

23

D90654

PEDAL

1шт.

24

D67987

PEDAL

For 3 pedals system

1шт.

25

D120911

SPRING

2шт.

26

D134622

SWITCH

, Serial Range: -3.941.038

2шт.

27

182-530

SCREW,Sl Pan Hd, #6 - 32 x 1 1/4"

, Serial Range: -3.941.038

4шт.

28

195-507

WASHER,#6

flat, Serial Range: -3.941.038

4шт.

29

193-1003

NUT,Keps, w/LW,#6-32

, Serial Range: -3.941.038

4шт.

30

E44546

BRACKET

SPARE PART For 2 pedals system, Serial Range: -3.937.264

1шт.

31

25-106

NUT,3/8"-16, G5

For 2 pedals system

1шт.

32

92-6

LOCK WASHER,3/8"

For 2 pedals system

1шт.

33

D84355

SHAFT

For 2 pedals system

1шт.

34

95-6

WASHER,3/8"

For 2 pedals system

1шт.

35

13-616

BOLT,Hex, 3/8" - 16 x 1", Gr 5, Full Thd

For 2 pedals system

1шт.

36

E44548

BUSHING

SPARE PART For 2 pedals system

1шт.

37

181-650

SET SCREW,Sq Hd, 3/8"-16 x 1 3/4"

For 2 pedals system

1шт.

38

E45163

BRACKET

For 2 pedals system, Serial Range: 3.937.265-3.941.038

1шт.

38

E45130

FOAM

BRACKET, For 2 pedals system, Start Serial: 3.941.039

1шт.

39

13-512

BOLT,Hex, 5/16" - 18 x 3/4", Gr 5

For 2 pedals system, Start Serial: 3.937.265

2шт.

40

92-5

LOCK WASHER,5/16"

For 2 pedals system, Start Serial: 3.937.265

2шт.

41

9635082

NUT,5/16" - 18, Gr 5

For 2 pedals system, Start Serial: 3.937.265

2шт.

42

E45464

PEDAL

extension, For Sweden

1шт.

43

D55216

PAD,2" x 9"

For Sweden

1шт.

44

E45553

BOLT (SPREADER)

For Sweden

1шт.

45

K965414

NUT

lock, For Sweden

1шт.

Выбрано товаров: 47