Качественные детали и логистика
Оригинальные и аналоговые запчасти с доставкой по России, Казахстану и Беларуси
©2022 PartSell ООО "Система" ИНН 2463123282 ОГРН 1212400004838
Центральный офис: г. Красноярск, Академика Киренского, д.87, пом.4
Телефон: 8 (800) 777-65-74 Email: zakaz@partsell.ru
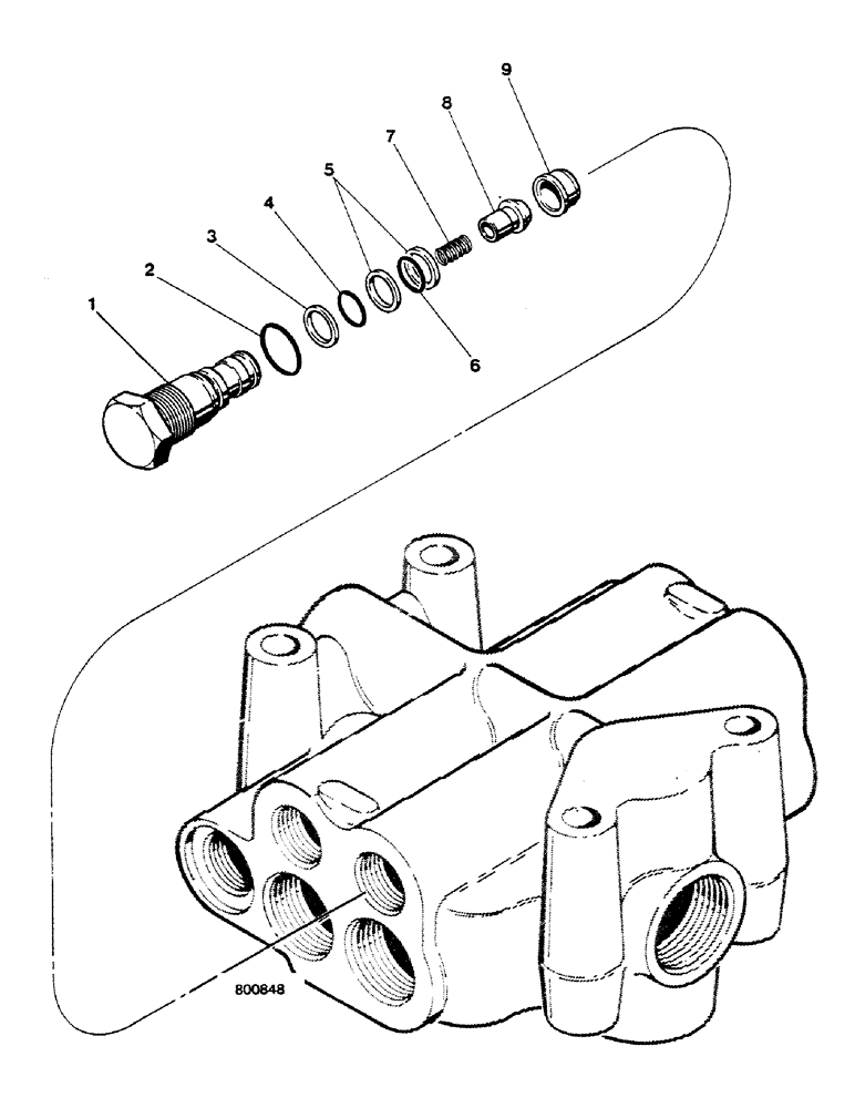
(284) - LOADER CONTROL VALVE - LOAD CHECK VALVE
№
Артикул
Название
Примечание
Количество
1
D37066
CAP
1шт.
2
237-6010
O-RING,0.097" Thk x 0.755" ID, -910, Cl 6, 90 Duro
3
D37071
RING
backup
4
D26265
O-RING,1.78mm Thk x 14mm ID, 70 Duro
5
D37070
SEAL,13.16mm ID x 15.85mm OD x 1.25mm Thk
2шт.
6
A18414
O-RING,0.07" Thk x 0.489" ID, -14, Cl 5, 75 Duro
7
D37067
SPRING
8
D37068
VALVE POPPET
9
D40358
SEAT
poppet
Выбрано товаров: 0