Запчасти Case 580G (308) - BACKHOE - BOOM LOCK VALVE (08) - HYDRAULICS

Схема запчастей Case 580G - (308) - BACKHOE - BOOM LOCK VALVE (08) - HYDRAULICS
12
8
4
15
11
22
21
5
25
27
14
26
23
20
19
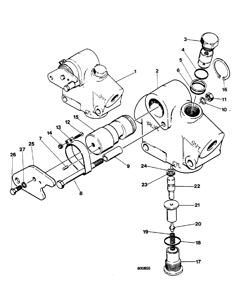
1
2
3
24
13
17
18
10
6
7
9
16
FIT
1:1
100%

Артикул

Название

Примечание

Количество

1

D88644

VALVE

ASSY, Includes: Ref. 2 - 24

1шт.

2

NSS

NOT SOLD SEPARAT

BODY

1шт.

3

D56470

VALVE

relief, Includes: Ref. 4

1шт.

4

F9857

O-RING,0.103" Thk x 1.049" ID, -121, Cl 5, 75 Duro

1шт.

5

D56469

BACK-UP RING

backup

1шт.

6

A7464

O-RING,0.103" Thk x 1.11" ID, -122, Cl 5, 75 Duro

1шт.

7

D56881

PIN

dowel

1шт.

8

13-558

BOLT,Hex, 5/16" - 18 x 3-5/8", Gr 5

1шт.

9

D56460

BUSHING

1шт.

10

92-5

LOCK WASHER,5/16"

1шт.

11

25-145

JAM NUT,Jam, 5/16"-18, G5

1шт.

12

182-48

SCREW,Sl Pan Hd, #6 - 32 x 3/4"

1шт.

13

D56467

CLAMP

1шт.

14

131-150

LOCK NUT,#6-32, GA

1шт.

15

NSS

NOT SOLD SEPARAT

SHAFT

1шт.

16

F62020

SNAP RING,#125, Ext

#125, Ext

1шт.

17

D56461

PLUG

1шт.

18

A35104

O-RING,0.103" Thk x 0.862" ID, -118, Cl 5, 75 Duro

1шт.

19

D56462

SPRING

1шт.

20

D56464

PLUNGER

SPARE PART poppet

1шт.

21

D56463

PLUNGER

SEAT poppet

1шт.

22

D56466

PLUNGER

SPARE PART

1шт.

23

N8539

O-RING,0.07" Thk x 0.364" ID, -12, Cl 5, 75 Duro

1шт.

24

L31330

BACK-UP RING,109mm ID x 128.81mm OD x 12mm Thk

backup

1шт.

25

D89888

LEVER

1шт.

26

13-510

BOLT,Hex, 5/16" - 18 x 5/8", Gr 5, Full Thd

1шт.

27

92-5

LOCK WASHER,5/16"

1шт.

Выбрано товаров: 27