Запчасти Case 580G (336) - LOADER CONTROLS - LIFT AND BUCKET SPOOLS (09) - CHASSIS/ATTACHMENTS

Схема запчастей Case 580G - (336) - LOADER CONTROLS - LIFT AND BUCKET SPOOLS (09) - CHASSIS/ATTACHMENTS
9
24
8
21
14
12
19
28
10
17
20
18
27
6
10
29
29
20
29
10
29
1a
3
11
9
9
26
22
5
29
7
25
13
1
11
23
29
8
20
16
2
15
4
FIT
1:1
100%

Артикул

Название

Примечание

Количество

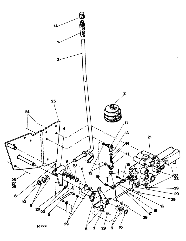
1

D91439

TUBE

KNOB

1шт.

1a

D125880

BOOT

COVER

1шт.

2

D86664

BOOT

1шт.

3

D86502

LEVER

control

1шт.

4

D86520

LEVER

1шт.

5

D121193

LINK

1шт.

6

D86484

CRANK

bell

1шт.

7

D86491

CRANK

bell

1шт.

8

219-1

LUBE NIPPLE,1/8" - 27 NPTF

3шт.

9

A30881

SEALING WASHER,19.45mm ID x 31.35mm OD

1шт.

10

D95097

RING, SNAP

RING SNAP

3шт.

11

D64925

JOINT

ball

2шт.

12

92-6

LOCK WASHER,3/8"

2шт.

13

D86680

ROD

1шт.

14

25-116

NUT,Hex, 3/8"-24, G5

2шт.

15

G10928

YOKE

UNIVERSAL JOINT YOKE

1шт.

16

25-115

NUT,5/16"-24, G5

1шт.

17

213-3

ADJUSTABLE CLEVIS,5/16"-24

1шт.

18

D121838

LINK

1шт.

19

D88430

PIN,7.9mm OD x 26.47mm L

clevis

2шт.

20

132-26

COTTER PIN

3/32" x 3/4"

6шт.

21

REF

INSTRUCTION

VALVE control, See Figure 270 - 272

1шт.

22

13-664

BOLT,Hex, 3/8" - 16 x 4", Gr 5

3шт.

23

92-6

LOCK WASHER,3/8"

3шт.

24

25-106

NUT,3/8"-16, G5

2шт.

25

D88896

PLATE

1шт.

26

13-612

BOLT,Hex, 3/8" - 16 x 3/4", Gr 5, Full Thd

2шт.

27

92-6

LOCK WASHER,3/8"

2шт.

28

95-6

WASHER,3/8"

2шт.

29

95-4

WASHER,1/4"

flat

8шт.

Выбрано товаров: 30