Запчасти Case 580G (342) - LOADER - RETURN-TO-DIG CONTROL (09) - CHASSIS/ATTACHMENTS

Схема запчастей Case 580G - (342) - LOADER - RETURN-TO-DIG CONTROL (09) - CHASSIS/ATTACHMENTS
10
17
11
6
7
1
16
15
4
14
9
5
18
12
3
17
8
2
13
FIT
1:1
100%

Артикул

Название

Примечание

Количество

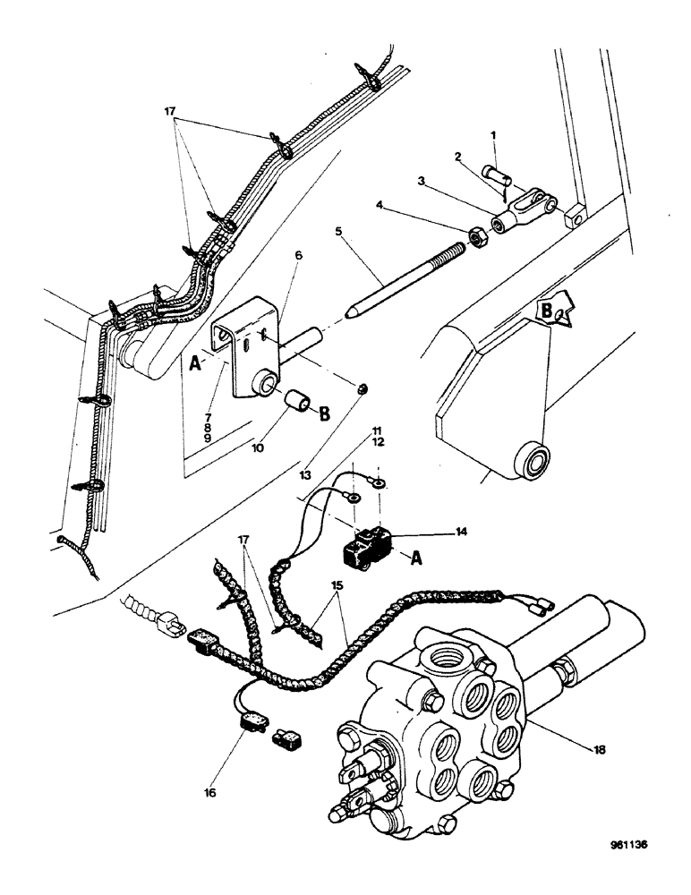
1

141-54

CLEVIS PIN,3/8" x 1 1/16"

1шт.

2

132-26

COTTER PIN

3/32" x 3/4"

1шт.

3

213-4

ADJUSTABLE CLEVIS,3/8"-24 x 2 1/2"

1шт.

4

25-156

JAM NUT,Jam, 3/8"-24, G5

1шт.

5

D75722

ROD

1шт.

6

D75724

BRACKET

1шт.

7

13-620

BOLT,Hex, 3/8" - 16 x 1-1/4", Gr 5, Full Thd

1шт.

8

92-6

LOCK WASHER,3/8"

1шт.

9

195-25

WASHER,3/8"

1шт.

10

D76175

BUSHING

1шт.

11

182-503

SCREW,Sl Pan Hd, #6 - 32 x 1"

2шт.

12

195-507

WASHER,#6

flat

2шт.

13

193-1003

NUT,Keps, w/LW,#6-32

2шт.

14

D134622

SWITCH

1шт.

15

E44950

HARNESS

SPARE PART

1шт.

16

L71879

DIODE ELEMENT,400V, 3A

1шт.

17

L11541

CABLE TIE,203.2mm L, Nylon

CABLE STRAP tie

8шт.

18

REF

INSTRUCTION

VALVE control, See Figure 270 - 272

1шт.

Выбрано товаров: 18