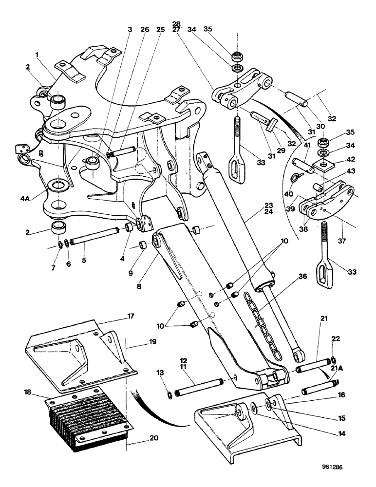
Запчасти Case 580G (376) - AXIAL BACKHOE - MOUNTING FRAME AND STABILIZERS (09) - CHASSIS/ATTACHMENTS

Схема запчастей Case 580G - (376) - AXIAL BACKHOE - MOUNTING FRAME AND STABILIZERS (09) - CHASSIS/ATTACHMENTS
34
33
37
17
14
34
10
9
32
38
8
31
31
41
22
36
11
40
39
28
2
42
16
19
1
13
15
21
43
21a
2
27
35
35
23
32
20
12
4a
25
29
18
4
26
5
3
7
24
33
30
6
10
FIT
1:1
100%

Артикул

Название

Примечание

Количество

1

D94981

FRAME

D94981 + 25-225 (4), Includes: Ref. 2 - 4A

1шт.

2

D90722

BUSHING,57.38mm ID x 76.2mm OD x 43mm L

2шт.

3

D60159

BUSHING,60.55mm ID x 69.85mm OD x 38.1mm L

2шт.

4

D37495

BUSHING,44.76mm ID x 57.15mm OD x 31.75mm L

4шт.

4a

D73848

WASHER,60mm ID x 120mm OD x 4mm L

1шт.

5

D89838

PIN,44.45mm OD x 320mm L

2шт.

6

195-2152

WASHER,1 13/16" x 2 1/2" x .109"

flat

4шт.

7

D25280

SNAP RING,#175, Ext

4шт.

8

D94215

STABILIZER

Includes: Ref. 9 and 10

2шт.

8

E43523

STABILIZER

RH, D94215 + E45156, To be used with E41753 only, Includes: Ref. 9 and 10

1шт.

8

E43524

STABILIZER

LH, D94215 + E45156, To be used with E41753 only, Includes: Ref. 9 and 10

1шт.

9

D50146

BUSHING,44.68mm ID x 57.15mm OD x 38.1mm L

2шт.

10

D120450

PLUG

4шт.

11

D28648

PIN,1.5" OD x 10 7/16" L

with ref 16

2шт.

12

D50696

PIN,38.1mm OD x 225.55mm L

with ref 17

2шт.

13

D25279

SNAP RING,M35, Int

4шт.

14

D28610

WASHER,38.5mm ID x 63.5mm OD x 2.66mm Thk

1шт.

15

D31312

WASHER

1шт.

16

D88427

PLATE

2шт.

17

D61376

STABILIZER

PLATE

2шт.

18

D61368

PAD

2шт.

19

113-713

BOLT,Hex, 3/4" - 10 x 1-3/4", Gr 5

8шт.

20

129-108

NUT,3/4"-10, G5

8шт.

21

D26002

PIN,38.1mm OD x 187.32mm L

2шт.

21a

E45156

AXLE PIN

To be used with E41753 only

2шт.

22

D25279

SNAP RING,M35, Int

4шт.

23

REF

INSTRUCTION

CYLINDER RH, See Figure 320

1шт.

24

REF

INSTRUCTION

CYLINDER LH, See Figure 320

1шт.

25

D32930

PIN,38.1mm OD x 127mm L

2шт.

26

D25279

SNAP RING,M35, Int

4шт.

27

D91020

LINK

LH

1шт.

D120162 (2) + D122714 (1) + D49812 (2) + D33805 (4) + D94121 (1) + 13-656 (1) + 25-106 (1)

1шт.

28

D91021

LINK

RH

1шт.

D120162 (2) + D122714 (1) + D49812 (2) + D33805 (4) + D94121 (1) + 13-656 (1) + 25-106 (1)

1шт.

29

D90826

PIN

If used

2шт.

30

D90825

PIN

If used

2шт.

31

13-860

BOLT,Hex, 1/2" - 13 x 3-3/4", Gr 5

If used

4шт.

32

131-654

LOCK NUT,1/2"-13, GB

If used

4шт.

33

D91134

ROD

2шт.

34

D64968

WASHER

2шт.

35

E37849

NUT

2шт.

36

E41753

CHAIN (CE)

If used

1шт.

37

13-656

BOLT,Hex, 3/8" - 16 x 3-1/2", Gr 5

2шт.

38

D120162

TRUSS ROD

4шт.

39

25-106

NUT,3/8"-16, G5

2шт.

40

D33805

PIN

Klik

8шт.

41

D49812

PIN,38.1mm OD x 137.16mm L

4шт.

42

D122714

PLATE

2шт.

43

D94121

BUSHING

2шт.

Выбрано товаров: 49