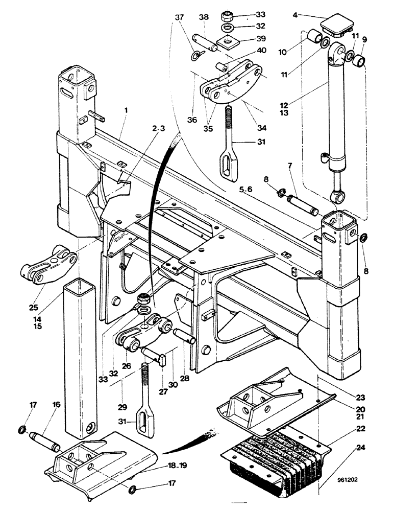
Запчасти Case 580G (378) - SIDESHIFT BACKHOE - MOUNTING FRAME AND STABILIZERS (09) - CHASSIS/ATTACHMENTS

Схема запчастей Case 580G - (378) - SIDESHIFT BACKHOE - MOUNTING FRAME AND STABILIZERS (09) - CHASSIS/ATTACHMENTS
2
30
8
16
18
1
13
40
21
34
27
17
23
26
29
11
14
32
17
4
15
19
7
11
33
25
12
37
31
35
11
20
22
31
28
24
32
5
36
39
10
3
33
8
38
6
FIT
1:1
100%

Артикул

Название

Примечание

Количество

1

E44698

FRAME

SPARE PART

1шт.

E45758 + E45702 (3) + E45703 (1) + E45604 (4) + L18331 (2)

1шт.

1

E45758

FUNNEL

FRAME, Serial Range: -3.948.949

1шт.

1

E45587

FRAME

SPARE PART, Start Serial: 3.948.950

1шт.

1

E44699

FRAME

(See Figure 536)

1шт.

E45759 + E45702 (3) + E45703 (1) + E45604 (4) + L18331 (2)

1шт.

1

E45759

FRAME

(See Figure 536), Serial Range: -3.948.949

1шт.

1

E45588

FUNNEL

FRAME (See Figure 536), Start Serial: 3.948.950

1шт.

2

181-709

SET SCREW,Sq Hd, 5/8"-11 x 2"

2шт.

3

425-1410

JAM NUT,Jam, 5/8"-11, G5

2шт.

4

D66668

COVER

D120671

2шт.

4

D120671

COVER

2шт.

5

13-616

BOLT,Hex, 3/8" - 16 x 1", Gr 5, Full Thd

If used

8шт.

6

92-6

LOCK WASHER,3/8"

If used

8шт.

7

D66699

PIN,45mm OD x 202mm L

2шт.

8

D25280

SNAP RING,#175, Ext

4шт.

9

D75709

BUSHING

2шт.

10

D75708

BUSHING

2шт.

11

51200255

SEALING WASHER,45.77mm ID x 62.18mm OD x 1.59mm Thk

1шт.

12

REF

INSTRUCTION

CYLINDER LH, See Figure 322

1шт.

13

REF

INSTRUCTION

CYLINDER RH, See Figure 322

1шт.

14

E35764

ARM

LEG LH

1шт.

15

E35763

ARM

LEG RH

1шт.

16

D69588

PIN,45mm OD x 196mm L

2шт.

17

D25280

SNAP RING,#175, Ext

4шт.

18

D92312

SKID/SHOE

PLATE LH

1шт.

19

D92311

SKID/SHOE

PLATE RH

1шт.

20

E44847

SKID/SHOE

PLATE LH

1шт.

21

E44846

SKID/SHOE

PLATE RH

1шт.

22

D61368

PAD

2шт.

23

113-713

BOLT,Hex, 3/4" - 10 x 1-3/4", Gr 5

10шт.

24

129-108

NUT,3/4"-10, G5

10шт.

25

D91020

LINK

LH

1шт.

D120162 (2) + D122714 (1) + D49812 (2) + D33805 (4) + D94121 (1) + 13-656 (1) + 25-106 (1)

1шт.

26

D91021

LINK

RH

1шт.

D120162 (2) + D122714 (1) + D49812 (2) + D33805 (4) + D94121 (1) + 13-656 (1) + 25-106 (1)

1шт.

27

D90826

PIN

If used

2шт.

28

D90825

PIN

If used

2шт.

29

13-860

BOLT,Hex, 1/2" - 13 x 3-3/4", Gr 5

If used

4шт.

30

131-654

LOCK NUT,1/2"-13, GB

If used

4шт.

31

D91134

ROD

2шт.

32

D64968

WASHER

2шт.

33

E37849

NUT

2шт.

34

13-660

BOLT,Hex, 3/8" - 16 x 3-3/4", Gr 5

2шт.

35

D120162

TRUSS ROD

4шт.

36

25-106

NUT,3/8"-16, G5

2шт.

37

D33805

PIN

Klik

8шт.

38

D49812

PIN,38.1mm OD x 137.16mm L

4шт.

39

D122714

PLATE

2шт.

40

D94121

BUSHING

2шт.

Выбрано товаров: 50