Запчасти Case 580G (386) - SIDESHIFT BACKHOE - BOOM (09) - CHASSIS/ATTACHMENTS

Схема запчастей Case 580G - (386) - SIDESHIFT BACKHOE - BOOM (09) - CHASSIS/ATTACHMENTS
22
26
24
44
7
8
46
32
11
23
3
5
5
9
29
36
47
39
41
43
12
1
42
16
2
30
31
14
6
35
17
42
10
10
19
25
27
7
15
23
44
45
40
5
18
20
28
13
4
35
5a
21
43
38
36
33
34
FIT
1:1
100%

Артикул

Название

Примечание

Количество

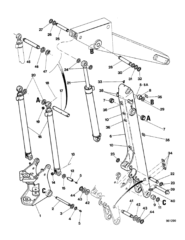
1

REF

INSTRUCTION

TOWER swing

1шт.

2

D91240

PIN,50.8mm OD x 402mm L

1шт.

3

195-2155

WASHER,2 1/16" x 3" x .109"

flat

2шт.

4

D26919

SNAP RING,#200, Ext

2шт.

5

219-1

LUBE NIPPLE,1/8" - 27 NPTF

4шт.

5a

219-89

LUBE NIPPLE,45 Degree Elbow, 1/8" NPTF

2шт.

6

D121703

BOOM

SPARE PART Includes: Ref. 7 - 10

1шт.

6

D121885

BOOM

Ext, Includes: Ref. 7 - 10

1шт.

7

D95362

BUSHING

2шт.

8

D31142

BUSHING,51.02mm ID x 63.5mm OD x 38.1mm L

2шт.

9

D50698

BUSHING,51.03mm ID x 69.98mm OD x 40.64mm L

2шт.

10

D88417

CAGE ASSY.

2шт.

11

D44813

SHIM,53.34mm ID x 76.2mm OD x 0.89mm Thk

1шт.

12

D49866

PIN,38.1mm OD x 96.52mm L

2шт.

13

13-660

BOLT,Hex, 3/8" - 16 x 3-3/4", Gr 5

2шт.

14

131-6

LOCK NUT,3/8"-16, GC

2шт.

15

D28610

WASHER,38.5mm ID x 63.5mm OD x 2.66mm Thk

1шт.

16

REF

INSTRUCTION

CYLINDER, See figure 328

2шт.

17

D49865

PIN,50.8mm OD x 304.8mm L

With boom latch

1шт.

L103135 + (2) D26919 + (2) 195-2155

1шт.

18

13-872

BOLT,Hex, 1/2" - 13 x 4-1/2", Gr 5

Used with D49865 only

2шт.

19

131-10

NUT,1/2"-13, GB

Used with D49865 only

2шт.

20

195-2155

WASHER,2 1/16" x 3" x .109"

flat

1шт.

21

REF

INSTRUCTION

CYLINDER, See figure 330

1шт.

22

D72359

PIN,44.45mm OD x 142.24mm L

1шт.

23

D25280

SNAP RING,#175, Ext

2шт.

24

195-2152

WASHER,1 13/16" x 2 1/2" x .109"

flat

2шт.

25

D52522

PIN,44.45mm OD x 211.84mm L

1шт.

26

51200255

SEALING WASHER,45.77mm ID x 62.18mm OD x 1.59mm Thk

1шт.

27

D25280

SNAP RING,#175, Ext

2шт.

28

D45523

PIN,50.8mm OD x 276.35mm L

1шт.

29

D44813

SHIM,53.34mm ID x 76.2mm OD x 0.89mm Thk

1шт.

30

72990

WASHER

2шт.

31

195-2155

WASHER,2 1/16" x 3" x .109"

flat

2шт.

32

D26919

SNAP RING,#200, Ext

2шт.

33

219-55

LUBE NIPPLE,90 Degree Elbow, 1/8" - 27 NPTF

1шт.

33

219-89

LUBE NIPPLE,45 Degree Elbow, 1/8" NPTF

Ext

1шт.

34

D83825

BLOCK

Ext

3шт.

35

D52843

BLOCK

Ext

2шт.

35

25-288

SQUARE NUT,Sq, 1/2"-13, G2, Hvy

square Ext

2шт.

36

D88417

CAGE ASSY.

Ext

2шт.

38

D45559

BRACKET

Ext

2шт.

39

D73536

PIN

1шт.

40

D33805

PIN

Klik

1шт.

41

D55082

LOCK PIN,38.1mm OD x 208.53mm L

With boom latch

1шт.

L103135 + (2) D26919 + (2) 195-2155

1шт.

42

D31312

WASHER

With boom latch

1шт.

L103135 + (2) D26919 + (2) 195-2155

1шт.

43

D28610

WASHER,38.5mm ID x 63.5mm OD x 2.66mm Thk

With boom latch

2шт.

L103135 + (2) D26919 + (2) 195-2155

1шт.

44

D25279

SNAP RING,M35, Int

With boom latch

2шт.

L103135 + (2) D26919 + (2) 195-2155

1шт.

45

L103135

PIN

1шт.

46

195-2155

WASHER,2 1/16" x 3" x .109"

flat, Used with L103135 only

2шт.

47

D26919

SNAP RING,#200, Ext

Used with L103135 only

2шт.

Выбрано товаров: 0