Запчасти Case 580G (048) - FUEL TANK AND FUEL LINES (03) - FUEL SYSTEM

Схема запчастей Case 580G - (048) - FUEL TANK AND FUEL LINES (03) - FUEL SYSTEM
6
13
14
16
8
15
2
12
10
3
5
1
7
12
4
4
17
9
11
FIT
1:1
100%

Артикул

Название

Примечание

Количество

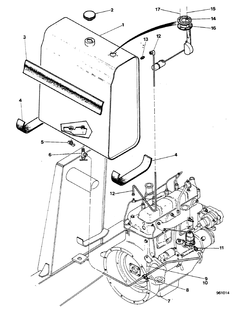
1

D122268

TANK

fuel

1шт.

2

A51390

CAP

1шт.

3

D86157

RUBBER

STRIP

1шт.

4

D93351

FOAM

STRIP rubber

2шт.

5

217-81

VALVE

1шт.

6

D68887

COCK

shutoff

1шт.

7

D88653

TUBE,8 mm OD x 317, 537 mm L

1шт.

8

515-2295

CLAMP,3/8", Insul, 5/16" Bolt

1шт.

9

13-48

BOLT,Hex, 1/4" - 20 x 1/2", Gr 5

1шт.

10

92-4

LOCK WASHER,1/4"

1шт.

11

222-503

TUBE NUT,1/2"-20

FITTING, 29899D

1шт.

11

222-503

TUBE NUT,1/2"-20

FITTING

1шт.

12

D122265

TUBE

1шт.

13

D73844

FITTING

1шт.

14

D83480

TRANSMITTER

fuel, Serial Range: -3.936.753

1шт.

14

E44931

GAUGE

SENDER fuel, Start Serial: 3.936.754

1шт.

15

193-1000

NUT,Keps, w/LW,#10-32

, Serial Range: -3.936.753

1шт.

16

A11822

GASKET

1шт.

17

D75465

SCREW,#10 - 32 x 5/8"

5шт.

Выбрано товаров: 19