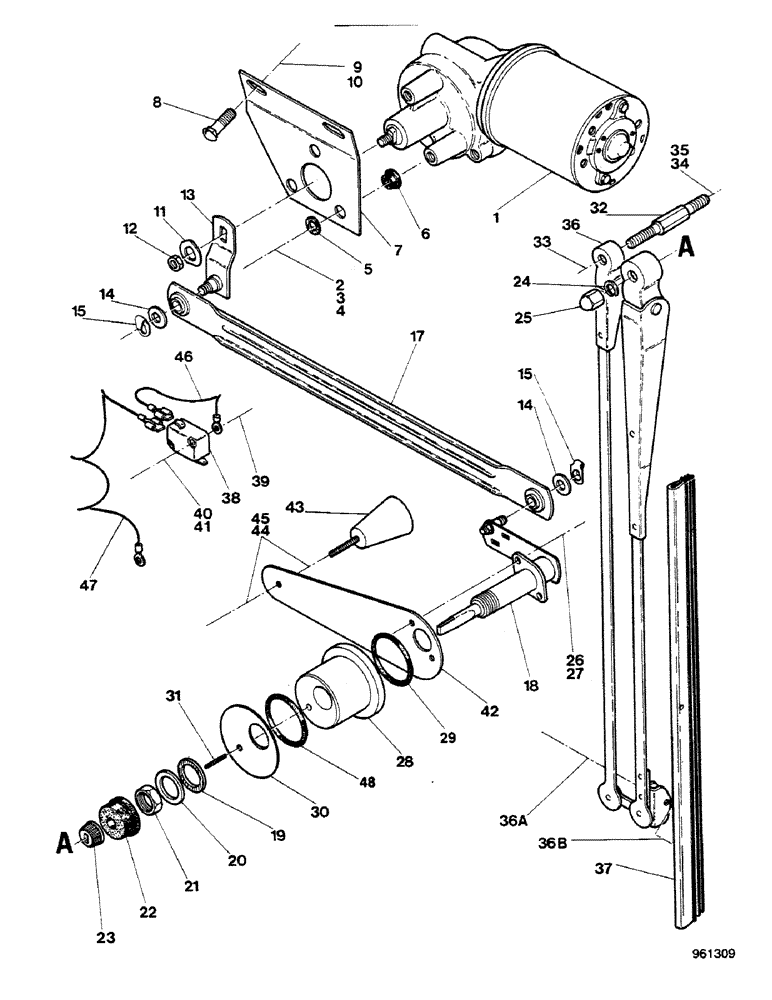
Запчасти Case 580G (476) - CAB - REAR WINDSHIELD WIPER UP TO NO. 3.808.596 (09) - CHASSIS/ATTACHMENTS

Схема запчастей Case 580G - (476) - CAB - REAR WINDSHIELD WIPER UP TO NO. 3.808.596 (09) - CHASSIS/ATTACHMENTS
48
15
42
13
37
18
33
43
36a
47
36b
11
25
24
1
44
23
8
2
4
17
35
28
38
9
14
26
21
15
6
14
39
3
19
30
41
12
45
46
5
31
34
22
40
36
27
10
20
32
7
29
FIT
1:1
100%

Артикул

Название

Примечание

Количество

1

F96765

WIPER MOTOR

MOTOR, WIPER See Figure 474

1шт.

2

114-7

BOLT,Hex, 1/4" - 28 x 7/8", Gr 5, Full Thd

3шт.

3

192-19

LOCK WASHER,Helical Spring, 0.256" ID, CST, ZND

3шт.

4

195-518

WASHER,1/4", SAE

3шт.

5

F64384

WASHER

nylon

3шт.

6

F44834

BUSHING

3шт.

7

F44686

BRACKET

1шт.

8

111-203

CARRIAGE BOLT,Short NK, 5/16"-18 x 1", G2

2шт.

9

192-20

LOCK WASHER,Helical Spring, 0.318" ID, CST, ZND

2шт.

10

9635082

NUT,5/16" - 18, Gr 5

2шт.

11

D71411

WASHER

1шт.

12

F44452

LOCK NUT

1шт.

13

F64210

LEVER

ARM

1шт.

14

A22431

WASHER

2шт.

15

D71414

CLIP

2шт.

17

F44754

LINK

1шт.

F96719

SHAFT

SHAFT ASSY, Includes: Ref. 18 - 25

1шт.

18

NSS

NOT SOLD SEPARAT

SHAFT

1шт.

19

D71417

SPECIAL WASHER

fiber

1шт.

20

D71418

WASHER

steel

1шт.

21

D71419

NUT

1шт.

22

D71420

CAP

1шт.

23

D71421

TOOL

DRIVER

1шт.

24

193-9

LOCK WASHER,Ext Tooth, 5/16"

1шт.

25

D71422

NUT

1шт.

26

182-528

SCREW,Sl Pan Hd, #10 - 32 x 1/2"

2шт.

27

192-18

LOCK WASHER,Helical Spring, #10, 0.196" ID, CST, ZND

2шт.

28

F44821

HOUSING

1шт.

29

D26819

O-RING,1.299" ID x 1.505" OD

1шт.

30

F44822

WASHER

1шт.

31

138-52

PIN,1/8" x 7/16", Slotted

1шт.

32

F43960

STUD

1шт.

33

425-154

JAM NUT,Jam, 1/4"-28, G5

1шт.

34

195-513

WASHER,#10

lock

1шт.

35

129-642

CROWN NUT,Crown, #10-24

accorn

1шт.

36

F44823

WIPER ARM

ARM, WIPER ASSY, Includes: Ref. 36A and 36B

1шт.

36

L35260

ARM

ASSY, with fixed rear window, Includes: Ref. 36A and 36B

1шт.

36a

182-567

SCREW,Sltd Pan Hd, #5-40 x 1/2"

1шт.

36b

129-14

NUT,#5-40

1шт.

37

F43574

WIPER BLADE

BLADE, WIPER

1шт.

37

F42706

WINDSHIELD WIPER

BLADE, with fixed rear window

1шт.

38

F43348

SWITCH

1шт.

39

182-575

SCREW,Cross Pan Hd, #4-40 x 3/4"

2шт.

40

195-505

WASHER,#4

2шт.

41

131-1409

LOCK NUT,#4-40, GB

2шт.

42

F44813

LEVER

1шт.

43

F44877

KNOB

1шт.

44

192-18

LOCK WASHER,Helical Spring, #10, 0.196" ID, CST, ZND

2шт.

45

129-37

NUT,#10-32

2шт.

46

E44947

ELECTRICAL WIRE

WIRE

1шт.

47

E44948

ELECTRICAL WIRE

WIRE ground

1шт.

48

A30915

O-RING,0.139" Thk x 1.359" ID, -220, Cl 5, 75 Duro

1шт.

Выбрано товаров: 52