Запчасти Case 580G (493A) - 580G LOADER BACKHOE (09) - CHASSIS/ATTACHMENTS

Схема запчастей Case 580G - (493A) - 580G LOADER BACKHOE (09) - CHASSIS/ATTACHMENTS
78
80
68
76
53
62
56
64
61
81
66
55
82
51
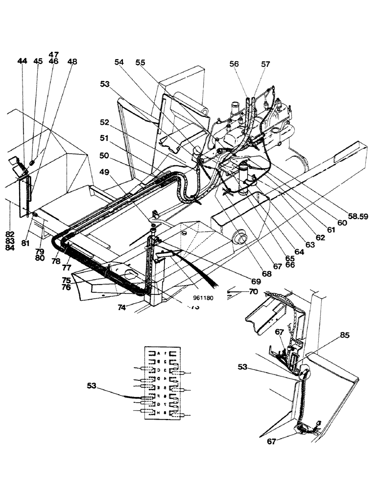
44
74
67
70
52
53
75
46
45
50
83
60
57
58
54
85
84
65
67
79
69
77
59
47
49
63
48
53
FIT
1:1
100%

Артикул

Название

Примечание

Количество

44

D121499

COVER

SPARE PART

1шт.

45

D123485

SPACER

1шт.

46

113-110

BOLT,Hex, 5/16" - 18 x 2-1/4", Gr 5

1шт.

47

195-521

WASHER,5/16", SAE

1шт.

48

D121497

COVER

1шт.

49

222-996

GASKET,3/4 Tube, Fl, Copper

1шт.

50

D122501

LOOM

SHEATH

1шт.

51

D94363

CONDUIT

SHEATH

1шт.

52

D120188

HOSE

SPARE PART

1шт.

53

D94155

HARNESS

1шт.

54

REF

INSTRUCTION

BOLT (see figure 492)

2шт.

55

REF

INSTRUCTION

HOSE (see figure 492)

1шт.

56

REF

INSTRUCTION

HOSE (see figure 492)

1шт.

57

REF

INSTRUCTION

HOSE (see figure 492)

1шт.

58

92-5

LOCK WASHER,5/16"

1шт.

59

9635082

NUT,5/16" - 18, Gr 5

1шт.

60

A61198

O-RING,0.07" Thk x 0.301" ID, -11

2шт.

61

D94153

HARNESS

1шт.

62

13-516

BOLT,Hex, 5/16" - 18 x 1", Gr 5

1шт.

63

A61193

CLAMP

strap

1шт.

64

A76312

RECEIVER-DRYER

1шт.

65

92-6

LOCK WASHER,3/8"

2шт.

66

25-106

NUT,3/8"-16, G5

2шт.

67

L11541

CABLE TIE,203.2mm L, Nylon

CABLE STRAP tie

2шт.

68

D122188

BRACKET

SPARE PART

1шт.

69

222-993

GASKET,3/8 Tube, Fl, Copper

1шт.

70

D95461

LINING

trim

1шт.

71

D122300

COVER

SPARE PART

1шт.

72

192-21

LOCK WASHER,3/8"

3шт.

73

129-103

NUT,Hex, 3/8" - 16, Gr 5

3шт.

74

D122299

COVER

SPARE PART

1шт.

75

113-219

BOLT,Hex, 3/8" - 16 x 2", Gr 5

3шт.

76

195-525

WASHER,3/8", SAE

3шт.

77

D120094

LOOM

SHEATH

1шт.

78

D120093

LOOM

SHEATH

1шт.

79

113-122

BOLT,Hex, 5/16" - 18 x 1-1/2", Gr 5

3шт.

80

195-521

WASHER,5/16", SAE

3шт.

81

D76207

BUSHING

2шт.

82

9635082

NUT,5/16" - 18, Gr 5

3шт.

83

192-20

LOCK WASHER,Helical Spring, 0.318" ID, CST, ZND

3шт.

84

195-521

WASHER,5/16", SAE

3шт.

85

E40331

FUSE

20 A

1шт.

Выбрано товаров: 42