Запчасти Case 580G (540) - CAB - AUXILIARY HEATER UP TO NO. 3.808.596 (09) - CHASSIS/ATTACHMENTS

Схема запчастей Case 580G - (540) - CAB - AUXILIARY HEATER UP TO NO. 3.808.596 (09) - CHASSIS/ATTACHMENTS
8
9
28
29
26
25
32
23
10
20
27
13
5
26
16
21
14
13
11
27
14
4
36
18
17
5
35
15
34
11
31
10
1
6
19
12
10
33
15
30
24
7
22
28
3
2
FIT
1:1
100%

Артикул

Название

Примечание

Количество

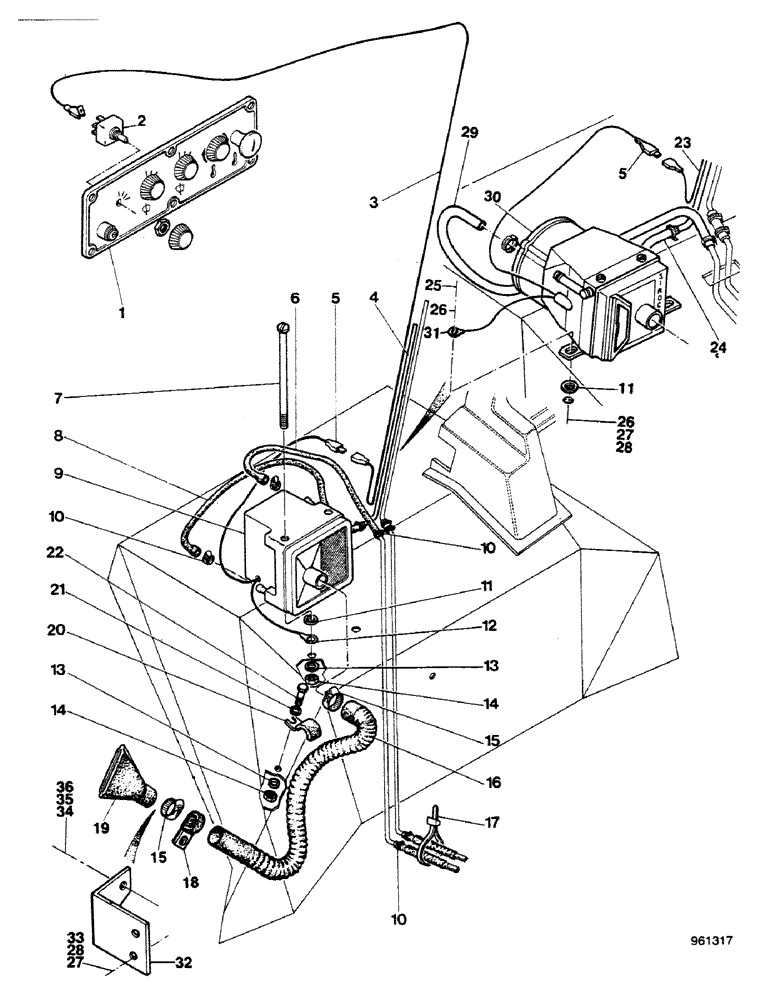
1

REF

INSTRUCTION

PANEL, See Figure 472

1шт.

2

REF

INSTRUCTION

SWITCH, See Figure 472

1шт.

3

E43301

ELECTRICAL WIRE

SPARE PART, Serial Range: -3.806.091

1шт.

4

E43806

HOSE

SPARE PART

1шт.

5

E33324

TERMINAL CONNECTOR

SPARE PART

1шт.

6

E43294

HOSE

SPARE PART, Serial Range: -3.806.091

1шт.

7

13-6132

BOLT,Hex, 3/8" - 16 x 8-1/4", Gr 5

, Serial Range: -3.806.091

2шт.

8

E43805

HOSE

, Serial Range: -3.806.091

1шт.

9

E43296

HEATER

, Serial Range: -3.806.091

1шт.

E44995 (1) + E44996 (1) + E44997 (1) + E44998 (1) + 113-104 (2) + 195-521 (4) + 223-60 (1) + 192-20 (2) + 129-102 (2) + 8-60211 (1)

1шт.

10

214-253

HOSE CLAMP,#10, 0.56" - 1.06", Type F Worm

6шт.

11

E43297

BUSHING

2шт.

12

223-61

TERMINAL CONNECTOR,14 - 16

, Serial Range: -3.806.091

1шт.

13

192-21

LOCK WASHER,3/8"

1-3шт.

14

129-103

NUT,Hex, 3/8" - 16, Gr 5

1-3шт.

15

214-258

HOSE CLAMP,#28, 1.31" - 2.25", Type F Worm

1-2шт.

16

E45601

DUCT

HOSE

1шт.

17

L18331

CABLE TIE,375.9mm L, Nylon, Black

CABLE STRAP Clamp

1шт.

18

E43299

CLAMP

1шт.

19

E43298

NOZZLE CAP

1шт.

20

E35505

CLAMP

SPARE PART

1шт.

21

195-104

WASHER,3/8"

flat

1шт.

22

113-221

BOLT,Hex, 3/8" - 16 x 7/8", Gr 5

1шт.

23

E44996

ELECTRICAL WIRE

WIRE, Start Serial: 3.806.092

1шт.

24

E44997

LARGE HOSE

HOSE,LARGE, Start Serial: 3.806.092

1шт.

25

113-104

BOLT,Hex, 5/16" - 18 x 1-1/4", Gr 5

2шт.

26

195-521

WASHER,5/16", SAE

4шт.

27

192-20

LOCK WASHER,Helical Spring, 0.318" ID, CST, ZND

4шт.

28

139-102

NUT

4шт.

29

E44998

LARGE HOSE

HOSE,LARGE, Start Serial: 3.806.092

1шт.

30

E44995

HEATER

, Start Serial: 3.806.092

1шт.

31

223-60

CONNECTOR, ELEC

CONNECTOR terminal, Start Serial: 3.806.092

1шт.

32

E45602

BRACKET

SPARE PART If used

1шт.

33

13-512

BOLT,Hex, 5/16" - 18 x 3/4", Gr 5

If used

2шт.

34

113-3

BOLT,Hex, 1/4" - 20 x 3/4", Gr 5

If used

1шт.

35

192-19

LOCK WASHER,Helical Spring, 0.256" ID, CST, ZND

If used

1шт.

36

7770

NUT,Hex, 1/4 - 20, Cl 5

If used

1шт.

Выбрано товаров: 37