Запчасти Case 580G (541C) - CAB - AUXILIARY HEATER (09) - CHASSIS/ATTACHMENTS

Схема запчастей Case 580G - (541C) - CAB - AUXILIARY HEATER (09) - CHASSIS/ATTACHMENTS
10
9
2
1
8
3
4
6
5
7
FIT
1:1
100%

Артикул

Название

Примечание

Количество

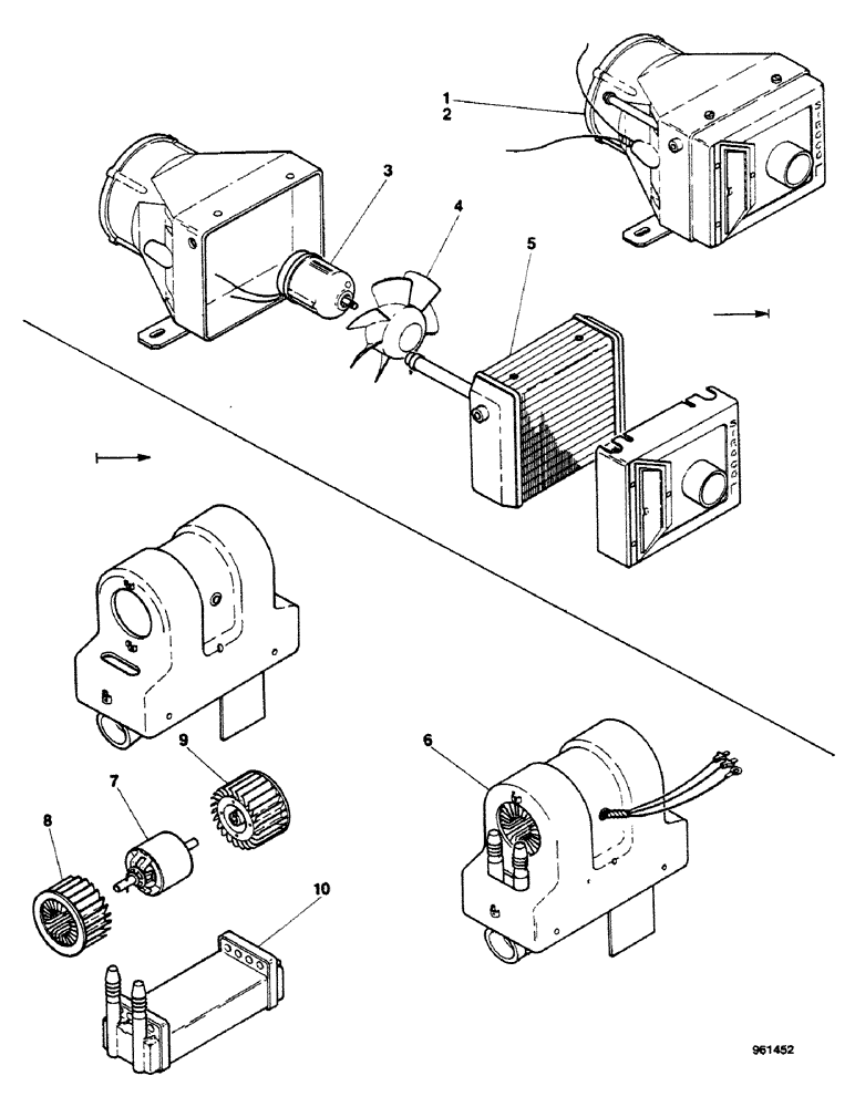
1

E44995

HEATER

ASSY, Includes: Ref. 3 - 5

1шт.

2

E46102

HEATER

ASSY, Includes: Ref. 3 - 5

1шт.

3

E45071

MOTOR HOUSING

12V

1шт.

4

E43549

FAN

1шт.

5

E45072

RADIATOR

SPARE PART inlet & outlet 12mm Dia., Used with E44995

1шт.

5

E46509

RADIATOR

inlet & outlet 16mm Dia., Used with E46102

1шт.

6

E46414

HEATER ASSY.

Includes: Ref. 7 - 10

1шт.

7

E46510

MOTOR, ELECTRIC

12V

1шт.

8

E46511

TURBINE

FAN, LH

1шт.

9

E46514

TURBINE

FAN, RH

1шт.

10

E46512

RADIATOR

1шт.

Выбрано товаров: 11