Запчасти Case 580G (566) - HYDRAULIC PUMP - COMMERCIAL HYDRAULICS (09) - CHASSIS/ATTACHMENTS

Схема запчастей Case 580G - (566) - HYDRAULIC PUMP - COMMERCIAL HYDRAULICS (09) - CHASSIS/ATTACHMENTS
13
19
20
18
25
3
8
20
14
14
16
1
1
10
27
7
5
26
9
11
24
22
21
14
13
21
4
19
11
15
12
9
6
10
2
17
23
FIT
1:1
100%

Артикул

Название

Примечание

Количество

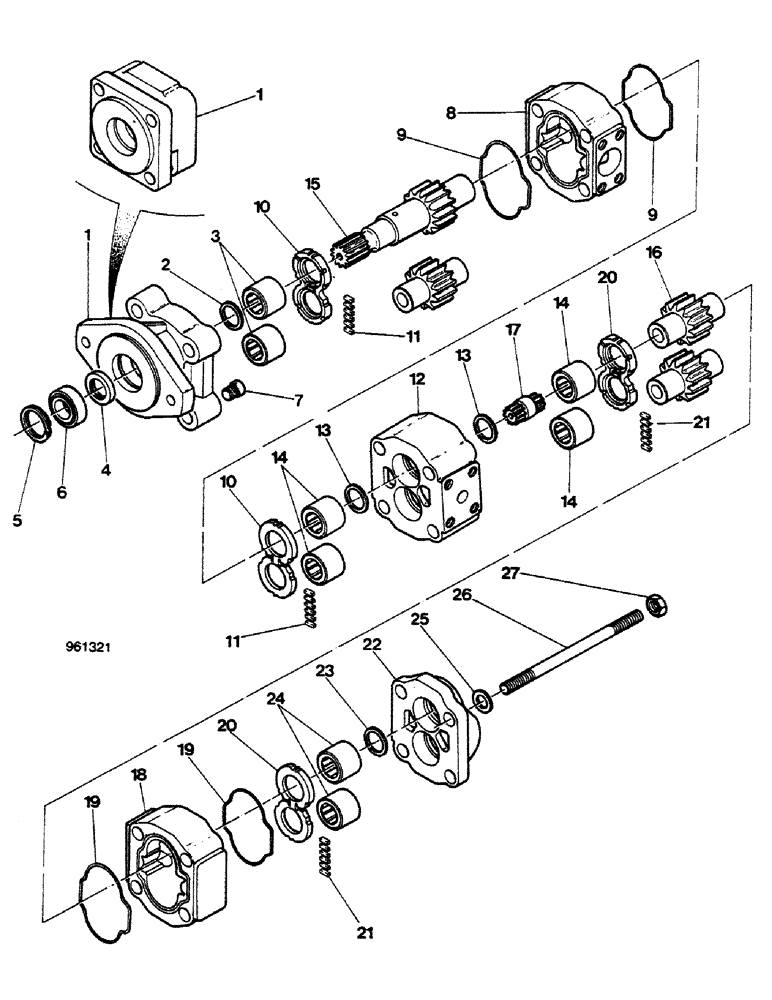
E43903

PUMP

SPARE PART REF. D30PA02-148, Includes: Ref. 1 - 27

1шт.

E46036

PUMP

REF. D30PA02-176, Includes: Ref. 1 - 27

1шт.

L32095

COVER

ASSY, For pump D 30 PA02-148, Includes: Ref. 1 - 7

1шт.

E46142

COVER ASSY, For pump D 30 PA02-176, Includes: Ref. 1 - 7

1шт.

1

NSS

NOT SOLD SEPARAT

COVER

1шт.

2

L32096

RING

1шт.

3

L32097

BEARING, ROLLER, CYL

roller

2шт.

4

L32418

SEAL,26.99mm ID x 42.93mm OD x 7.92mm Thk

1шт.

5

71466

SNAP RING,#206, 2.190", Int, Spiral

1шт.

6

NLS

NO LONGER SERVICED

BEARING

1шт.

7

L32320

PLUG

1шт.

E44234

HOUSING

SPARE PART ASSY, Includes: Ref. 8 - 11

1шт.

8

NSS

NOT SOLD SEPARAT

HOUSING

1шт.

9

L32100

SEAL,Square, 3.17mm Thk x 101.6mm ID, 70 Duro

2шт.

10

L32101

PLATE

wear

2шт.

11

E42650

JOINT TURNING

SEAL KIT CLEAT

12шт.

E44235

HOUSING

SPARE PART ASSY, For pump D 30 PA02-148, Includes: Ref. 12 - 14

1шт.

E46145

HOUSING

ASSY, For pump D 30 PA02-176, Includes: Ref. 12 - 14

1шт.

12

NSS

NOT SOLD SEPARAT

HOUSING

1шт.

13

L32096

RING

2шт.

14

L32097

BEARING, ROLLER, CYL

roller

4шт.

15

S116167

GEAR

SET, For pump D 30 PA02-148

1шт.

15

E46143

SEAT

SET gear, For pump D30 PA02-176

1шт.

16

E42667

GEAR

SPARE PART SET, For pump D 30 PA02-148

1шт.

16

E46144

SEAT

SET gear, For pump D 30 PA02-176

1шт.

17

L32104

SHAFT

1шт.

E42666

HOUSING

SPARE PART ASSY, Includes: Ref. 18 - 21

1шт.

18

NSS

NOT SOLD SEPARAT

HOUSING

1шт.

19

L32100

SEAL,Square, 3.17mm Thk x 101.6mm ID, 70 Duro

2шт.

20

L32101

PLATE

wear

2шт.

21

E42650

JOINT TURNING

SEAL KIT CLEAT

12шт.

W14027

COVER

ASSY, Includes: Ref. 22 - 24

1шт.

22

NSS

NOT SOLD SEPARAT

COVER

1шт.

23

L32096

RING

1шт.

24

L32097

BEARING, ROLLER, CYL

roller

2шт.

25

D31957

WASHER

4шт.

26

E42668

STUD

SPARE PART

4шт.

27

86625068

NUT,5/8"-11, G8

4шт.

Выбрано товаров: 38